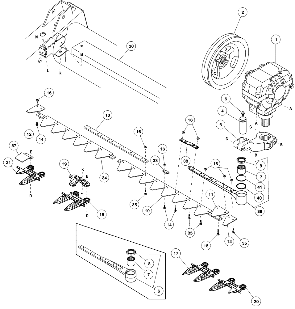
Запчасти Case IH 1052 (09-16) - KNIFE ASSEMBLY (09) - CHASSIS

Схема запчастей Case IH 1052 - (09-16) - KNIFE ASSEMBLY (09) - CHASSIS
a
16
e
d
16
a
12
33
16
2
20
8
39
10
8
1
35
17
7
16
6
3
j
14
36
b
d
7
b
16
e
c
15
4
38
m
12
c
14
r
c
5
34
41
40
k
35
l
13
19
b
n
21
37
11
18
35
FIT
1:1
100%

Артикул

Название

Примечание

Количество

1

338670A1

DRIVE

Knife Drive

1шт.

See Figure 09-20

1шт.

1

338670A1R

REMAN-GEARBOX

Remanufactured, Wobble Box

1шт.

1

338670A1C

CORE-GEARBOX

Return Number

1шт.

2

338585A1

GUIDE

1шт.

3

369994A1

ARM

Replaces 338669A1

1шт.

4

345893A1

PIN,31.76mm OD x 81mm L

1шт.

5

219-55

LUBE NIPPLE,90 Degree Elbow, 1/8" - 27 NPTF

1шт.

6

345894A1

HEAD

Inc. 7 and 8, Serial Range: -CCC0011320

1шт.

7

A27827

NEEDLE BEARING,Needle, 31.75mm ID x 38.1mm OD x 31.75mm W

1шт.

8

345892A1

SEAL KIT

1шт.

10

345891A1

KNIFE ASSY

Inc. 33,38, Serial Range: -CCC0011320

1шт.

21.0 Foot Header

1шт.

10

345891A1

KNIFE ASSY

Left-Hand, Includes 33,38, Serial Range: -CCC0011320

1шт.

25.0, 30.0 and 36.0 Foot Header

1шт.

10

338616A1

KNIFE ASSY

Fine Serrations, Inc. 33, Start Serial: CCC0011321

1шт.

21.0 Foot Header

1шт.

10

338616A1

KNIFE ASSY

Fine Serrations, Left-Hand, Inc. 33, Start Serial: CCC0011321

1шт.

25.0, 30.0 and 36.0 Foot Header

1шт.

11

345890A1

KNIFE SECTION

SECTION, KNIFE Top-serrated, Serial Range: -CCC0011320

83шт.

21.0 Foot Header

1шт.

11

345890A1

KNIFE SECTION

SECTION, KNIFE Top-serrated, Serial Range: -CCC0011320

99шт.

25.0 Foot Header

1шт.

11

345890A1

KNIFE SECTION

SECTION, KNIFE Top-serrated, Serial Range: -CCC0011320

119шт.

30.0 Foot Header

1шт.

11

345890A1

KNIFE SECTION

SECTION, KNIFE Top-serrated, Serial Range: -CCC0011320

143шт.

36.0 Foot Header

1шт.

11

1327448C1

KNIFE SECTION

SECTION, KNIFE Fine Serrations, Top-serrated (Kondex), Start Serial: CCC0011321

83шт.

21.0 Foot Header

1шт.

11

87422350

KNIFE SECTION

Fine Serrations, Top-serrated (Busatis) (Optional), Start Serial: CCC0010569

83шт.

21.0 Foot Header

1шт.

11

1327448C1

KNIFE SECTION

SECTION, KNIFE Fine Serrations, Top-serrated, Start Serial: CCC0011321

99шт.

25.0 Foot Header

1шт.

11

87422350

KNIFE SECTION

Fine Serrations, Top-serrated (Busatis) (Optional), Start Serial: CCC0010569

99шт.

25.0 Foot Header

1шт.

11

1327448C1

KNIFE SECTION

SECTION, KNIFE Fine Serrations, Top-serrated, Start Serial: CCC0011321

119шт.

30.0 Foot Header

1шт.

11

87422350

KNIFE SECTION

Fine Serrations, Top-serrated (Busatis) (Optional), Start Serial: CCC0010569

119шт.

30.0 Foot Header

1шт.

11

1327448C1

KNIFE SECTION

SECTION, KNIFE Fine Serrations, Top-serrated, Start Serial: CCC0011321

143шт.

36.0 Foot Header

1шт.

11

87422350

KNIFE SECTION

Fine Serrations, Top-serrated (Busatis) (Optional), Start Serial: CCC0010569

143шт.

36.0 Foot Header

1шт.

12

1327411C1

KNIFE SECTION

SECTION, KNIFE Half

2шт.

13

126622A1

BAR

1шт.

25.0, 30.0 and 36.0 Foot Header

1шт.

14

700708646

BOLT AND NUT,Slotted, Btn Hd, #12 - 24 x 5/8"

No. 12 x 5/8

1шт.

15

1979166C1

BOLT

No. 12 x 1-1/8

1шт.

16

1954816C1

LOCK NUT

No. 12

1шт.

17

87422041

GUARD

Special, Second and Third at Drive End, Replaces 337968A1

2шт.

18

87421451

GUARD

Replaces 345887A1

1шт.

19

87407812

GUIDE

Replaces 338591A1

1шт.

19

84399893

KIT

Hold Down Clip, Package of 25 Total

1шт.

20

87422039

GUARD

Special, First at LH End

1шт.

21

87422040

GUARD

Special, First at RH End

1шт.

30

370877A1

BAR

Adjuster, Right End, Start Serial: CCC0011321

1шт.

31

370878A1

GUIDE

Sickle, Right End, Start Serial: CCC0011321

1шт.

33

338617A1

BRACKET

Package of 77

1шт.

34

345895A1

KNIFE ASSY

Right-Hand, Single Sickle Drive, Serial Range: -CCC0011320

1шт.

25.0 Foot Header

1шт.

34

345896A1

KNIFE ASSY

Right-Hand, Single Sickle Drive, Serial Range: -CCC0011320

1шт.

30.0 Foot Header

1шт.

34

131482A1

KNIFE ASSY

9 ft, Fine Serrations, Right-Hand, Single Sickle Drive, Start Serial: CCC0011321

1шт.

30.0 Foot Header

1шт.

34

372317A1

KNIFE

Right-Hand, Single Sickle Drive, Serial Range: -CCC0011320

1шт.

36.0 Foot Header

1шт.

34

126689A1

KNIFE ASSY

15 ft, Fine Serrations, Right-Hand, Single Sickle Drive, Start Serial: CCC0011321

1шт.

36.0 Foot Header

1шт.

35

347236A1

SCREW

No. 12 x 59/64

1шт.

34

381137A1

KNIFE

Fine Serrations, Right-Hand, Single Sickle Drive, Start Serial: CCC0011321

1шт.

25.0 Foot Header

1шт.

36

362880A1

TUBE,6290 mm Length

Storage

1шт.

21.0 Foot Header

1шт.

36

362881A1

TUBE,7510 mm Length

Storage

1шт.

25.0 Foot Header

1шт.

36

362882A1

TUBE,9035 mm Length

Storage

1шт.

30.0 Foot Header

1шт.

36

372324A1

TUBE,10865 mm Length

Storage

1шт.

36.0 Foot Header

1шт.

37

344734A1

SHIELD

Right-hand End

1шт.

38

381144A1

BAR

Reinforcement

1шт.

39

395823A1

HEAD ASSY.

Inc. 7, 8, 40 & 41, Start Serial: CCC0011321

1шт.

40

430320A1

O-RING,0.07" Thk x 1.364" ID, -28, Cl 5, 75 Duro

, Start Serial: CCC0011321

1шт.

41

395820A1

PLUG

, Start Serial: CCC0011321

1шт.

a

426-1024

BOLT,Hex, 5/8" - 11 x 1-1/2", Gr 8

1шт.

b

413-1048

BOLT,Hex, 5/8" - 11 x 3", Gr 5

1шт.

c

231-41410

NUT,5/8"-11, GB

1шт.

d

433-724

CARRIAGE BOLT,Sq Nk, 7/16" - 14 x 1 1/2", Gr 5

7/16 x 1-1/2

1шт.

433-728

CARRIAGE BOLT,Sq Nk, 7/16" - 14 x 1 3/4", Gr 5

7/16 x 1-3/4

1шт.

e

429-107

NUT,7/16"-14, G8

1шт.

f

433-740

CARRIAGE BOLT,Sq Nk, 7/16" - 14 x 2 1/2", Gr 5

Carriage 7/16 x 2-12

1шт.

g

113-2299

BOLT,Hex, 3/8" - 16 x 3/4", SST

1шт.

h

113-2295

BOLT,Hex, 3/8" - 16 x 1", SST

3/8 x 1 SST

1шт.

j

86521606

FLANGE NUT,Hex, 3/8" - 16, Gr 5

1шт.

k

413-610

BOLT,Hex, 3/8" - 16 x 5/8", Gr 5

SST

1шт.

l

232-5316

FLANGE NUT,Flg, 3/8"-16

1шт.

m

434-612

CARRIAGE BOLT,Sht Sq Nk, 3/8" - 16 x 3/4", Gr 5

3/8 x 3/4

1шт.

n

433-640

CARRIAGE BOLT,Sq Nk, 3/8" - 16 x 2 1/2", Gr 5

3/8 x 2-1/2

1шт.

p

433-744

CARRIAGE BOLT,Sq Nk, 7/16" - 14 x 2 3/4", Gr 5

Carriage, 3/8 x 2-3/4

1шт.

r

231-5146

FLANGE NUT,3/8"-16

1шт.

Выбрано товаров: 100