Запчасти Case IH 1052 (09-38) - EUROPEAN HEADER UPGRADES UPPER CROSS AUGER BSN CCC0011569 (09) - CHASSIS

Схема запчастей Case IH 1052 - (09-38) - EUROPEAN HEADER UPGRADES UPPER CROSS AUGER BSN CCC0011569 (09) - CHASSIS
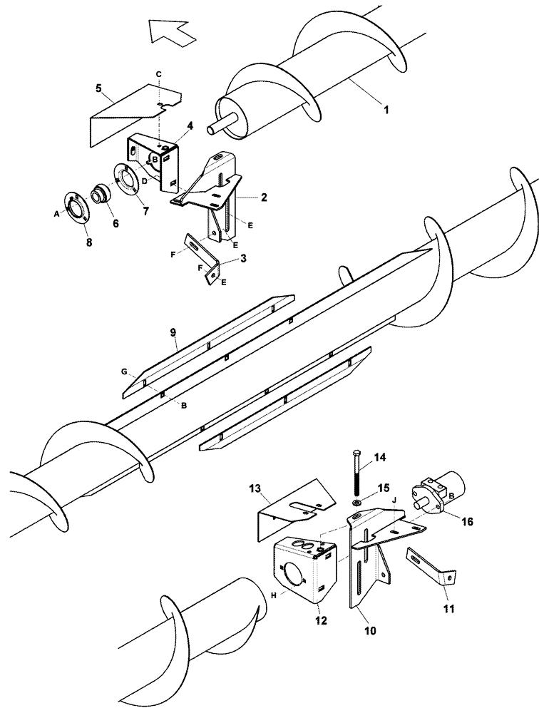
1
7
5
10
13
2
9
6
11
15
14
3
4
12
16
8
FIT
1:1
100%

Артикул

Название

Примечание

Количество

1

429280A1

AUGER

6.4 m (21.0 ft)

1шт.

1

429285A1

AUGER

7.6 m (25.0 ft)

1шт.

2

429284A1

SUPPORT

Left-Hand

1шт.

3

429300A1

BRACE

Left-Hand

1шт.

4

429296A1

SUPPORT

Left-Hand

1шт.

5

429283A1

SHIELD

Left-Hand

1шт.

6

557117R11

COLLAR

1шт.

7

428426A1

FLANGE

1шт.

8

428425A1

FLANGED BEARING

Inc. Lube Fitting

1шт.

9

429293A1

BEATER

Auger

2шт.

10

429281A1

SUPPORT

Right-Hand

1шт.

11

429291A1

BRACE

Right-Hand

1шт.

12

429295A1

SUPPORT

Right-Hand

1шт.

13

429282A1

SHIELD

Right-Hand

1шт.

14

429449A1

SPECIAL BOLT

1/2 x 6-1/2

2шт.

15

495-11053

WASHER,1/2", SAE

(17/32" x 1-1/16" x 3/32")

2шт.

16

347541A1

MOTOR, HYDRAULIC

1шт.

See Figure 09-39

1шт.

a

33-616

CARRIAGE BOLT,Sq Nk, 3/8" - 16 x 1", Gr 5

3/8 x 1

1шт.

b

232-5316

FLANGE NUT,Flg, 3/8"-16

1шт.

c

409-768

BOLT,Hex Flg, 3/8" - 16 x 1/2", Spcl

3/8 x 1/2

1шт.

d

434-816

CARRIAGE BOLT,Sht Sq Nk, 1/2" - 13 x 1", Gr 5

1/2 x 1

1шт.

e

231-5348

FLANGE NUT,Flg, 1/2"-13

1шт.

f

413-816

BOLT,Hex, 1/2" - 13 x 1", Gr 5

1шт.

g

434-612

CARRIAGE BOLT,Sht Sq Nk, 3/8" - 16 x 3/4", Gr 5

3/8 x 3/4

1шт.

h

434-620

CARRIAGE BOLT,Sht Sq Nk, 3/8" - 16 x 1 1/4", Gr 5

1шт.

j

281-54910

SELF-TAP SCREW,Hex Wash Hd, 3/8"-16 x 5/8"

3/8 st x 5/8

1шт.

Выбрано товаров: 27