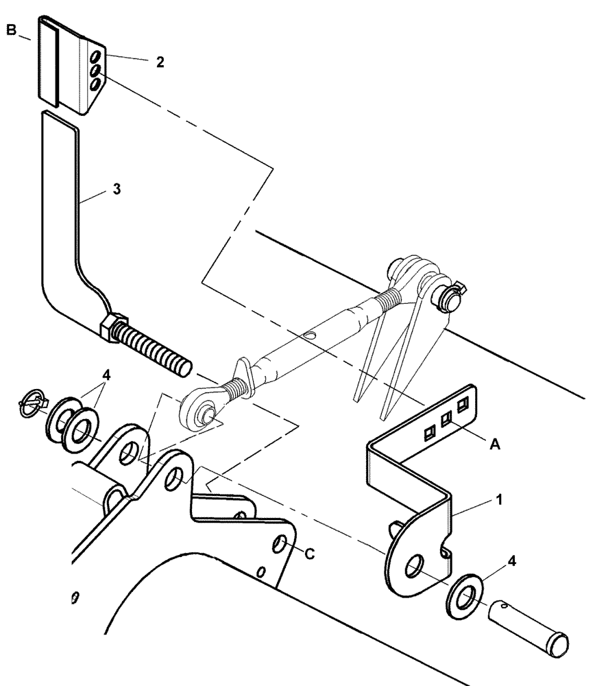
Запчасти Case IH 1052 (09-54A) - HEADER HEIGHT INDICATOR ATTACHMENT (09) - CHASSIS

Схема запчастей Case IH 1052 - (09-54A) - HEADER HEIGHT INDICATOR ATTACHMENT (09) - CHASSIS
2
1
3
4
4
b
a
c
FIT
1:1
100%

Артикул

Название

Примечание

Количество

NSS

NOT SOLD SEPARAT

Header Height Indicator, Order 434705A1 From Machinery Price List, Includes 1 - 4

1шт.

1

428421A1

SUPPORT

Front Link Mount

1шт.

2

428422A1

SUPPORT

Indicator

1шт.

3

428423A1

ARM

Header Height Indicator

1шт.

4

495-11106

WASHER,1", SAE

(1-1/16 x 2 x 1/8")

3шт.

a

434-816

CARRIAGE BOLT,Sht Sq Nk, 1/2" - 13 x 1", Gr 5

1/2 x 1

1шт.

b

231-5348

FLANGE NUT,Flg, 1/2"-13

1шт.

c

231-41412

NUT,3/4"-10, GB

3/4

1шт.

Выбрано товаров: 8