Запчасти Case IH 2042 (09-24) - GAUGE WHEEL

Схема запчастей Case IH 2042 - (09-24) - GAUGE WHEEL
8
c
23
24
10
26
22
12
14
18
2
l
13
20
9
7
15
1
k
16
19
e
21
11
6
j
h
5
25
2
FIT
1:1
100%

Артикул

Название

Примечание

Количество

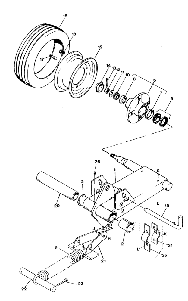
1

338278A1

SUPPORT

Right Hand, Shown

1шт.

1

338279A1

SUPPORT

Left Hand

1шт.

2

1969215C1

BUSHING,51.2mm ID x 55.3mm OD x 62mm L

4шт.

5

126629A1

SPRING

2шт.

6

825885C91

HUB

Inc. 7, 8

2шт.

7

651817R1

BEARING CUP

Inner

2шт.

7

651817R1GV

BEARING CUP

Value, Bearing Cup

2шт.

8

651814R1

BEARING CUP

Outer

2шт.

9

602958R91

BEARING ASSY,31.75 mm ID x 25.4 mm

Inc. Seal

2шт.

10

651815R91

BEARING ASSY,7.508" ID x 17.82" OD x 6"

2шт.

10

651815R91GV

BEARING CONE

Value, Cone Bearing

2шт.

11

495-81042

WASHER,25/32" x 1 1/2" x .120"

2шт.

12

425-1312

SLOTTED NUT,3/4"-16, G5

2шт.

13

32-1220

COTTER PIN,3/16" x 1 1/4"

2шт.

14

338861A1

PLUG

2шт.

15

455169R92

WHEEL

15 x 4-1/2

2шт.

15

338294A1

WHEEL

Inc. Valve Stem Protector, Optional With 455169R92

2шт.

16

622193R1

TYRE/TIRE

6.70 x 15

2шт.

16

338286A1

TYRE/TIRE

205-75 R15, Optional With 622193R1

2шт.

17

387897R91

VALVE STEM

2шт.

18

344630A1

WHEEL BOLT

Wheel

8шт.

19

126738A1

PIN

Inc. Roll Pin

2шт.

20

338855A1

TUBE

2шт.

21

338276A1

SUPPORT

2шт.

22

344632A1

PIN

2шт.

23

32-1632

COTTER PIN,1/4" x 2"

4шт.

24

338293A1

BRACKET

4шт.

25

338292A1

BRACKET

Welded

4шт.

26

219-8

LUBE NIPPLE,1/4" - 28 NPTF

2шт.

c

413-640

BOLT,Hex, 3/8" - 16 x 2-1/2", Gr 5

1шт.

e

232-5316

FLANGE NUT,Flg, 3/8"-16

1шт.

h

413-1048

BOLT,Hex, 5/8" - 11 x 3", Gr 5

1шт.

j

231-41410

NUT,5/8"-11, GB

1шт.

k

413-820

BOLT,Hex, 1/2" - 13 x 1-1/4", Gr 5

1шт.

l

231-4148

NUT,1/2"-13, GB

1шт.

Выбрано товаров: 35