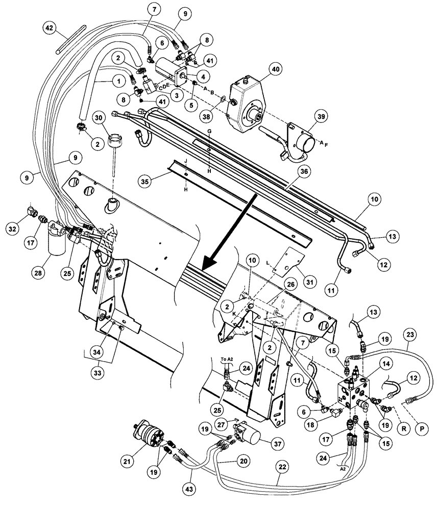
Запчасти Case IH 2042 (09-30) - 873 COMBINE ADAPTER - HYDRAULIC CIRCUIT

Схема запчастей Case IH 2042 - (09-30) - 873 COMBINE ADAPTER - HYDRAULIC CIRCUIT
24
a
10
6
10
r
19
12
2
26
h
h
32
l
37
c
j
5
30
22
19
11
12
9
a
23
18
42
31
4
41
p
21
k
25
34
3
19
9
39
g
14
15
8
2
7
9
6
2
28
8
36
43
17
19
15
20
e
24
38
11
25
41
b
7
33
f
17
13
35
d
2
13
1
27
40
FIT
1:1
100%

Артикул

Название

Примечание

Количество

1

338382A1

HOSE

RH Tank To Pump Input, 800 mm (31-1/2 in)

1шт.

2

311164C1

CLAMP

Hose

2шт.

3

87408747

VALVE

Check

1шт.

4

87408748

PUMP

Hydraulic

1шт.

See Figure 09-31

1шт.

5

338381A1

SPLINED BUSHING

Steel

1шт.

6

218-5105

ELBOW,90 Degree Elbow, 9/16" - 18 Male JIC x 9/16" - 18 Male ORB

1шт.

7

87408720

HOSE

Hydraulic, 3200 mm (126 in)

1шт.

8

87441912

FITTING

Tee, Special 7/8 O-ring x 5/8 Tube x 9/16 O-ring

3шт.

237-6010

O-RING,0.097" Thk x 0.755" ID, -910, Cl 6, 90 Duro

3шт.

9

87408942

HOSE

Hydraulic, 1130 mm (44-1/2 in)

3шт.

10

87408794

HYD TUBE,.75" OD

Hydraulic

1шт.

11

87408798

HYD TUBE,.625" OD

Hydraulic

1шт.

12

87408796

HYD TUBE,.625" OD

Hydraulic

1шт.

13

87408795

HYD TUBE,.625" OD

Hydraulic

1шт.

14

87408745

VALVE

Hydraulic

1шт.

See Figure 09-32

1шт.

15

218-5062

HYD CONNECTOR,7/8"-14, 37 Degree x 7/8"-14, O-Ring

3шт.

237-6010

O-RING,0.097" Thk x 0.755" ID, -910, Cl 6, 90 Duro

1шт.

17

218-5064

HYD CONNECTOR,1-1/16" - 12 Male JIC x 1-1/16" - 12 Male ORB

2шт.

237-6012

O-RING,0.116" Thk x 0.924" ID, -912, Cl 6, 90 Duro

1шт.

18

218-5107

90 ELBOW,90 Degree Elbow, 7/8" - 14 Male JIC x 7/8" - 14 Male ORB

1шт.

237-6010

O-RING,0.097" Thk x 0.755" ID, -910, Cl 6, 90 Duro

1шт.

19

218-5137

ELBOW,45 Degree Elbow, 7/8" - 14 Male JIC x 7/8" - 14 Male ORB

7шт.

237-6010

O-RING,0.097" Thk x 0.755" ID, -910, Cl 6, 90 Duro

1шт.

20

410669A1

HOSE

Hydraulic, 850 mm (33-1/2 in)

1шт.

21

87408746

HYDRAULIC MOTOR

Drum Drive

1шт.

87407673

SEAL KIT

Motor

1шт.

22

410670A1

HOSE

Hydraulic, 1100 mm (49-19/64 in)

1шт.

23

87408946

HOSE

Hydraulic, 1500 mm (59 in)

1шт.

24

87408721

HOSE

Hydraulic, 435 mm (17-1/8 in)

1шт.

25

218-5108

ELBOW,90 Degree Elbow, 1-1/16" - 12 Male JIC x 1-1/16" - 12 Male ORB

2шт.

237-6012

O-RING,0.116" Thk x 0.924" ID, -912, Cl 6, 90 Duro

1шт.

26

338404A1

HOSE

1шт.

27

410841A1

WOODRUFF KEY

SAE 15

1шт.

28

338321A1

ELEMENT

1шт.

338320A1

FILTER

Assembly, Inc. 338321A1

1шт.

30

338324A1

PLUG

Inc. Indicator

1шт.

31

87408799

COVER

Valve

1шт.

32

428420A1

ELBOW

45 Degree, 3/4 O-ring x 3/4 Tube

1шт.

237-6006

O-RING,0.078" Thk x 0.468" ID, -906, Cl 6, 90 Duro

1шт.

33

338319A1

PLUG

3/4 NF, Magnetic, Inc. 237-6008

1шт.

237-6008

O-RING,0.087" Thk x 0.644" ID, -908, Cl 6, 90 Duro

1шт.

34

237-6008

O-RING,0.087" Thk x 0.644" ID, -908, Cl 6, 90 Duro

1шт.

35

87408800

HOLDER

Hydraulic Lines, Steel

1шт.

36

87408801

HOLDER

Hydraulic Lines, Steel

1шт.

37

87408339

HYDRAULIC MOTOR

Draper Drive

1шт.

700709231

SEAL KIT

Seal Kit

1шт.

38

87407843

WASHER

1шт.

39

REF

INSTRUCTION

Arm (For Ref 40)

1шт.

See Figures 09-38, 09-40

1шт.

40

REF

INSTRUCTION

Drive, Gear

1шт.

See Figures 09-33, 09-34

1шт.

41

430271A1

PLUG

9/16, Inc. 237-6006

3шт.

42

87461310

PLASTIC-RUBBER TUBE

Sleeve, Plastic

1шт.

43

429257A1

HOSE

Hydraulic, 620 mm (24-1/2 in)

1шт.

a

892-11012

LOCK WASHER,M12

1шт.

b

829-23412

THIN NUT,Thin, M12 x 1.5, Cl 05

1шт.

c

864-8030

HEX SOC SCREW,M8 x 30mm, Cl 8.8

1шт.

d

892-11008

LOCK WASHER,8mm ID

1шт.

e

495-11034

WASHER,5/16", SAE

1шт.

f

614-12025

BOLT,Hex, M12 x 1.75 x 25mm, Cl 8.8, Full Thd

1шт.

g

434-612

CARRIAGE BOLT,Sht Sq Nk, 3/8" - 16 x 3/4", Gr 5

1шт.

h

232-5316

FLANGE NUT,Flg, 3/8"-16

1шт.

j

433-624

CARRIAGE BOLT,Sq Nk, 3/8" - 16 x 1 1/2", Gr 5

1шт.

k

409-7612

BOLT,3/8"-16 x 1.09" OAL

1шт.

l

281-54910

SELF-TAP SCREW,Hex Wash Hd, 3/8"-16 x 5/8"

1шт.

p

REF

INSTRUCTION

Pressure To Header

1шт.

r

REF

INSTRUCTION

Return From Header

1шт.

Выбрано товаров: 69