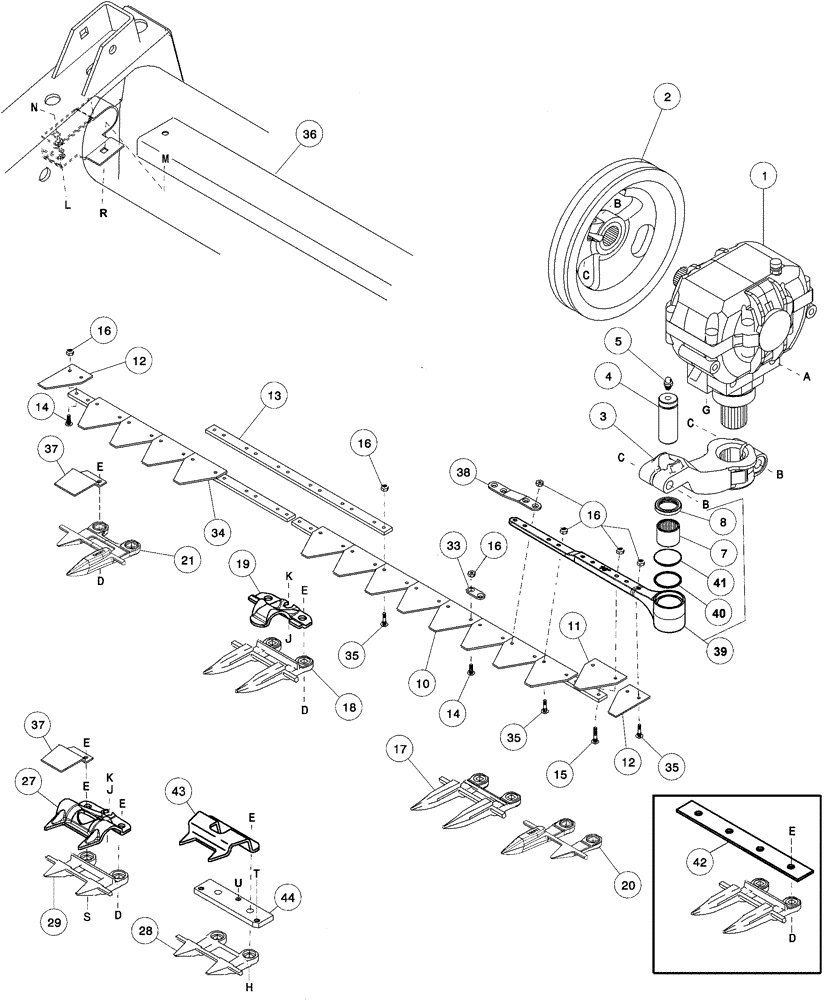
Запчасти Case IH 2052 (09-10) - KNIFE ASSEMBLY (03) - CHASSIS/MOUNTED EQUIPMENT

Схема запчастей Case IH 2052 - (09-10) - KNIFE ASSEMBLY (03) - CHASSIS/MOUNTED EQUIPMENT
33
7
e
d
40
41
21
36
42
16
c
14
a
38
20
d
39
t
11
27
37
43
16
b
13
17
h
j
u
1
e
35
j
29
18
c
3
35
5
19
35
m
d
k
14
k
34
10
2
g
15
e
s
e
l
16
b
c
e
16
12
e
8
28
12
4
n
b
e
d
44
37
r
FIT
1:1
100%

Артикул

Название

Примечание

Количество

1

338670A1

DRIVE

Knife Drive

1шт.

See Figure 09 -16

1шт.

1

338670A1R

REMAN-GEARBOX

Remanufactured, Wobble Box

1шт.

1

338670A1C

CORE-GEARBOX

Return Number

1шт.

2

338585A1

GUIDE

Driven

1шт.

3

369994A1

ARM

Output

1шт.

4

345893A1

PIN,31.76mm OD x 81mm L

Sickle Head

1шт.

5

219-55

LUBE NIPPLE,90 Degree Elbow, 1/8" - 27 NPTF

1шт.

7

A27827

NEEDLE BEARING,Needle, 31.75mm ID x 38.1mm OD x 31.75mm W

Needle

1шт.

8

345892A1

SEAL KIT

Sickle Head

1шт.

10

87456669

KNIFE ASSY

Fine Serrations, Inc. 33, See Note

1шт.

21.0 Foot Header

1шт.

10

87456669

KNIFE ASSY

Fine Serrations, Left-Hand, Inc. 33, See Note

1шт.

25.0, 30.0, 36.0 and 39 Foot Header

1шт.

11

1327448C1

KNIFE SECTION

SECTION, KNIFE Fine Serrations, Top-Serrated, KONDEX

83шт.

21.0 Foot Header

1шт.

11

87422350

KNIFE SECTION

Fine Serrations, Top-Serrated, BUSATIS

83шт.

21.0 Foot Header

1шт.

11

1327448C1

KNIFE SECTION

SECTION, KNIFE Fine Serrations, Top-Serrated, KONDEX

99шт.

25.0 Foot Header

1шт.

11

87422350

KNIFE SECTION

Fine Serrations, Top-Serrated, BUSATIS

99шт.

25.0 Foot Header

1шт.

11

1327448C1

KNIFE SECTION

SECTION, KNIFE Fine Serrations, Top-Serrated, KONDEX

119шт.

30.0 Foot Header

1шт.

11

87422350

KNIFE SECTION

Fine Serrations, Top-Serrated, BUSATIS

119шт.

30.0 Foot Header

1шт.

11

1327448C1

KNIFE SECTION

SECTION, KNIFE Fine Serrations, Top-Serrated, KONDEX

143шт.

36.0 Foot Header

1шт.

11

87422350

KNIFE SECTION

Fine Serrations, Top-Serrated, BUSATIS

143шт.

36.0 Foot Header

1шт.

11

1327448C1

KNIFE SECTION

SECTION, KNIFE Fine Serrations, Top-Serrated, KONDEX

153шт.

39.0 Foot Header

1шт.

11

87422350

KNIFE SECTION

Fine Serrations, Top-Serrated, BUSATIS

153шт.

39.0 Foot Header

1шт.

12

1327411C1

KNIFE SECTION

SECTION, KNIFE Half

2шт.

13

126622A1

BAR

Splice

1шт.

25.0, 30.0 and 36.0 Foot Header

1шт.

14

700708646

BOLT AND NUT,Slotted, Btn Hd, #12 - 24 x 5/8"

No. 12 x 5/8

1шт.

15

1979166C1

BOLT

No. 12 x 1-1/8

1шт.

16

1954816C1

LOCK NUT

No. 12

1шт.

17

87422041

GUARD

Special, Second, Third and Fourth at Drive End

3шт.

18

87421451

GUARD

37шт.

21.0 Foot Header

1шт.

18

87421451

GUARD

45шт.

25.0 Foot Header

1шт.

18

87421451

GUARD

55шт.

30.0 Foot Header

1шт.

18

87421451

GUARD

67шт.

36.0 Foot Header

1шт.

18

87421451

GUARD

72шт.

39.0 Foot Header

1шт.

19

87407812

GUIDE

Sickle Hold Down, Standard Guards

20шт.

21.0 Foot Header

1шт.

19

87407812

GUIDE

Sickle Hold Down, Standard Guards

24шт.

25.0 Foot Header

1шт.

19

87407812

GUIDE

Sickle Hold Down, Standard Guards

29шт.

30.0 Foot Header

1шт.

19

87407812

GUIDE

Sickle Hold Down, Standard Guards

35шт.

36.0 Foot Header

1шт.

19

87407812

GUIDE

Sickle Hold Down, Standard Guards

38шт.

39.0 Foot Header

1шт.

20

87422039

GUARD

Special, First at LH End, Standard Guard Header

1шт.

21

87422040

GUARD

Special, First at RH End, Standard Guard Header

1шт.

27

87407813

GUIDE

Sickle Hold Down, Stub Guards

40шт.

21.0 Foot Header

1шт.

27

87407813

GUIDE

Sickle Hold Down, Stub Guards

48шт.

25.0 Foot Header

1шт.

27

87407813

GUIDE

Sickle Hold Down, Stub Guards

58шт.

30.0 Foot Header

1шт.

28

87422043

GUARD

Special, First 4 at Drive End

4шт.

29

87422042

GUARD

Stub

38шт.

21.0 Foot Header

1шт.

29

87422042

GUARD

Stub

46шт.

25.0 Foot Header

1шт.

29

87422042

GUARD

Stub

56шт.

30.0 Foot Header

1шт.

33

87458207

BAR

Package of 77

1шт.

34

381137A1

KNIFE

ASSY. Fine Serrations, Right-Hand, Single Sickle Drive

1шт.

25.0 Foot Header

1шт.

34

131482A1

KNIFE ASSY

9 ft, Fine Serrations, Right-Hand, Single Sickle Drive

1шт.

30.0 Foot Header

1шт.

34

126689A1

KNIFE ASSY

15 ft, Fine Serrations, Right-Hand, Single Sickle Drive

1шт.

36.0 Foot Header

1шт.

34

87446847

KNIFE

ASSY. Fine Serrations, Right-Hand, Single Sickle Drive

1шт.

39.0 Foot Header

1шт.

35

347236A1

SCREW

No. 12 x 59/64

1шт.

36

362880A1

TUBE,6290 mm Length

Storage

1шт.

21.0 Foot Header

1шт.

36

362881A1

TUBE,7510 mm Length

Storage

1шт.

25.0 Foot Header

1шт.

36

362882A1

TUBE,9035 mm Length

Storage

1шт.

30.0 Foot Header

1шт.

36

372324A1

TUBE,10865 mm Length

Storage

1шт.

36.0 Foot Header

1шт.

36

87446850

TUBE,11627 mm L

Storage

1шт.

39.0 Foot Header

1шт.

37

344734A1

SHIELD

Right Hand End

1шт.

38

87456665

BAR

Reinforcing

1шт.

39

87408818

HEAD ASSY.

Inc. 7, 8, 40 & 41

1шт.

40

430320A1

O-RING,0.07" Thk x 1.364" ID, -28, Cl 5, 75 Duro

1шт.

41

395820A1

PLUG

1шт.

42

87408965

BAR

1шт.

43

87605712

KNIFE GUIDE

Sickle, Hold Down, Stub Guards, first 2 at L/H End

2шт.

44

370877A1

BAR

Adjuster, Stub Guards, first 2 at L/H End

2шт.

a

426-1024

BOLT,Hex, 5/8" - 11 x 1-1/2", Gr 8

1шт.

b

413-1048

BOLT,Hex, 5/8" - 11 x 3", Gr 5

1шт.

c

231-41410

NUT,5/8"-11, GB

1шт.

d

433-724

CARRIAGE BOLT,Sq Nk, 7/16" - 14 x 1 1/2", Gr 5

1шт.

433-728

CARRIAGE BOLT,Sq Nk, 7/16" - 14 x 1 3/4", Gr 5

1шт.

e

429-107

NUT,7/16"-14, G8

1шт.

g

86508732

BOLT,5/8"-11 x 2.391" Cl 8

1шт.

h

433-740

CARRIAGE BOLT,Sq Nk, 7/16" - 14 x 2 1/2", Gr 5

1шт.

433-744

CARRIAGE BOLT,Sq Nk, 7/16" - 14 x 2 3/4", Gr 5

1шт.

j

86521606

FLANGE NUT,Hex, 3/8" - 16, Gr 5

1шт.

k

88703

BOLT,Hex, 3/8" x 5/8", Gr 5, Full Thd

1шт.

l

232-5316

FLANGE NUT,Flg, 3/8"-16

1шт.

m

434-612

CARRIAGE BOLT,Sht Sq Nk, 3/8" - 16 x 3/4", Gr 5

1шт.

n

433-640

CARRIAGE BOLT,Sq Nk, 3/8" - 16 x 2 1/2", Gr 5

1шт.

r

231-5146

FLANGE NUT,3/8"-16

1шт.

s

433-732

CARRIAGE BOLT,Sq Nk, 7/16" - 14 x 2", Gr 5

1шт.

t

113-2299

BOLT,Hex, 3/8" - 16 x 3/4", SST

1шт.

u

113-2295

BOLT,Hex, 3/8" - 16 x 1", SST

3/8 x 1 Stainless Steel

1шт.

Выбрано товаров: 122