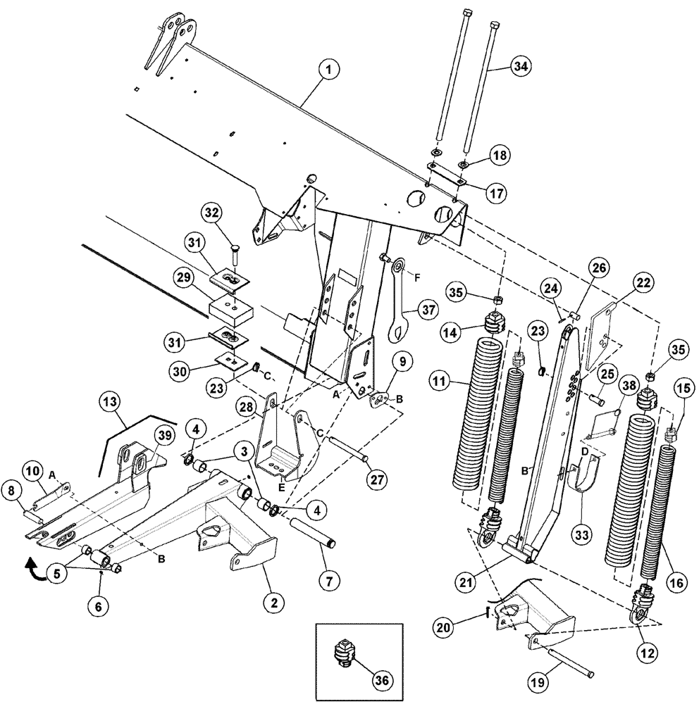
Запчасти Case IH 2052 (09-42) - FRAME AND FLOAT GROUP (03) - CHASSIS/MOUNTED EQUIPMENT

Схема запчастей Case IH 2052 - (09-42) - FRAME AND FLOAT GROUP (03) - CHASSIS/MOUNTED EQUIPMENT
32
15
21
31
24
23
2
30
19
23
35
c
b
4
f
16
8
a
e
7
18
20
36
27
c
9
31
12
4
5
d
35
28
26
29
33
13
22
6
b
34
37
11
10
14
1
b
38
25
39
17
a
3
FIT
1:1
100%

Артикул

Название

Примечание

Количество

1

NSS

NOT SOLD SEPARAT

Frame, 873 Combine Adapter

1шт.

2

87422085

ARM

Lower Pivot Arm, LH, Inc 3 - 6

1шт.

2

87422086

MEMBER

Lower Pivot Arm, RH, Inc. 3 - 6, Serial Range: -CC0016010

1шт.

2

87422146

MEMBER

Lower Pivot Arm, RH, Inc. 3 - 6, Start Serial: CC0016010

1шт.

3

A27827

NEEDLE BEARING,Needle, 31.75mm ID x 38.1mm OD x 31.75mm W

Needle, For Item 2

4шт.

4

345892A1

SEAL KIT

Kit

4шт.

5

87407804

NEEDLE BEARING,25.4 mm ID x 31.8 mm OD x 20.6 mm

Inc. Seals, Seals Face Outwards

4шт.

6

219-8

LUBE NIPPLE,1/4" - 28 NPTF

4шт.

7

87408341

PIN

Straight

2шт.

8

87422071

PIVOT PIN

2шт.

9

87457985

RETAINER

2шт.

10

87422068

SUPPORT

Pivot Pin, Left Hand

1шт.

10

87422114

SUPPORT

Pivot Pin, Right Hand

1шт.

11

48065200

SPRING

Spring With One Eyelet

4шт.

11

47882840

SPRING

Extension, Comes With 2 Spring Inserts

4шт.

One End Remove Eyelet To Mount

1шт.

12

87407801

INSERT

Spring

4шт.

13

87407822

MEMBER

Float, Serial Range: -CCC0016043

2шт.

13

87446845

FLOAT

MEMBER, Start Serial: CCC0016044

2шт.

14

87407800

INSERT

Spring

2шт.

15

87407799

INSERT

Spring

2шт.

16

382659A1

SPRING

Extension

2шт.

17

87407600

BAR

Spacer

2шт.

18

496-11081

WASHER,13/16" x 1 1/2" x .134", HDN

4шт.

19

344549A1

CLEVIS PIN

2шт.

20

32-1220

COTTER PIN,3/16" x 1 1/4"

4шт.

21

87408955

LOCK

2шт.

22

87408956

LOCK

2шт.

23

341198A1

PIN

Lynch

4шт.

24

87020816

LOCK PIN,4.76mm OD x 31.75mm L

2шт.

25

87408957

PIN

Clevis

4шт.

26

87408994

PIN

Straight

2шт.

27

87408716

CLEVIS PIN

2шт.

28

87408352

STOP

Left Hand, Serial Range: -CCC0016043

1шт.

28

87446856

STOP

Left Hand, Start Serial: CCC0016044

1шт.

28

87408351

STOP

Right Hand, Serial Range: -CCC0016043

1шт.

28

87446857

STOP

Right Hand, Start Serial: CCC0016044

1шт.

29

87408350

BUMPER

Rubber, Down Stop

2шт.

30

87408354

PLATE

Shim, Serial Range: -CCC0016043

2шт.

30

87446858

PLATE

Shim, Start Serial: CCC0016044

2шт.

31

87408353

PLATE

Stop, Serial Range: -CCC0016043

4шт.

31

87446855

PLATE

Stop, Start Serial: CCC0016044

4шт.

32

419-2840

PLOW BOLT,#3, 1/2" - 13 x 2 1/2", Gr 5

4шт.

33

87408998

HOLDER

Driveline

1шт.

34

87408344

BOLT

3/4 x 20-1/2, Full Thread

4шт.

35

425-1012

NUT,3/4"-10, G5

4шт.

36

1336887C1

INSERT

Spring, For 21.0 Ft Headers With No Inner Spring

4шт.

37

87422128

POINTER

Header Angle

1шт.

For Case AFX Combines, Remove Cut-out at Top Mounting Hole to Enlarge Hole

1шт.

38

87461309

PIN

Safety Lock

1шт.

39

87461421

PLATE

Reinforcement (Welded)

4шт.

a

33-616

CARRIAGE BOLT,Sq Nk, 3/8" - 16 x 1", Gr 5

1шт.

b

232-5316

FLANGE NUT,Flg, 3/8"-16

1шт.

c

495-81042

WASHER,25/32" x 1 1/2" x .120"

1шт.

d

434-612

CARRIAGE BOLT,Sht Sq Nk, 3/8" - 16 x 3/4", Gr 5

1шт.

e

231-5348

FLANGE NUT,Flg, 1/2"-13

1шт.

f

129-390

JAM NUT,Jam, 5/8"-11, G5

1шт.

Выбрано товаров: 57