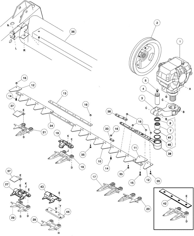
Запчасти Case IH 2062 (09-08) - KNIFE ASSEMBLY (03) - CHASSIS/MOUNTED EQUIPMENT

Схема запчастей Case IH 2062 - (09-08) - KNIFE ASSEMBLY (03) - CHASSIS/MOUNTED EQUIPMENT
e
u
8
b
29
36
c
16
35
e
14
17
t
38
37
k
4
15
2
40
d
j
d
13
j
c
e
12
k
e
34
e
l
12
c
28
19
35
20
14
35
h
g
b
37
a
39
5
16
d
18
3
1
n
43
e
7
e
41
m
27
d
42
33
b
s
10
11
16
r
44
16
21
FIT
1:1
100%

Артикул

Название

Примечание

Количество

1

338670A1

DRIVE

Knife Drive

1шт.

See Figure 09 -12

1шт.

1

338670A1R

REMAN-GEARBOX

Remanufactured, Wobble Box

1шт.

1

338670A1C

CORE-GEARBOX

Return Number

1шт.

2

338585A1

GUIDE

1шт.

3

369994A1

ARM

1шт.

4

345893A1

PIN,31.76mm OD x 81mm L

1шт.

5

219-55

LUBE NIPPLE,90 Degree Elbow, 1/8" - 27 NPTF

1шт.

7

A27827

NEEDLE BEARING,Needle, 31.75mm ID x 38.1mm OD x 31.75mm W

1шт.

8

345892A1

SEAL KIT

1шт.

10

87456670

KNIFE ASSY

Coarse Serrations, Complete, Left Hand, Inc. 33

1шт.

30.0 and 36.0 Foot Header

1шт.

11

87422066

KNIFE SECTION

Coarse Serrations, Top-Serrated

119шт.

30.0 Foot Header

1шт.

11

87422066

KNIFE SECTION

Coarse Serrations, Top-Serrated

143шт.

36.0 Foot Header

1шт.

12

1327411C1

KNIFE SECTION

SECTION, KNIFE Half

2шт.

13

126622A1

BAR

1шт.

14

700708646

BOLT AND NUT,Slotted, Btn Hd, #12 - 24 x 5/8"

No. 12 x 5/8

1шт.

15

1979166C1

BOLT

No. 12 x 1-1/8

1шт.

16

1954816C1

LOCK NUT

No. 12

1шт.

17

87422041

GUARD

Special, Second, Third and Fourth at Drive End

3шт.

18

87421451

GUARD

1шт.

19

87407812

GUIDE

1шт.

20

87422039

GUARD

Special Stub, First at LH End, Standard Guard Header

1шт.

21

87422040

GUARD

Special Stub, First at RH End, Standard Guard Header

1шт.

28

87422043

GUARD

Special Stub, First 4 at Drive End

4шт.

33

87458207

BAR

Reinforcement

1шт.

34

87422088

KNIFE ASSY

Coarse Serrations, Right-Hand

1шт.

30.0 Foot Header

1шт.

34

87422089

KNIFE ASSY

Coarse Serrations, Right-Hand

1шт.

36.0 Foot Header

1шт.

35

347236A1

SCREW

No. 12 x 59/64

1шт.

36

362882A1

TUBE,9035 mm Length

Storage

1шт.

30.0 Foot Header

1шт.

36

372324A1

TUBE,10865 mm Length

Storage

1шт.

36.0 Foot Header

1шт.

37

344734A1

SHIELD

Right-Hand End

1шт.

38

87456665

BAR

Reinforcing

1шт.

39

87408818

HEAD ASSY.

Inc. 7, 8, 40 & 41

1шт.

40

430320A1

O-RING,0.07" Thk x 1.364" ID, -28, Cl 5, 75 Duro

1шт.

41

395820A1

PLUG

1шт.

42

87408965

BAR

Support, Cutterbar Flex Joint

4шт.

43

87605712

KNIFE GUIDE

Sickle, Hold down, Stub Guards, First Two At L/H End

2шт.

44

370877A1

BAR

Adjuster, Hold down, Stub Guards, First Two At L/H End

2шт.

a

426-1024

BOLT,Hex, 5/8" - 11 x 1-1/2", Gr 8

1шт.

b

413-1048

BOLT,Hex, 5/8" - 11 x 3", Gr 5

1шт.

c

231-41410

NUT,5/8"-11, GB

1шт.

d

433-724

CARRIAGE BOLT,Sq Nk, 7/16" - 14 x 1 1/2", Gr 5

1шт.

433-728

CARRIAGE BOLT,Sq Nk, 7/16" - 14 x 1 3/4", Gr 5

1шт.

e

429-107

NUT,7/16"-14, G8

1шт.

g

86508732

BOLT,5/8"-11 x 2.391" Cl 8

1шт.

h

433-740

CARRIAGE BOLT,Sq Nk, 7/16" - 14 x 2 1/2", Gr 5

1шт.

433-744

CARRIAGE BOLT,Sq Nk, 7/16" - 14 x 2 3/4", Gr 5

1шт.

j

86521606

FLANGE NUT,Hex, 3/8" - 16, Gr 5

1шт.

k

88703

BOLT,Hex, 3/8" x 5/8", Gr 5, Full Thd

1шт.

l

232-5316

FLANGE NUT,Flg, 3/8"-16

1шт.

m

434-612

CARRIAGE BOLT,Sht Sq Nk, 3/8" - 16 x 3/4", Gr 5

1шт.

n

433-640

CARRIAGE BOLT,Sq Nk, 3/8" - 16 x 2 1/2", Gr 5

1шт.

r

231-5146

FLANGE NUT,3/8"-16

1шт.

s

433-732

CARRIAGE BOLT,Sq Nk, 7/16" - 14 x 2", Gr 5

For Ref. 37 With Stub Guards

1шт.

t

113-2299

BOLT,Hex, 3/8" - 16 x 3/4", SST

1шт.

u

113-2295

BOLT,Hex, 3/8" - 16 x 1", SST

3/8 x 1 Stainless Steel

1шт.

Выбрано товаров: 63