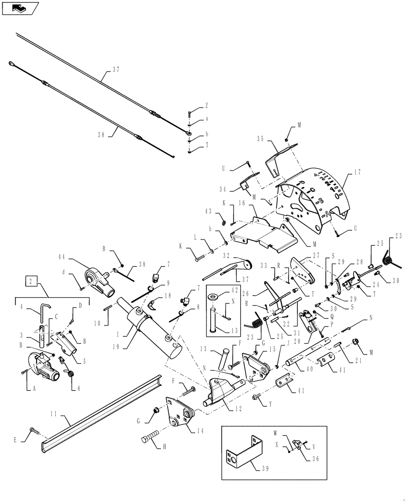
Запчасти Case IH 2142 (09-60) - ADAPTER HYDRAULIC CENTER LINK WITH FLOAT AND TILT INDICATORS

Схема запчастей Case IH 2142 - (09-60) - ADAPTER HYDRAULIC CENTER LINK WITH FLOAT AND TILT INDICATORS
m
28
u
c
40
20
home
35
25
32
w
a
b
44
30
f
7
21
33
9
31
1
h
5
43
t
m
p
19
13
n
16
g
15
q
k
27
3
s
s
10
13
g
y
14
b
4
r
r
k
j
37
17
11
8
26
29
b
37
d
30
36
7
m
n
29
41
u
n
d
b
34
l
38
18
6
e
41
t
24
23
42
12
a
m
22
z
t
39
v
25
b
23
38
2
f
x
FIT
1:1
100%

Артикул

Название

Примечание

Количество

NSS

NOT SOLD SEPARAT

KIT, Hydraulic Center Link, Also See Figure 09-71

1шт.

Available Through Whole Goods Only, Order B4820

1шт.

1

87597419

CYLINDER,Double Acting, 31.8mm Rod

Hydraulic Center Link

1шт.

For Hose Connections to Cylinder, See Figure 09-62

1шт.

87597508

SEAL KIT

Hydraulic Cylinder

1шт.

2

87597445

HOOK

Top Link, Inc. 3 - 6

1шт.

3

87597499

PIN

1шт.

4

87597507

ROD

Actuator

1шт.

5

87597461

LATCH

Handle

1шт.

6

87597514

LATCH ASSY.

1шт.

7

218-5105

ELBOW,90 Degree Elbow, 9/16" - 18 Male JIC x 9/16" - 18 Male ORB

Inc. O-Ring

2шт.

237-6006

O-RING,0.078" Thk x 0.468" ID, -906, Cl 6, 90 Duro

1шт.

8

87407803

FASTENER

Cable Tie, Green

1шт.

9

87407798

FASTENER

Cable Tie, Red

1шт.

10

38-11230

LOCK PIN

1шт.

11

87597371

COVER ASSY

Hose

1шт.

12

87597363

CLEVIS

With Pin, Serial Range: -Y7ZN00301

1шт.

12

87712720

CLEVIS

With Short Pin, Start Serial: Y7ZN00301

1шт.

12

84347297

PIVOT

, Start Serial: Y7ZN00301

1шт.

13

344688A1

CLEVIS PIN

1шт.

14

87753040

BRACKET

Top Link, Left Hand

1шт.

15

87753039

BRACKET

Top Link, Right Hand

1шт.

16

87628382

COVER ASSY

1шт.

17

87597454

BRACKET

Indicator

1шт.

18

87597337

ANCHOR

1шт.

19

86050197

HOSE CLAMP,58.6mm - 82.5mm, Worm Gear

Gear Type

1шт.

20

87597343

ARM

1шт.

21

38-12032

LOCK PIN,5/16" x 2", Slotted

1шт.

22

87597496

PIN

Indicator Pivot

1шт.

23

87597515

SPRING

Torsion

2шт.

24

87597455

INDICATOR

Float

1шт.

25

87597357

BUSHING

5шт.

26

87597456

INDICATOR

Header Angle

1шт.

27

87597341

ARM ASSY.

Pivot, Auto Header Height

1шт.

28

87597492

LINK

1шт.

29

87597358

BUSHING

2шт.

30

87597347

BOLT,1/4" - 20 x 2-1/2"

3шт.

31

87597497

PIN

"D" End, 45 mm Long, Auto Header Height

1шт.

32

87597500

PULLEY ASSY.

Control, Auto Header Height

1шт.

33

87597498

PIN,6.35mm OD x 29mm L

"D" End, 29 mm Long, Auto Header Height

1шт.

34

87597350

BRACKET

Angle Indicator Cable

1шт.

35

87597349

BRACKET

Auto Header Height Cable

1шт.

36

87597338

BRACKET

1шт.

37

87597360

CABLE,4495.8mm L

Auto Header Height to Control Pulley

1шт.

38

87597359

CABLE,1270mm L

Angle, Serial Range: Indicator-Cylinder

1шт.

40

87712721

PIN ASSY.

Bolt on Extension

1шт.

41

87712722

COUPLING

Shaft

2шт.

42

NSS

NOT SOLD SEPARAT

WASHER, Flat, Short Link Only

1шт.

43

1336064C1

CABLE TIE

CABLE STRAP

3шт.

44

84347296

EYE

Cylinder End

1шт.

a

87405

BOLT,Hex, 1/4" - 20 x 2 1/4", Gr 5

1шт.

b

230-4244

LOCK NUT,1/4"-20, GA

1шт.

c

280112

BOLT,Hex, 1/4" - 20 x 1-1/2", Gr 5

1шт.

d

87585926

SELF-TAP SCREW,1/4" x 1/2"

1шт.

e

409-768

BOLT,Hex Flg, 3/8" - 16 x 1/2", Spcl

1шт.

f

433-1024

CARRIAGE BOLT,Sq Nk, 5/8" - 11 x 1 1/2", Gr 5

1шт.

g

86521611

FLANGE NUT,Flg, 5/8"-11

1шт.

h

86502676

BOLT,Hex, 3/4" - 10 x 8 1/2", Gr 5

1шт.

j

231-42412

NUT,3/4"-10, GB

1шт.

k

88434

BOLT,Hex, 3/8" - 16 x 3/4", Gr 5

1шт.

l

492-11038

LOCK WASHER,3/8"

1шт.

m

86521609

FLANGE NUT,Flg, 3/8"-16

1шт.

n

88350

COTTER PIN,5/32" x 1-1/2"

1шт.

p

113-235

BOLT,Hex, 3/8" - 16 x 1-3/4", Gr 5, Full Thd

1шт.

q

9628503

NUT,3/8"-16, G5

1шт.

r

80755

COTTER PIN,1/8" OD x 1" L

1шт.

s

495-11034

WASHER,5/16", SAE

1шт.

t

230-4244

LOCK NUT,1/4"-20, GA

1шт.

u

86508748

CARRIAGE BOLT,Short Square Neck, 3/8" - 16 x 3/4", Grade 5

1шт.

v

9849620

CARRIAGE BOLT,Sq Nk, #10 - 24 x 5/8", Gr 5, Full Thd

1шт.

w

495-31019

WASHER,0.19" ID x 0.38" OD x 0.05" Thk

1шт.

x

88836

LOCK NUT,Prev Torque - Non-Dir, #10 - 24, Gr A

1шт.

y

88436

BOLT,Hex, 3/8" - 16 x 2", Gr 5

1шт.

z

87716

BOLT,1/4"-20 x 1-1/4", Cl 5

1шт.

aa

495-11028

WASHER,1/4", SAE

1шт.

bb

495-81135

WASHER,10.31mm ID x 25.4mm OD x 3.4mm Thk

1шт.

Выбрано товаров: 76