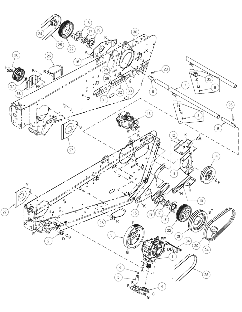
Запчасти Case IH 2152 (09-12) - TIMED KNIFE DRIVE - DOUBLE SICKLE HEADERS

Схема запчастей Case IH 2152 - (09-12) - TIMED KNIFE DRIVE - DOUBLE SICKLE HEADERS
35
k
j
p
e
t
2
22
r
b
11
30
37
dd
j
z
32
3
g
9
9
17
l
14
29
y
f
hh
r
r
u
m
5
j
d
m
19
w
c
f
gg
x
18
13
j
f
n
23
27
6
z
v
23
17
ff
26
aa
24
c
s
s
2
25
27
16
k
k
15
7
g
h
38
9
q
9
ee
2
a
21
bb
10
28
25
18
1
20
k
36
31
34
q
4
6
8
j
k
24
33
8
g
h
22
FIT
1:1
100%

Артикул

Название

Примечание

Количество

1

338670A1

DRIVE

Sickle

2шт.

See Figure 09-14

1шт.

1

338670A1R

REMAN-GEARBOX

Remanufactured, Wobble Box

2шт.

1

338670A1C

CORE-GEARBOX

Return Number

2шт.

2

87561226

PLATE

Knife Drive, Locating Tab

2шт.

3

87559126

PULLEY

Knife Drive

2шт.

4

369994A1

ARM

Output

2шт.

5

345893A1

PIN,31.76mm OD x 81mm L

Sickle Head

2шт.

6

80719

LUBE NIPPLE,1/8" NPT

2шт.

7

87561639

TUBE,5870 mm L

Cross Shaft

1шт.

20.0 Foot Header

1шт.

7

87560321

TUBE,7392 mm L

Cross Shaft

1шт.

25.0 Foot Header

1шт.

7

87560322

TUBE,8916 mm L

Cross Shaft

1шт.

30.0 Foot Header

1шт.

7

87561640

TUBE,10440 mm L

Cross Shaft

1шт.

35.0 Foot Header

1шт.

8

86585176

LUBE NIPPLE,90 Degree, 1/4" NPT x .75" lg

2шт.

9

87561509

SHAFT

Cross

1шт.

20.0 Foot Header

1шт.

9

87561510

SHAFT

Cross

1шт.

25.0 Foot Header

1шт.

9

87561511

SHAFT

Cross

1шт.

30.0 Foot Header

1шт.

9

87561512

SHAFT

Cross

1шт.

35.0 Foot Header

1шт.

9

87561513

SHAFT

Cross

1шт.

40.0 Foot Header

1шт.

10

87589372

SUPPORT ASSY.

Lower, Motor, Serial Range: -Y8ZN00500

1шт.

10

87752697

SUPPORT

Lower, Motor, Start Serial: Y8ZN00501

1шт.

11

87560331

SUPPORT

Motor Mount, Serial Range: -Y8ZN00500

1шт.

11

87752698

SUPPORT

Motor Mount, Start Serial: Y8ZN00501

1шт.

12

87589371

SUPPORT ASSY.

Drive, Serial Range: -Y8ZN00500

1шт.

12

87752698

SUPPORT

Drive, Start Serial: Y8ZN00501

1шт.

13

87561182

HYDRAULIC MOTOR

Knife Drive

1шт.

Timed Motor, Motor Has 2 Slotted Mounting Bolts

1шт.

84376780

SEAL KIT

1шт.

14

87561231

PULLEY

Drive, Double

1шт.

20.0 And 25.0 Foot Header

1шт.

14

87561232

PULLEY

Drive, Double

1шт.

30.0, 35.0, 40.0 and 45.0 Foot Headers

1шт.

15

87561615

SUPPORT

Pulley, Left Hand, Serial Range: -Y8ZN00500

1шт.

15

87752696

SUPPORT

Pulley, Left Hand, Start Serial: Y8ZN00501

1шт.

16

87561614

SUPPORT

Pulley, Right Hand

1шт.

17

554651R91

SPARE PART

Cross Shaft

2шт.

18

202909C1

BEARING HOUSING

Outer

2шт.

19

470745R91

FLANGED BEARING

Inner

2шт.

20

87560522

SET OF BELTS,16.00 mm W x 1159.00 mm L

V-Belt, Timing, Double

1шт.

20.0 And 25.0 Foot Header

1шт.

20

87566355

SET OF BELTS,16.00 mm W x 1130.00 mm L

V-Belt, Timing, Double

1шт.

30.0, 35.0, 40.0 and 45.0 Foot Headers

1шт.

21

87560298

PULLEY

1шт.

22

87560332

SPROCKET

Timing, 72 Teeth

2шт.

23

126-28

WOODRUFF KEY,#18, 1/4" x 1 1/8"

Cross Shaft

2шт.

24

D78571

BUSHING

Cross Shaft

2шт.

25

87566357

BELT

Timing

2шт.

26

87561104

GUIDE

Belt

2шт.

27

338746A1

SHIELD

Drive Box

2шт.

28

219-439

ADAPTER,90 Degree, 1/4"-1/8 NPTF

2шт.

29

87566762

INSERT

2шт.

30

87560320

HOSE

2шт.

31

87566763

FITTING

2шт.

32

495-11041

WASHER,0.406" ID x 0.812" OD x 0.065" W

2шт.

33

80710

LUBE NIPPLE,1/8” – 27 Dryseal PTF

2шт.

34

87585427

SENDER UNIT

Speed, Windrower Headers Only

1шт.

35

87752700

PLATE

2шт.

30.0 And 35.0 Foot Header

1шт.

36

87752648

PULLEY

Idler

2шт.

37

87752695

SPACER,15.9mm ID x 31.8mm OD x 17mm L

Pulley

2шт.

38

87472957

SUPPORT

Pulley

2шт.

a

87566365

BOLT

1шт.

b

87566364

BOLT

1шт.

c

87566801

WASHER,16.48mm ID x 34.09mm OD x 4.42mm Thk

1шт.

d

87670

BOLT,1/2" - 13 x 1-1/4", Full Thd, Gr 5

1шт.

e

231-4148

NUT,1/2"-13, GB

1шт.

f

87338

BOLT,Hex, 5/8" - 11 x 3", Gr 5

1шт.

g

231-41410

NUT,5/8"-11, GB

1шт.

h

86624159

WASHER,0.78" ID x 2" OD x 0.18" Thk

1шт.

j

280486

CARRIAGE BOLT,Sq Nk, 1/2" - 13 x 1", Gr 5, Full Thd

1шт.

k

87323841

FLANGE NUT

1шт.

l

9847025

LOCK WASHER,21.2mm ID x 33.6mm OD x 6mm Thk

1шт.

m

231-41412

NUT,3/4"-10, GB

1шт.

n

87868

CARRIAGE BOLT,Sq Nk, 1/2" - 13 x 1 1/4", Gr 5, Full Thd

1шт.

p

88095

LOCK NUT,3/4"-16, GA

1шт.

q

86508748

CARRIAGE BOLT,Short Square Neck, 3/8" - 16 x 3/4", Grade 5

1шт.

r

86521609

FLANGE NUT,Flg, 3/8"-16

1шт.

s

492-11038

LOCK WASHER,3/8"

1шт.

t

88011

BOLT,Hex, 3/8" - 16 x 1 1/4", Gr 5

1шт.

u

87012913

BOLT

1шт.

v

86512371

SERRATED NUT,Flg, USR, 1/2"-13

1шт.

w

87566367

BOLT

1шт.

x

87530607

NUT

1шт.

y

409-768

BOLT,Hex Flg, 3/8" - 16 x 1/2", Spcl

1шт.

z

495-81042

WASHER,25/32" x 1 1/2" x .120"

1шт.

aa

95-21056

WASHER,1/2"

1шт.

ff

433-1040

CARRIAGE BOLT,Sq Nk, 5/8" - 11 x 2 1/2", Gr 5

1шт.

gg

492-11062

BEARING WASHER,5/8"

1шт.

hh

425-1010

NUT,5/8"-11, G5

1шт.

Выбрано товаров: 98