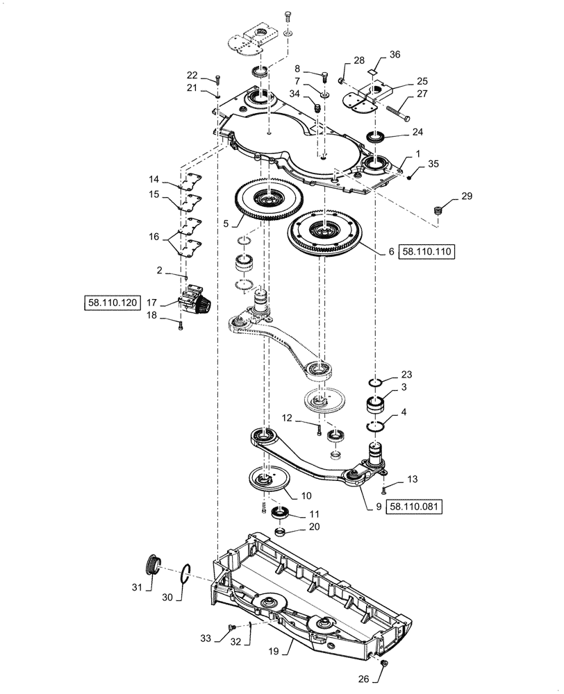
Запчасти Case IH 3152 (58.110.06[03]) - GEARBOX ASSY, CENTER KNIFE, ASN YHH051300 (58) - ATTACHMENTS/HEADERS

Схема запчастей Case IH 3152 - (58.110.06[03]) - GEARBOX ASSY, CENTER KNIFE, ASN YHH051300 (58) - ATTACHMENTS/HEADERS
23
2
12
33
17
7
11
32
34
21
24
5
27
8
16
14
3
20
6
58.110.120
19
28
10
36
58.110.110
18
30
58.110.081
31
4
35
25
29
15
26
1
13
22
9
FIT
1:1
100%

Артикул

Название

Примечание

Количество

1

47663335

HOUSING

Assy, Center Knife

1шт.

2

64780

DOWEL,1/4" x 1/2", HDN

4шт.

3

84312461

NEEDLE BEARING

2шт.

4

360936R1

RING

2шт.

5

47663339

1шт.

6

47663338

Oil, M20 x 1.5

1шт.

7

143479

WASHER,15.08" ID x 31.75" OD x 3.5" Thk

2шт.

8

43260

BOLT,Hex, M12 x 1.75 x 30mm, Cl 10.9, Full Thd

2шт.

9

47949114

2шт.

10

84357207

BELLCRANK

2шт.

11

84521587

BEARING, ROLLER, CYL,35mm ID x 62mm OD x 14mm W

2шт.

12

84000811

SCREW,M8 x 35mm, Cl 8.8

4шт.

13

14442124

SCREW,Flat Csk Hd, M8 x 1.25 x 25mm, Cl 8.8

4шт.

14

84368116

SHIM,53mm OD x 0.53mm Thk

1шт.

15

84368117

SHIM

1шт.

16

84368118

SHIM

2шт.

17

84312907

1шт.

18

86625220

HEX SOC SCREW,M8 x 25mm, Cl 8.8

4шт.

19

47484097

HOUSING

1шт.

20

84520855

SPACER

2шт.

21

86624184

WASHER,9mm ID x 16mm OD x 1.6mm Thk

22шт.

22

43128

BOLT,M8 x 1.25 x 30mm, Cl 8.8

22шт.

23

101-11175

SNAP RING,#175, 1.640", Ext

2шт.

24

47677096

OIL SEAL

2шт.

25

47709321

ARM

2шт.

26

1350997

PLUG,Rnd Hd, Int Hex Skt, M16 x 1.5 x 17.30mm, ORB

1шт.

27

86508622

BOLT,Hex, M12 x 1.75 x 100mm, Cl 10.9

2шт.

28

412672

NUT,Hex, M12 x 1.75, Cl 10

2шт.

29

509939

PLUG

1шт.

30

14460580

O-RING,2.675" ID x 0.103" Width

1шт.

31

84367752

SPACER,36.5mm ID x 76mm OD x 27.5mm L

1шт.

32

86622500

WASHER,13.49mm ID x 22.2mm OD x 1.36mm Thk

1шт.

33

84412628

BOLT

1шт.

34

86539157

BREATHER,3/8" Gas

1шт.

35

56513

PLUG,Hex Soc, 1/8" - 27 NPT

2шт.

36

48049923

DECAL

2шт.

Выбрано товаров: 36