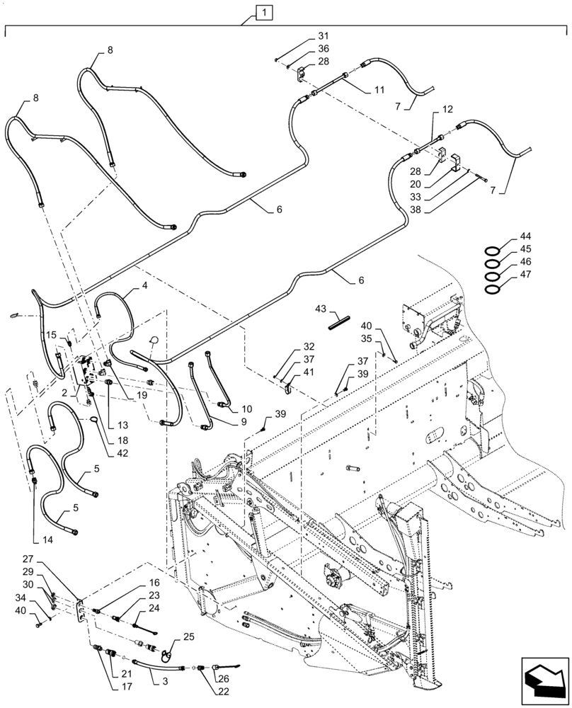
Запчасти Case IH 3152 (88.058.12[05]) - HYDRAULIC SYSTEM, VERTICAL KNIFE, 25, 30 FT (88) - ACCESSORIES

Схема запчастей Case IH 3152 - (88.058.12[05]) - HYDRAULIC SYSTEM, VERTICAL KNIFE, 25, 30 FT (88) - ACCESSORIES
34
1
11
31
37
3
21
28
6
33
39
27
40
25
15
20
43
39
8
45
37
36
19
10
26
29
7
41
16
17
5
35
13
32
12
18
38
2
28
9
4
8
30
24
23
5
44
22
6
40
46
14
42
47
7
FIT
1:1
100%

Артикул

Название

Примечание

Количество

1

47460117

SERVICE KIT

Incl 2 - 43

1шт.

2

84161894

HYDRAULIC VALVE

1шт.

3

47405008

HOSE

Incl 3

2шт.

4

47405570

HOSE

1шт.

5

47405566

HOSE

2шт.

6

47460124

HOSE

Incl 45

2шт.

7

47460125

HOSE

Incl 45

2шт.

8

47460123

HOSE

2шт.

9

84241720

HYD TUBE,16 mm OD

1шт.

10

84241724

HYD TUBE,16 mm OD

1шт.

11

47384989

TUBE

Assy

1шт.

12

47405372

TUBE

Assy

1шт.

13

86579680

HYD CONNECTOR,1"-14 ORFS x M22 x 1.5mm ORB

Incl 45, 47

2шт.

14

86579679

HYD CONNECTOR,1"-14 ORFS x M18 x 1.5 ORB

Incl 45, 46

3шт.

15

86579671

HYD CONNECTOR,11/16" - 16 ORFS x M14 x 1.5 ORB

1шт.

16

87381297

HYD CONNECTOR

1шт.

17

87381299

HYD CONNECTOR

4шт.

18

86579693

ELBOW,90 Degree, 1"-14 ORFS x M18 x 1.5 ORB

Incl 45, 46

1шт.

19

86579694

ELBOW,90 Degree, 1"-14 ORFS x M22 x 1.5 ORB

Incl 45, 47

2шт.

20

84814948

SUPPORT

2шт.

21

86592079

COUPLING, QUICK, FEM

4шт.

22

86592080

QUICK MALE COUPLING

4шт.

23

86592081

COUPLING, QUICK, FEM

1шт.

24

86592085

DUST CAP

1шт.

25

86592083

DUST CAP

2шт.

26

86621124

DUST CAP

2шт.

27

47386310

PLATE

2шт.

28

430356

CLAMP

4шт.

29

87010704

BHD LOCK NUT,11/16"-16

1шт.

30

86639085

BHD LOCK NUT,1"-14, Bulkhead

4шт.

31

9706755

NUT,M6, Cl 8

2шт.

32

9706690

NUT,M8 x 1.25, Cl 8

18шт.

33

86588450

WASHER,6.6mm ID x 12mm OD x 1.6mm Thk

2шт.

34

86624184

WASHER,9mm ID x 16mm OD x 1.6mm Thk

4шт.

35

86625263

WASHER,9mm ID x 20mm OD x 1.6mm Thk

14шт.

36

322357

BELLEVILLE WASHER,M6 Bolt Size x 14mm OD x 1.3mm Thk

2шт.

37

322358

BELLEVILLE WASHER,M8 Bolt Size x 18mm OD x 1.4mm Thk

22шт.

38

120056

BOLT,M6 x 1.0 x 54.15mm, Cl 8.8

2шт.

39

86624003

BOLT,Hex, M8 x 14mm, Cl 8.8, Full Thd

4шт.

40

120104

BOLT,Hex, M8 x 1.25 x 20mm, Cl 8.8

18шт.

41

600427

CLAMP,25.4mm, Coat, 8.7mm Bolt Hole, P Type

14шт.

42

86566989

CABLE TIE,208mm L

10шт.

43

NH291525

EDGE

1шт.

44

167269

O-RING,0.097" Thk x 0.755" ID, -910, Cl 6, 90 Duro

Incl 3

4шт.

45

9992069

O-RING,0.07" Thk x 0.614" ID, -16, Cl 6, 90 Duro

Incl 6, 7, 13, 14, 17, 18

18шт.

46

86598101

O-RING,2.2mm Thk x 15.3mm ID, Cl 6, 90 Duro

Incl 14, 18

4шт.

47

86598102

O-RING,2.2mm Thk x 19.3mm ID, Cl 6, 90 Duro

Incl 13, 19

4шт.

Выбрано товаров: 47