Запчасти Case IH 6500 (9-16) - KNIFE AND KNIFE DRIVE, 21, 25 AND 30 FOOT HEADERS (09) - CHASSIS/ATTACHMENTS

Схема запчастей Case IH 6500 - (9-16) - KNIFE AND KNIFE DRIVE, 21, 25 AND 30 FOOT HEADERS (09) - CHASSIS/ATTACHMENTS
FIT
1:1
100%

Артикул

Название

Примечание

Количество

2

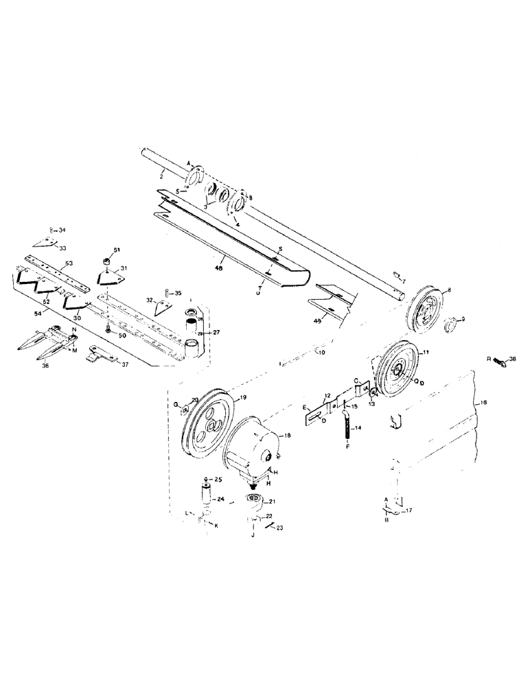
1336603C1

SHAFT

- knife drive, 21' header

1шт.

2

1336604C1

SHAFT

- knife drive, 25' header

1шт.

2

1336605C1

SHAFT

- knife drive, 30' header

1шт.

3

557116R91

BALL BEARING,30.16mm ID x 62mm OD x 18mm W

BEARING - spherical O.D.

3шт.

3

557117R11

COLLAR

COLLAR - lock

3шт.

4

565631R1

BEARING CAP,2.441" ID x 4.4375" OD x 0.34375"

- bearing

3шт.

5

670375R11

FLANGE

ASSEMBLY - bearing, (With fitting)

3шт.

a

598809R1

CARRIAGE BOLT,Sht Sq Nk, 3/8" - 16 x 3/4", Gr 5

BOLT - round head square neck, 3/8 NC x 3/4 inch

9шт.

b

482256R1

BEARING LOCK NUT,Flg, USR, 3/8"-16

- serrated flange lock, 3/8 inch NC

9шт.

7

124556

WOODRUFF KEY,#18, 1/4" x 1 1/8", HT

2шт.

8

1336606C1

PULLEY

- knife drive, 21' and 25' headers

1шт.

8

1336607C1

PULLEY

- knife drive, 30' header

1шт.

9

1336608C1

BUSHING

S - taper lock, c/w bolts

1шт.

10

1336609C1

V-BELT,3256.00 mm L

Knife Drive, 21' and 25' Headers 3256.00 mm L

1шт.

10

1336610C1

V-BELT,3231.00 mm L

Knife Drive, 30' Header 3231.00 mm L

1шт.

11

1336615C1

PULLEY

IDLER - back side

1шт.

12

1336613C1

ARM

- idler

1шт.

d

9413956

LOCK NUT,1/2"-13, GB

NUT - lock, 1/2 inch NC distorted thred

2шт.

e

180173

BOLT,Hex, 1/2" - 13 x 1", Gr 5

1шт.

13

1336616C1

WASHER

- flat

1шт.

c

486180R1

CARRIAGE BOLT,Sq Nk, 1/2" - 13 x 2 1/4", Gr 5

BOLT - round head square neck, 1/2 NC x 2-1/4 inch

1шт.

q

NLS

NO LONGER SERVICED

- flat, 17/32 inch I.D.

2шт.

14

1336614C1

ROD

- tightener

1шт.

f

120378

NUT,Hex, 1/2" - 13, Gr 5

NUT, 1/2"-13, G5

1шт.

15

103385

COTTER PIN,1/8" x 1"

PIN, SPLIT (COTTER), 1/8" x 1"

1шт.

16

1336684C1

SHIELD

- L/H c/w decals

1шт.

17

1336685C1

PIVOT

- shield bottom

1шт.

a

598809R1

CARRIAGE BOLT,Sht Sq Nk, 3/8" - 16 x 3/4", Gr 5

BOLT - round head square neck, 3/8 NC x 3/4 long

1шт.

b

482256R1

BEARING LOCK NUT,Flg, USR, 3/8"-16

- serrated flange lock, 3/8 inch NC

1шт.

18

REF

INSTRUCTION

BOX - wobble, see page 9-26

1шт.

h

426-1032

BOLT,Hex, 5/8" - 11 x 2", Gr 8

CAPSCREW - hex head, 5/8 NC x 2 inch, grade 8

4шт.

19

1336611C1

PULLEY

- driven, knife

1шт.

20

1336618C1

WASHER

- flat

1шт.

g

9413962

LOCK NUT,3/4"-10, GB

NUT - lock, 3/4 inch NC distorted thread

1шт.

21

1336648C1

ARM

- drive

1шт.

22

1336649C1

WASHER

- flat

1шт.

j

425-1812

SLOTTED NUT,3/4"-10, G5, Thk

- slotted hex, 3/4 inch NC

1шт.

23

132-345

COTTER PIN,3/16" x 1 1/2"

PIN, SPLIT (COTTER), 3/16" x 1 1/2"

1шт.

24

1336650C1

PIN

- knife head

1шт.

k

113-601

BOLT,Hex, 5/8" - 11 x 3", Gr 5

1шт.

l

9413960

LOCK NUT,5/8"-11, GB

NUT - lock, 5/8 inch NC distorted thread

1шт.

25

109461

LUBE NIPPLE,1/8"-27 x .66 lg

NIPPLE, LUBE, 1/8"-27 x .66 lg

1шт.

27

1336679C1

HEAD

ASSEMBLY - knife

1шт.

28

324103R91

OIL SEAL

SEAL - head

1шт.

28

252050C91

OIL SEAL

-, Serial Range: alternate-324103R91

1шт.

29

1336681C1

BEARING, NEEDLE

BEARING - needle

1шт.

30

1960391C1

KNIFE

L/H KNIFE ASSEMBLY - less head, 25', 30' header

1шт.

31

596321R3

KNIFE SECTION

SECTION - knife, over serrated

1шт.

32

825277C1

KNIFE SECTION

SECTION - half, L/H

1шт.

33

619078R1

KNIFE

SECTION - half, R/H

1шт.

34

28611R1

RIVET,Oval Hd, .203" x 5/8"

- round head, .208 dia. x 5/8 inch

1шт.

35

14771R1

BOLT (SPREADER)

RIVET - round head, .208 dia. x 1 inch

11шт.

36

483500R3

GUARD

- (First 3 guards at L/H end)

3шт.

REF: #36 - 483500R3 IS A STANDARD GUARD, NOWS THERE'S A DOUBLE HEAT TREATED GUARD PART NUMBER IS 187346A1.

1шт.

36

613838R2

GUARD

- knife

1шт.

REF: #36A - 613838R2 IS A STANDARD GUARD, NOWS THERE'S A DOUBLE HEAT TREATED GUARD PART NUMBER IS 187350A1.

1шт.

m

489243R1

BOLT,7/16"-14 x 1 1/4", G8

- plow, 7/16 NC x 1-1/4 inch (Thru guard only)

1шт.

m

489245R1

BOLT (SPREADER),7/16"-14 x 1 1/2", G8

BOLT - plow, 7/16 NC x 1-1/2 inch (Thru guard and clip)

1шт.

n

NLS

NO LONGER SERVICED

NUT - hex, 7/16 inch NC

1шт.

37

613842R2

GUIDE

CLIP - hold down

1шт.

38

188029C1

LATCH

FASTENER - 1/4 turn

2шт.

r

120393

BEARING WASHER,5/16", SAE

WASHER - flat, 11/32 inch I.D.

2шт.

48

1336686C1

SHIELD

- drive shaft, R/H, 21' header

1шт.

48

1336687C1

SHIELD

- drive shaft, R/H, 25' header fixed opening

1шт.

48

1960344C1

SHIELD

- drive shaft, R/H, 25' header adjustable opening

1шт.

48

1336688C1

SHIELD

- drive shaft, R/H, 30' header fixed opening

1шт.

48

1960384C1

SHIELD

- drive shaft, R/H, 30' header adjustable opening

1шт.

49

1336689C1

SHIELD

- drive shaft, L/H, 21' header

1шт.

49

1336690C1

SHIELD

- drive shaft, L/H, 25' header

1шт.

49

1336691C1

SHIELD

- drive shaft, L/H, 30' header fixed opening

1шт.

49

1960343C1

SHIELD

- drive shaft, L/H, 30' header adjustable opening

1шт.

s

27453R1

BOLT,Short NK, 3/8"-16 x 3", G5

- round head square neck, 3/8 head NC x 3 inch

4шт.

t

120394

WASHER,3/8", SAE

WASHER - flat, 13/32 inch I.D.

4шт.

u

9413953

LOCK NUT,3/8"-16, GB

NUT - lock, 3/8 inch NC distorted thread

4шт.

50

1954815C1

BOLT

- ribbed neck #12 NC x 1 inch (Qty. 11 for 21' header)

21шт.

51

1954816C1

LOCK NUT

NUT - lock #12 NC (Qty. 11 for 21' header)

21шт.

52

1960392C1

KNIFE

ASSEMBLY - R/H, 25' (See note at item 30)

1шт.

1960393C1

KNIFE

ASSEMBLY - R/H, 30' (See note at item 30)

1шт.

53

825929C1

BAR

PLATE - splice (25' & 30' only)

1шт.

54

1337024C1

KNIFE

ASSEMBLY - less head, 21' header

1шт.

54

1969140C1

KNIFE

ASSEMBLY - less head, 25' header includes ref. 30, 50(10), 51(10), 52 and 53

1шт.

54

1969141C1

KNIFE

ASSEMBLY - less head, 30' header includes ref. 30, 50(10), 51(10), 52 and 53

1шт.

Выбрано товаров: 82