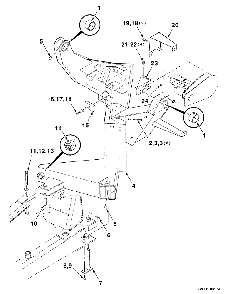
Запчасти Case IH 8220 (7-14) - TONGUE FRAME ASSEMBLY (58) - ATTACHMENTS/HEADERS

Схема запчастей Case IH 8220 - (7-14) - TONGUE FRAME ASSEMBLY (58) - ATTACHMENTS/HEADERS
18
5
13
18
1
7
1
17
12
15
8
19
22
23
16
3
14
2
4
3
10
21
6
24
9
11
20
5
FIT
1:1
100%

Артикул

Название

Примечание

Количество

1

700122003

BUSHING

- bronze

2шт.

2

413-464

BOLT,Hex, 1/4" - 20 x 4", Gr 5

2шт.

3

425-104

NUT,1/4"-20, Cl 5

4шт.

4

700121967

CHASSIS

FRAME WA (Includes items 1 and 14)

1шт.

5

219-90

LUBE NIPPLE,45 Degree Elbow, 1/4" -28 NPTF

1/4-28 X 45 DEGREE ZERK

2шт.

6

432-1628

COTTER PIN,1/4" x 1 3/4"

Pin, Split (Cotter), 1/4" x 1 3/4"

1шт.

7

700121957

PIN

WA

1шт.

8

121-237

SERRATED BOLT,Hex, 3/8" - 16 x 1 1/4, Spcl

3/8-16 X 1-1/4 HFS GR8

1шт.

9

232-5316

FLANGE NUT,Flg, 3/8"-16

3/8-16 HFTLN GR/G

1шт.

10

700121953

SPACER

1шт.

11

113-817

BOLT,Hex, 7/8" - 9 x 5-1/2", Gr 5

7/8-9 X 5-1/2 C

1шт.

12

96-11094

WASHER,0.94" ID x 1.75" OD x 0.13" Thk

7/8 HARDENED PLAIN WASHER

1шт.

13

232-53114

FLANGE NUT,Flg, 7/8"-9

7/8-9 HFTLN GR/G

1шт.

14

D51609

BALL JOINT

BEARING - ball

1шт.

15

700707584

PAD

- neoprene

1шт.

16

413-520

BOLT,Hex, 5/16" - 18 x 1-1/4", Gr 5

5/16-18 X 1-1/4 C

1шт.

17

496-21034

WASHER,11/32" x 11/16" x 0.89", HDN

1шт.

18

232-5315

FLANGE NUT,Flg, 5/16"-18

5/16-18 HFTLN GR/G

3шт.

19

121-115

SERRATED BOLT,Hex, 5/16" - 18 x 3/4"

2шт.

20

700122020

SUPPORT

WA

1шт.

21

360-816

BOLT,Hex, 1/2" - 13 x 1", Gr 8

1/2-13 X 1 HFS GR8

4шт.

22

231-5348

FLANGE NUT,Flg, 1/2"-13

1/2-13 HFTLN GR/G

4шт.

23

700122080

CHANNEL

1шт.

24

219-8

LUBE NIPPLE,1/4" - 28 NPTF

NIPPLE, LUBE, 1/4"-28 NPT x .54" lg

1шт.

Выбрано товаров: 24