Запчасти Case IH 8240 (9-06) - DECALS AND LOCATION, LEFT (90) - PLATFORM, CAB, BODYWORK AND DECALS

Схема запчастей Case IH 8240 - (9-06) - DECALS AND LOCATION, LEFT (90) - PLATFORM, CAB, BODYWORK AND DECALS
5
10
1
3
6
8
4
2
3
7
9
FIT
1:1
100%

Артикул

Название

Примечание

Количество

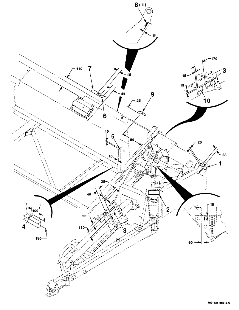
1

878694

REFLECTOR

- amber

1шт.

2

700712151

DECAL

- idlers

1шт.

3

700709737

DECAL

- warning, lock

2шт.

4

700711193

DECAL

- caution

1шт.

5

700706023

DECAL

- safety stop

1шт.

6

700709735

DECAL

- lock

1шт.

7

700709738

DECAL

- converting

1шт.

8

7889306

DECAL

- grease gun

4шт.

9

700709736

DECAL

- push/pull

1шт.

10

700710597

DECAL

- notice

1шт.

Выбрано товаров: 0