Запчасти Case IH 8820 (9-108) - PUMP ASSEMBLY, HYDRAULIC REEL DRIVE (35) - HYDRAULIC SYSTEMS

Схема запчастей Case IH 8820 - (9-108) - PUMP ASSEMBLY, HYDRAULIC REEL DRIVE (35) - HYDRAULIC SYSTEMS
9
12
4
8
5
1
14
18
20
3
15
11
16
19
2
6
13
17
3
7
10
8
3
FIT
1:1
100%

Артикул

Название

Примечание

Количество

1

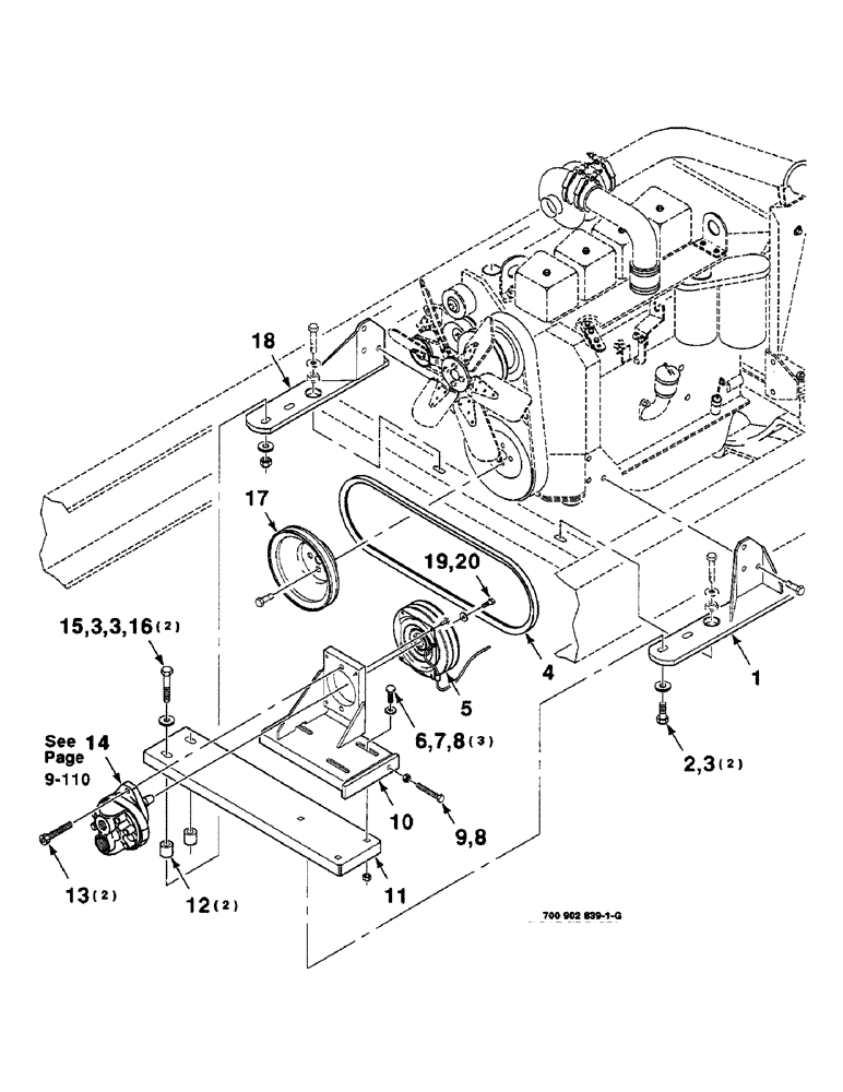
700118787

MOUNTING PARTS

MOUNTING WA - left

1шт.

2

413-820

BOLT,Hex, 1/2" - 13 x 1-1/4", Gr 5

2шт.

3

495-21056

WASHER,1/2"

1/2 HARDENED PLAIN WASHER

6шт.

4

235414A1

BELT,12.70 mm W x 901.70 mm L

V-BELT 12.70 mm W x 901.70 mm L

1шт.

5

700708485

CLUTCH

- hydraulic pump (Includes mounting hardware)

1шт.

6

434-616

CARRIAGE BOLT,Sht Sq Nk, 3/8" - 16 x 1", Gr 5

3/8-16 X 1 RHSNB

3шт.

7

496-11041

WASHER,13/32" x 13/16" x .065", HDN

3/8 HARDENED PLAIN WASHER

3шт.

8

425-106

NUT,3/8"-16, Cl 5

4шт.

9

113-250

BOLT,Hex, 3/8" - 16 x 2-1/2", Gr 5, Full Thd

1шт.

10

700118561

SUPPORT

PUMP MOUNTING WA

1шт.

11

700118857

ANGLE

CHANNEL WA

1шт.

12

700116724

TUBE,13.68 mm ID, 25.4 mm OD, 25 mm Length

SPACER

2шт.

13

61-720

HEX SOC SCREW,7/16"-14 x 1 1/4"

4/16-14 X 1-1/4 HSHCS

2шт.

14

700708493

HYDRAULIC PUMP

PUMP - hydraulic, reel drive

1шт.

15

413-836

BOLT,Hex, 1/2" - 13 x 2-1/4", Gr 5

2шт.

16

425-108

NUT,1/2" - 13, Gr 5

NUT, 1/2"-13, G5

2шт.

17

J903826

PULLEY,184.61mm OD

1шт.

18

700118788

MOUNTING PARTS

MOUNTING WA - right

1шт.

19

700708080

BOLT,Spcl Hex, 5/16" - 24 x 1 1/2", Gr 8, Full Thd

5/16-24 X 1-1/2 FTC GR8

1шт.

20

496-21034

WASHER,11/32" x 11/16" x 0.89", HDN

1шт.

Выбрано товаров: 20