Запчасти Case IH 8820 (2-18) - REEL DRIVE ASSEMBLY (09) - CHASSIS

Схема запчастей Case IH 8820 - (2-18) - REEL DRIVE ASSEMBLY (09) - CHASSIS
15
29
5
21
18
22
11
28
2
20
30
17
21
27
12
20
9
25
23
16
6
19
13
4
21
14
24
7
8
26
19
1
3
10
20
FIT
1:1
100%

Артикул

Название

Примечание

Количество

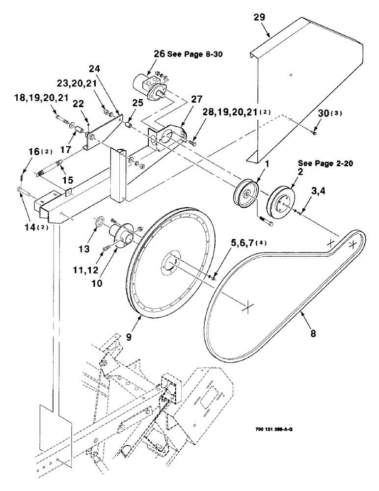
1

607443R91

PULLEY

IDLER - flat

1шт.

2

700127864

SHEAVE

ASSEMBLY - drive

1шт.

3

413-410

BOLT,Hex, 1/4" - 20 x 5/8", Gr 5

1шт.

4

492-11025

LOCK WASHER,1/4"

WASHER, LOCK, 1/4"

1шт.

5

413-616

BOLT,Hex, 3/8" - 16 x 1", Gr 5

4шт.

6

492-11038

LOCK WASHER,3/8"

4шт.

7

425-106

NUT,3/8"-16, Cl 5

4шт.

8

856310

BELT

V-BELT

1шт.

9

220822

SHEAVE

ASSEMBLY - drive, reel

1шт.

10

700120984

HUB

WA

1шт.

11

71159

HEX SOC SCREW

1/2-13 X 3 HSHCS

1шт.

12

230-4218

LOCK NUT,1/2"-13, GA

1/2-13 HCLN

1шт.

13

7852866

BUSHING

2 X 18 GAUGE NRMB

1шт.

14

700121246

PIN

- reel

2шт.

15

758789

COIL SPRING

SPRING - extension

1шт.

16

T54573

PIN

.120 WIRE HAIR PIN COTTER

2шт.

17

6839211

BUSHING

1шт.

18

413-840

BOLT,Hex, 1/2" - 13 x 2-1/2", Gr 5

1/2-13 X 2-1/2 C

1шт.

19

495-21056

WASHER,1/2"

1/2 HARDENED PLAIN WASHER

3шт.

20

80679

LOCK WASHER,1/20.507 CST ZND

WASHER, LOCK, 1/2"

4шт.

21

425-108

NUT,1/2" - 13, Gr 5

NUT, 1/2"-13, G5

4шт.

22

219-8

LUBE NIPPLE,1/4" - 28 NPTF

NIPPLE, LUBE, 1/4"-28 NPT x .54" lg

1шт.

23

413-848

BOLT,Hex, 1/2" - 13 x 3", Gr 5

1/2-13 X 3 C

1шт.

24

700121144

ARM

WA

1шт.

25

173872

SPACER

1шт.

26

700707341

HYDRAULIC MOTOR

MOTOR ASSEMBLY - reel, drive

1шт.

27

700121138

SUPPORT

WA

1шт.

28

413-824

BOLT,Hex, 1/2" - 13 x 1-1/2", Gr 5

2шт.

29

700121150

SHIELD

1шт.

Выбрано товаров: 0