Запчасти Case IH 8820 (4-2) - WIRING AND FLASHER ASSEMBLY (04) - ELECTRICAL SYSTEMS

Схема запчастей Case IH 8820 - (4-2) - WIRING AND FLASHER ASSEMBLY (04) - ELECTRICAL SYSTEMS
5
1
2
2
6
7
4
3
1
FIT
1:1
100%

Артикул

Название

Примечание

Количество

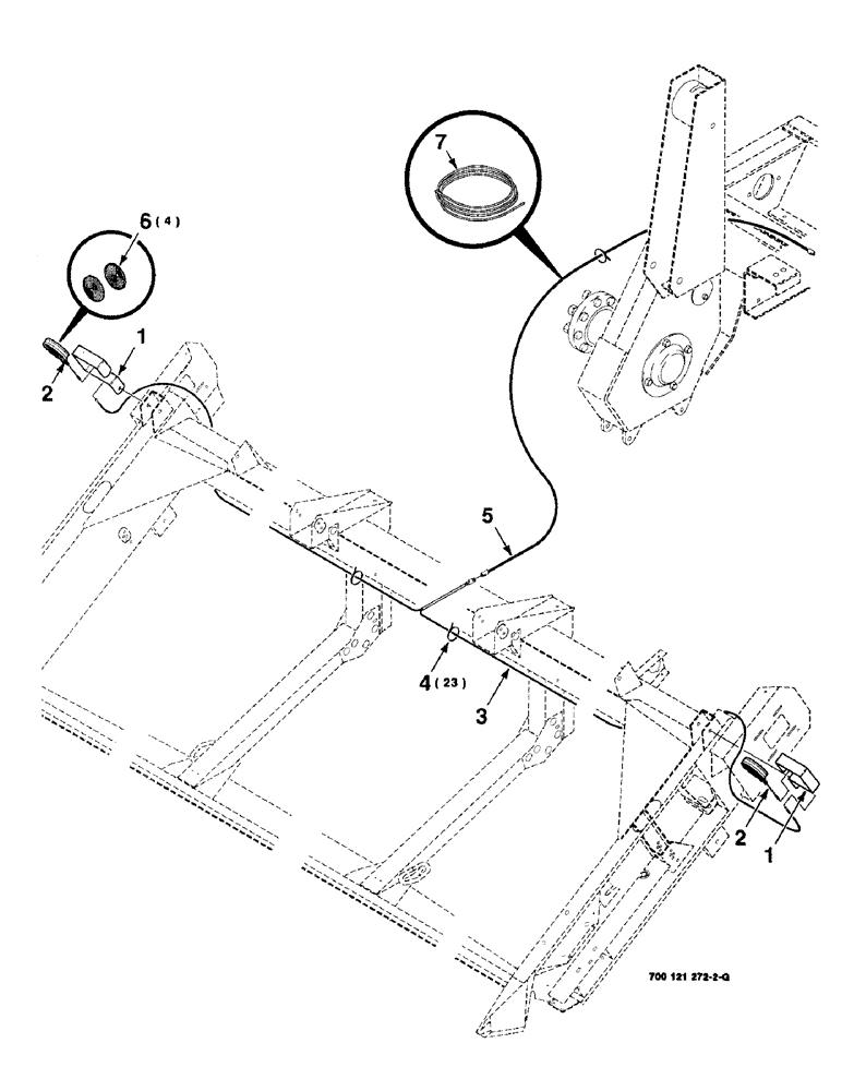
1

700118662

SUPPORT

GUARD - flasher

2шт.

2

199954A1

PACKAGE

LIGHT - flasher (Includes item 6)

2шт.

3

700708705

WIRE HARNESS

HARNESS - wiring (21 foot)

1шт.

700708706

WIRE HARNESS

HARNESS - wiring (25 foot)

1шт.

700708707

WIRE HARNESS

HARNESS - wiring (30 foot)

1шт.

4

L18337

CABLE TIE,9.95"-12.1" lg

STRAP - tie, 15 inch, nylon

23шт.

5

700708704

WIRE HARNESS

HARNESS - wiring

1шт.

6

700711749

LENS

4шт.

7

702400102

CONDUIT

- slit (360" bulk)

1шт.

Выбрано товаров: 9