Качественные детали и логистика
Оригинальные и аналоговые запчасти с доставкой по России, Казахстану и Беларуси
©2022 PartSell ООО "Система" ИНН 2463123282 ОГРН 1212400004838
Центральный офис: г. Красноярск, Академика Киренского, д.87, пом.4
Телефон: 8 (800) 777-65-74 Email: zakaz@partsell.ru
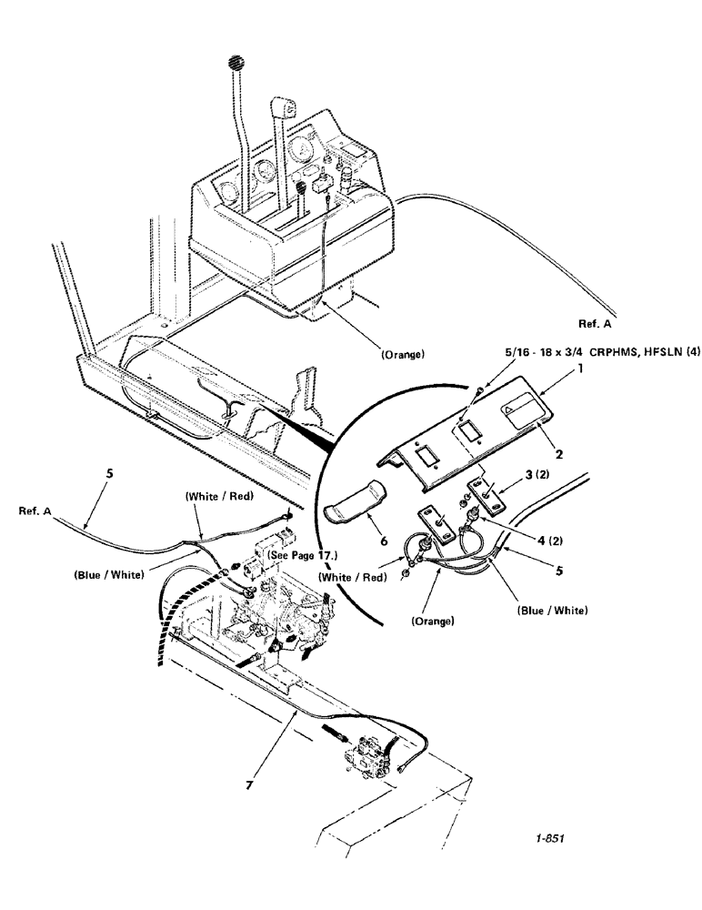
(12) - ELECTRICAL ASSEMBLY, REEL LIFT, TRACTOR
№
Артикул
Название
Примечание
Количество
1
700118601
SUPPORT
- right
1шт.
2
7178932
DECAL
- warning
3
700118549
MOUNTING - switch
2шт.
4
8025637
SWITCH
- backup
5
700708831
WIRE HARNESS
HARNESS - deflector
6
700118548
PEDAL
7
700707732
WIRE
- electrical
700701069
SCREW,Cross Pan Hd, 5/16"-18 x 3/4"
5/16-18 X 3/4 CRPHMS
4шт.
Выбрано товаров: 0