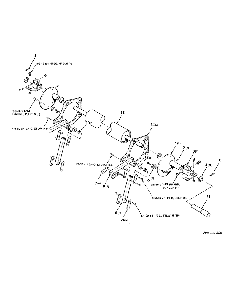
Запчасти Case IH 8830 (72) - REEL , PICKUP, MOUNTING AND CAM ASSEMBLY (58) - ATTACHMENTS/HEADERS

Схема запчастей Case IH 8830 - (72) - REEL , PICKUP, MOUNTING AND CAM ASSEMBLY (58) - ATTACHMENTS/HEADERS
6
7
5
1
3
4
8
2
5
12
7
9
11
13
14
10
FIT
1:1
100%

Артикул

Название

Примечание

Количество

HK60536

REEL (PICKUP) COMPLETE (15 FT.)

1шт.

HK60537

REEL (PICKUP) COMPLETE (18 FT.)

1шт.

HK60454

REEL (PICKUP) COMPLETE (21 FT.)

1шт.

1

700708886

SHAFT

PLATE - control

2шт.

2

077016

1/4-28 ZERK

2шт.

3

700708887

CLAMP

MOUNTING CLAMP - reel

2шт.

4

700708889

WASHER

- shaft

10шт.

5

700708903

PIN

1/2 X 1-1/2 PIN - spring

2шт.

6

700708888

ROLLER

- control plate

6шт.

7

700708864

COVER PLATE

PLATE - end

36шт.

8

700708873

ARM

- control, regular

8шт.

9

700708872

ARM

- control, fixed

2шт.

10

700708866

BUSHING

- shoulder

4шт.

11

700708892

CONTROL SHAFT

SHAFT - stub

1шт.

12

700708868

BUSHING

- bearing

8шт.

13

700708874

TUBE

- reel (15 ft.)

1шт.

13

700708894

SHAFT

TUBE - reel (18 ft.)

1шт.

13

700708895

SHAFT

TUBE - reel (21 ft.)

1шт.

14

700708869

SUPPORT

RING - track

2шт.

7771678

BOLT

1/4-20 X 1-1/2 C

36шт.

703140

BOLT,Hex, 1/4" - 20 x 1 3/4", Gr 5

1/4-20 X 1-3/4 C

4шт.

7701717

BOLT,Hex, 5/16" - 18 x 1 1/2", Gr 5

5/16-18 X 1-1/2 C

20шт.

768036

CARRIAGE BOLT,Sq Nk, 3/8" - 16 x 1 1/2", Gr 5

3/8-16 X 1-1/2 RHSNB

4шт.

7706005

BOLT

3/8-16 X 1-3/4 HWHMS

6шт.

7703424

FLANGE BOLT,Hex, Serr, 3/8" - 16 x 1"

3/8-16 X 1 HFSS

4шт.

88902

NUT,3/8"-16

3/8-16 HCLN

10шт.

076992

1/4 EXTERNAL TOOTH LOCK WASHER

18шт.

704619

SUPPORT

5/16-18 HCLN

18шт.

Выбрано товаров: 28