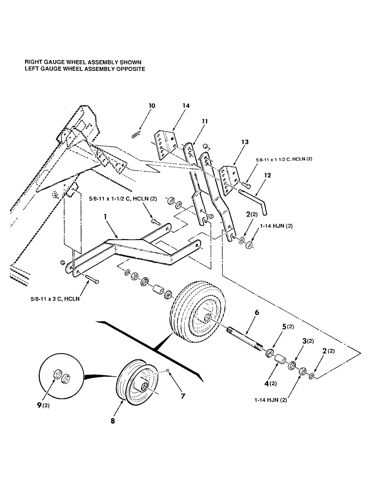
Запчасти Case IH 8830 (82) - GAUGE WHEEL KIT (58) - ATTACHMENTS/HEADERS

Схема запчастей Case IH 8830 - (82) - GAUGE WHEEL KIT (58) - ATTACHMENTS/HEADERS
12
4
14
3
9
7
2
1
10
5
8
11
13
2
6
FIT
1:1
100%

Артикул

Название

Примечание

Количество

HK60565

GAUGE WHEEL KIT COMPLETE

1шт.

1

700116951

SUPPORTING ARM

ARM - front

2шт.

2

052209

1 X 18 GAUGE MACHINERY BUSHING

8шт.

3

744888

SEAL

- grease

4шт.

4

700100044

SPACER

4шт.

5

D29266

ROLLER BEARING,1" ID x 0.58"

BEARING CONE

4шт.

6

700100043

AXLE

BOLT - axle

2шт.

7

077016

1/4-28 ZERK

2шт.

8

700700029

WHEEL

- gauge

2шт.

9

710228

CUP

BEARING CUP

4шт.

10

062521

.120 X 2-1/2 HAIRPIN COTTER

2шт.

11

700119762

ARM

- vertical

2шт.

12

700116382

PIN

- "L"

2шт.

13

700121495

EXTENSION

- left

1шт.

14

700121496

EXTENSION

- right

1шт.

7701758

BOLT,Hex, 5/8" - 11 x 1 1/2", Gr 5

5/8-11 X 1-1/2 C

4шт.

7701683

BOLT,Hex, 5/8" - 11 x 3", Gr 5

5/8-11 X 3 C

2шт.

704049

NUT

1-14 HJN

8шт.

704700

SUPPORT

5/8-11 HCLN

6шт.

Выбрано товаров: 19