Запчасти Case IH 8830 (14) - HYDRAULIC ASSEMBLY, REEL LIFT (35) - HYDRAULIC SYSTEMS

Схема запчастей Case IH 8830 - (14) - HYDRAULIC ASSEMBLY, REEL LIFT (35) - HYDRAULIC SYSTEMS
12
15
8
16
6
13
13
5
17
4
10
3
6
2
7
10
7
6
4
7
1
14
11
15
9
3
FIT
1:1
100%

Артикул

Название

Примечание

Количество

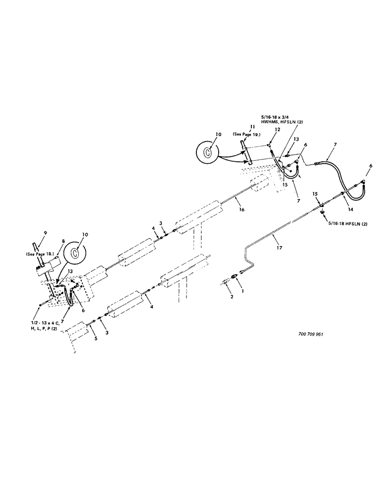
1

700707493

ADAPTER

- bulkhead

1шт.

2

700707515

QUICK MALE COUPLING

COUPLER

1шт.

3

846477

UNION

(21 and 18 ft.)

2шт.

846477

UNION

(15 ft.)

1шт.

4

700708234

TUBE,9.52 mm OD, 2200 mm Length

LINE - hydraulic (21 ft.)

1шт.

700707728

FLEXIBLE HOSE

LINE - hydraulic (18 and 15 ft.)

1шт.

5

700708234

TUBE,9.52 mm OD, 2200 mm Length

LINE - hydraulic (21 ft. only)

1шт.

6

791038

ELBOW

90 DEGREE ELBOW

3шт.

7

700707500

FLEXIBLE HOSE

HOSE - hydraulic

3шт.

8

6389555

BUSHING

SPACER

2шт.

9

700709506

HYDRAULIC CYLINDER

CYLINDER - hydraulic, slave

1шт.

10

738468

O-RING

4шт.

11

700709507

HYDRAULIC CYLINDER

CYLINDER - hydraulic, master

1шт.

12

7746555

ELBOW

90 DEGREE ELBOW WITH O-RING

1шт.

13

846634

COUPLING, BREAK AWAY

CONNECTOR WITH O-RING

2шт.

14

7827561

GROMMET

2шт.

15

700708090

CLAMP

- line (21 ft.)

5шт.

700708090

CLAMP

- line (18 ft.)

4шт.

700708090

CLAMP

- line (15 ft.)

3шт.

16

700708234

TUBE,9.52 mm OD, 2200 mm Length

LINE - hydraulic (21 ft.)

1шт.

700707573

FLEXIBLE HOSE

LINE - hydraulic (18 ft.)

1шт.

700708234

TUBE,9.52 mm OD, 2200 mm Length

LINE - hydraulic (15 ft.)

1шт.

17

700709314

TUBE

LINE - hydraulic (21 ft.)

1шт.

700709313

TUBE

LINE - hydraulic (18 ft.)

1шт.

700709312

TUBE

LINE - hydraulic (15 ft.)

1шт.

413-864

BOLT,Hex, 1/2" - 13 x 4", Gr 5

1/2-13 X 4 C

2шт.

7883325

BOLT,Hex, 5/16" - 18 x 3/4", Gr 120M

5/16-18 X 3/4 HWHMS

2шт.

Выбрано товаров: 27