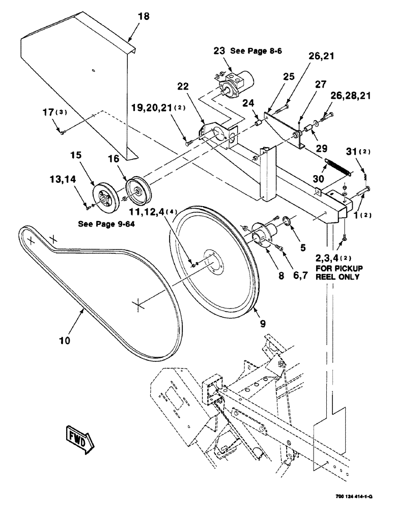
Запчасти Case IH 8830 (9-062) - REEL DRIVE ASSEMBLY (58) - ATTACHMENTS/HEADERS

Схема запчастей Case IH 8830 - (9-062) - REEL DRIVE ASSEMBLY (58) - ATTACHMENTS/HEADERS
9
2
1
28
6
29
7
27
8
17
10
21
4
20
19
30
14
5
23
18
11
16
21
25
26
15
24
13
31
3
4
12
21
26
22
FIT
1:1
100%

Артикул

Название

Примечание

Количество

1

700121246

PIN

- reel

2шт.

2

433-620

CARRIAGE BOLT,Sq Nk, 3/8" - 16 x 1 1/4", Gr 5

BOLT, CARRIAGE, Short NK, 3/8"-16 x 1 1/4", G5

2шт.

3

496-11041

WASHER,13/32" x 13/16" x .065", HDN

3/8 HARDENED PLAIN WASHER

2шт.

4

425-106

NUT,3/8"-16, Cl 5

6шт.

5

7852866

BUSHING

2 X 18 GAUGE NRMB

1шт.

6

71159

HEX SOC SCREW

1/2-13 X 3 HSHCS

1шт.

7

230-4118

LOCK NUT,1/2"-13, GA

1/2-13 HTLN GR/B

1шт.

8

700120984

HUB

WA

1шт.

9

220822

SHEAVE

ASSEMBLY - drive, reel

1шт.

10

856310

BELT

V-BELT

1шт.

11

413-616

BOLT,Hex, 3/8" - 16 x 1", Gr 5

4шт.

12

492-11038

LOCK WASHER,3/8"

4шт.

13

413-410

BOLT,Hex, 1/4" - 20 x 5/8", Gr 5

1шт.

14

496-11028

WASHER,9/32" x 5/8" x .065, HDN

1/4 HARDENED PLAIN WASHER

1шт.

15

700127864

SHEAVE

ASSEMBLY

1шт.

16

607443R91

PULLEY

IDLER - flat

1шт.

17

256873

BOLT,Hex Serr, 5/16" - 18 x 1/2", 5SPL, Full Thd

3шт.

18

700124456

SHIELD

- right

1шт.

19

413-824

BOLT,Hex, 1/2" - 13 x 1-1/2", Gr 5

2шт.

20

495-21056

WASHER,1/2"

1/2 HARDENED PLAIN WASHER

2шт.

21

425-108

NUT,1/2" - 13, Gr 5

NUT, 1/2"-13, G5

4шт.

22

700124450

SUPPORT

WA - right

1шт.

23

700707341

HYDRAULIC MOTOR

MOTOR - reel, drive

1шт.

24

173872

SPACER

1шт.

25

700124454

ARM

WA

1шт.

26

413-840

BOLT,Hex, 1/2" - 13 x 2-1/2", Gr 5

.5 X 2.5 UNC GR5 YZD

2шт.

27

219-8

LUBE NIPPLE,1/4" - 28 NPTF

NIPPLE, LUBE, , straight, taper 1/4"-28 NPT x .54" lg

1шт.

28

495-21056

WASHER,1/2"

1/2 WIDE PLAIN WASHER

1шт.

29

6839211

BUSHING

1шт.

30

758789

COIL SPRING

SPRING - extension

1шт.

31

T54573

PIN

.120 WIRE HAIR PIN COTTER

2шт.

Выбрано товаров: 0