Запчасти Case IH 8830 (9-070) - ADAPTER KIT ASSEMBLY, REEL LIFT ELECTRICAL, TRACTOR, HK60617, 8830 ADAPTER KIT COMPLETE (58) - ATTACHMENTS/HEADERS

Схема запчастей Case IH 8830 - (9-070) - ADAPTER KIT ASSEMBLY, REEL LIFT ELECTRICAL, TRACTOR, HK60617, 8830 ADAPTER KIT COMPLETE (58) - ATTACHMENTS/HEADERS
10
6
12
4
8
11
3
7
9
5
2
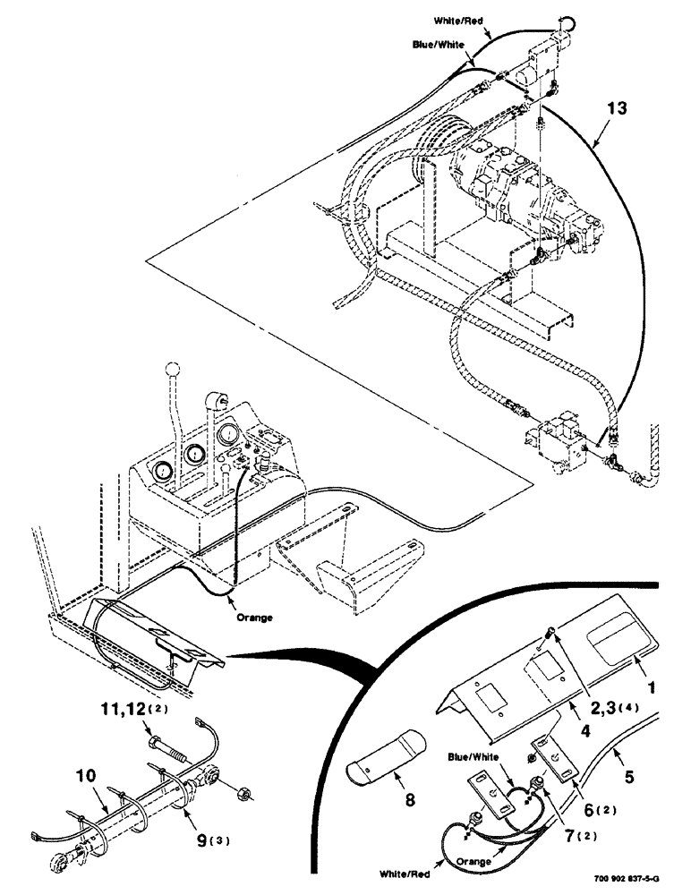
1
13
FIT
1:1
100%

Артикул

Название

Примечание

Количество

HK60617

ADAPTER KIT COMPLETE

1шт.

1

7178932

DECAL

- warning

1шт.

2

440-13112

SCREW,Cross Pan Hd, 5/16"-18 x 3/4"

5/16-18 X 3/4 CRPHMS

4шт.

3

231-5145

SERRATED NUT,Flg, USR, 5/16"-18

NUT, Flg, USR, 5/16"-18

4шт.

4

700118601

SUPPORT

- right

1шт.

5

700708831

WIRE HARNESS

HARNESS - deflector

1шт.

6

700118549

SUPPORT

MOUNTING - switch

2шт.

7

8025637

SWITCH

- backup

2шт.

8

700118548

PEDAL

1шт.

9

L18337

CABLE TIE,9.95"-12.1" lg

STRAP - tie, 15 inch, nylon

3шт.

10

700706637

FLEXIBLE HOSE

HARNESS - wire

1шт.

11

413-1252

BOLT,Hex, 3/4" - 10 x 3-1/4", Gr 5

3/4-10 X 3-1/4 C

2шт.

12

425-1012

NUT,3/4"-10, G5

2шт.

13

700707732

WIRE

- electrical

1шт.

Выбрано товаров: 0