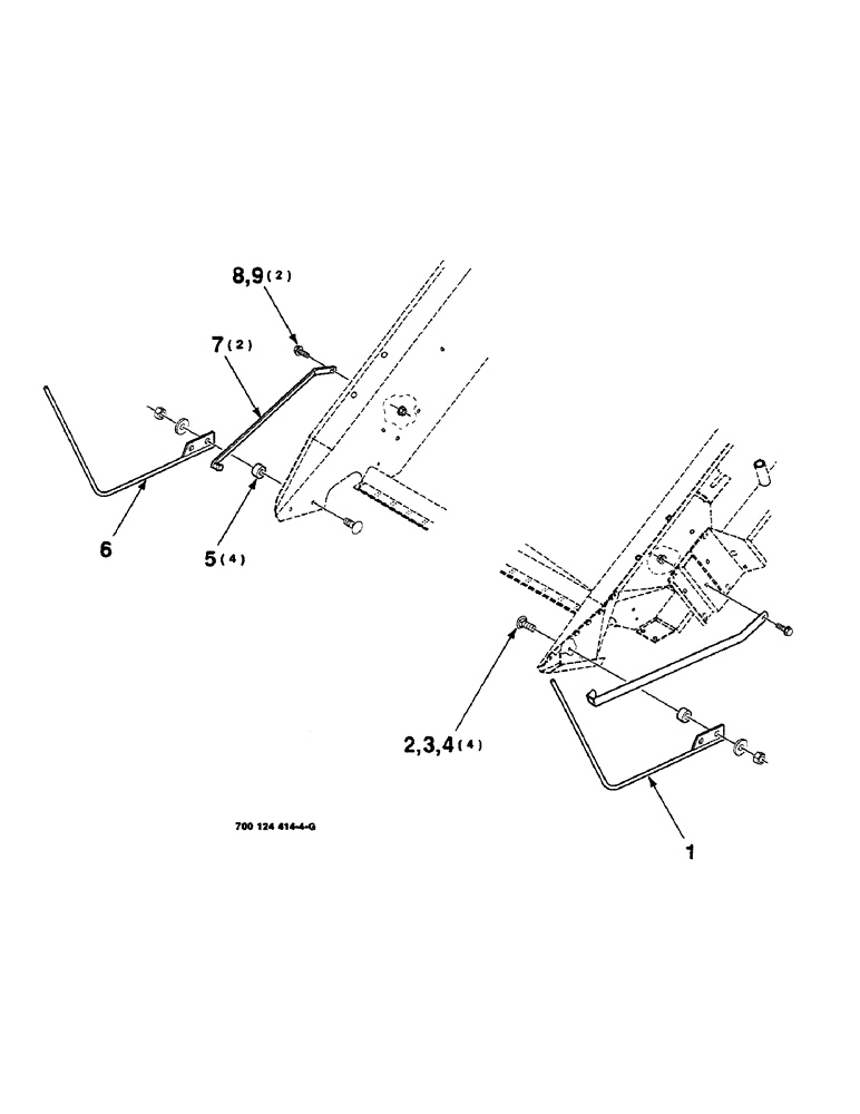
Запчасти Case IH 8830 (9-098) - DIVIDER RODS ASSEMBLY (58) - ATTACHMENTS/HEADERS

Схема запчастей Case IH 8830 - (9-098) - DIVIDER RODS ASSEMBLY (58) - ATTACHMENTS/HEADERS
1
9
7
3
8
6
5
4
2
FIT
1:1
100%

Артикул

Название

Примечание

Количество

1

700116807

ROD

WA - left

1шт.

2

111-360

CARRIAGE BOLT,Short NK, 3/8"-16 x 3/4", G5

BOLT, CARRIAGE, Short NK, 3/8"-16 x 3/4", G5

4шт.

3

496-11041

WASHER,13/32" x 13/16" x .065", HDN

3/8 HARDENED PLAIN WASHER

4шт.

4

425-106

NUT,3/8"-16, Cl 5

4шт.

5

6270854

SPACER

4шт.

6

700116808

ROD

WA - right

1шт.

7

700115409

DEFLECTOR

2шт.

8

121-115

SERRATED BOLT,Hex, 5/16" - 18 x 3/4"

2шт.

9

231-5145

SERRATED NUT,Flg, USR, 5/16"-18

NUT, Flg, USR, 5/16"-18

2шт.

Выбрано товаров: 0