Запчасти Case IH 8830 (2-08) - U-JOINT ASSEMBLY, 700711898 U-JOINT ASSEMBLY COMPLETE (58) - ATTACHMENTS/HEADERS

Схема запчастей Case IH 8830 - (2-08) - U-JOINT ASSEMBLY, 700711898 U-JOINT ASSEMBLY COMPLETE (58) - ATTACHMENTS/HEADERS
4
1
2
3
FIT
1:1
100%

Артикул

Название

Примечание

Количество

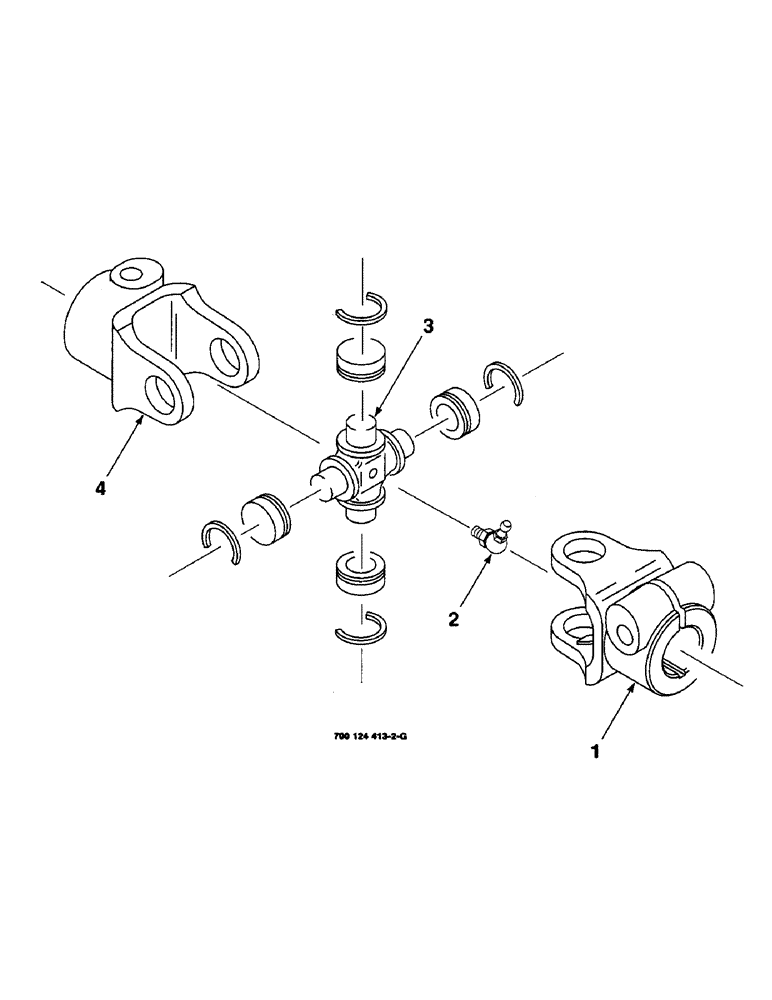
700711898

UNIVERSAL JOINT

U-JOINT ASSEMBLY COMPLETE

1шт.

1

757716

CLAMP

YOKE - clamp

1шт.

2

219-40

LUBE NIPPLE,65 Degree Elbow, 1/8" - 27 NPTF

ZERK 1/8-27 X 65 DEGREES

1шт.

3

757443

U-JOINT SPIDER

CROSS AND BEARING KIT (Includes item 2)

1шт.

4

700711953

CLAMP

YOKE - clamp

1шт.

Выбрано товаров: 0