Запчасти Case IH 1010 (09C-08) - AUGER JACKSHAFT DRIVE 15.0 FOOT HEADER (09) - CHASSIS/ATTACHMENTS

Схема запчастей Case IH 1010 - (09C-08) - AUGER JACKSHAFT DRIVE 15.0 FOOT HEADER (09) - CHASSIS/ATTACHMENTS
25
28
10
26
16
18
1
4a
27
17
24
13
8
3
12
2
31
12
33
22
21
30
20
11
29
10
32
23
24
09c-12a[01]
09c-12a[02]
9
11
9
FIT
1:1
100%

Артикул

Название

Примечание

Количество

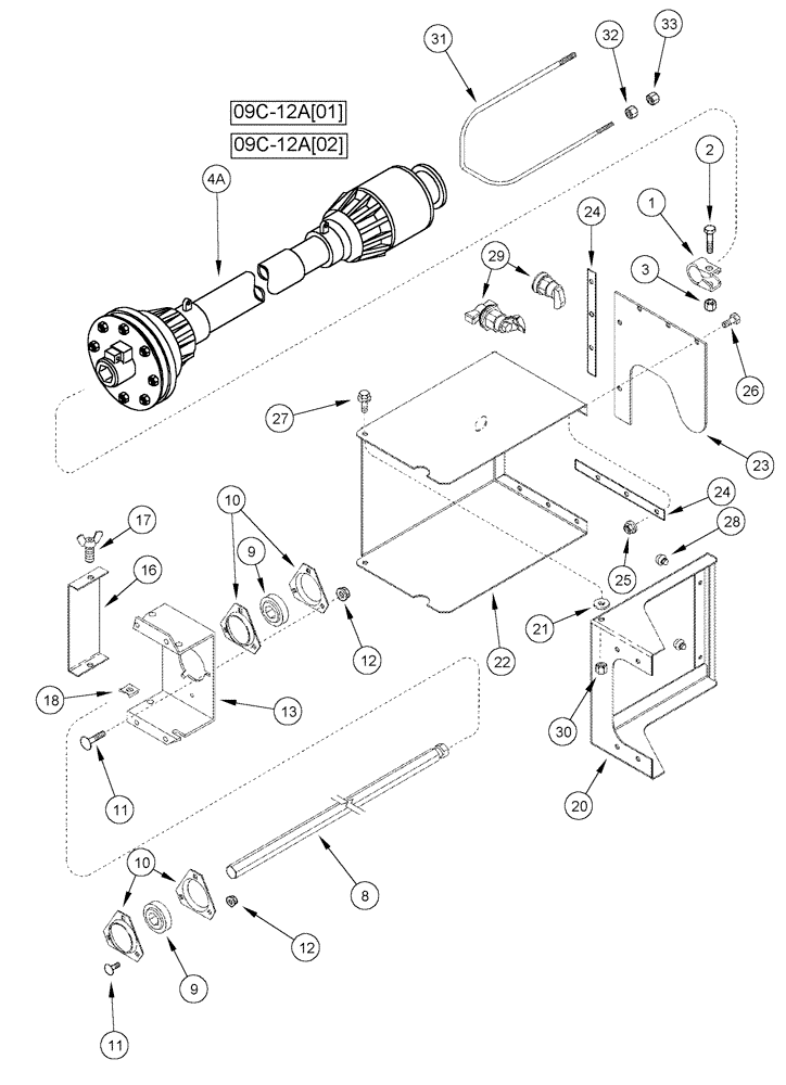
1

87500159

CLAMP

tie rod, Start Serial: CBJ023001

1шт.

2

87972

BOLT,Hex, 1/2" - 13 x 2 1/2", Gr 5

1шт.

3

86992215

LOCK NUT,1/2"-13, GC

1шт.

4a

106044A3

DRIVE SHAFT

PTO auger, Serial Range: JJC0305000-CBJ044231

1шт.

See Figure 9C-12A

1шт.

4a

87438829

SHAFT

assembly, pto driveline 15'-20', Start Serial: CBJ044231

1шт.

See Figure 09C-12A[02]

1шт.

8

125975A1

JACKSHAFT

15.0 and 16.5 foot

1шт.

9

156816C91

BEARING HOUSING,28.6mm Hex x 72mm OD x 25mm W

2шт.

10

86620026

FLANGED BEARING

bearing, Start Serial: CBJ023001

4шт.

11

80280503

CARRIAGE BOLT,Sht Sq Nk, 3/8" - 16 x 1", Gr 5, Full Thd

6шт.

12

247780

SERRATED NUT,Flg, USR, 3/8"-16

6шт.

13

106084A3

SUPPORT

jackshaft 15.0 and 16.5 foot

1шт.

16

106087A1

SHIELD

cover

1шт.

17

183-123

THUMB SCREW

thumb with shoulder, 5/16 NC x 3/4 inch

2шт.

18

488837C1

SPRING NUT

5/16" speed

2шт.

19

247089A1

SHIELD

auger slip clutch

1шт.

Not Shown

1шт.

Includes 20 - 30

1шт.

20

251170A1

SHIELD

auger slip clutch

1шт.

21

254233A2

WASHER

shoulder

2шт.

22

87450175

DOOR

auger clutch shield, Start Serial: CBJ023001

1шт.

23

251031A1

GUARD

auger slip clutch

1шт.

24

251046A1

SEALING STRIP

auger slip clutch

2шт.

25

523282

SERRATED NUT,Flg, USR, 1/4"-20

5шт.

26

477-82512

SERRATED SCREW,Sl Truss Hd, 1/4" - 20 x 3/4"

5шт.

27

86521550

BOLT,Hex, 1/4" - 20 x 3/4", Gr 5

2шт.

28

259019A1

BUMPER

plug

2шт.

29

276013A1

LATCH

shield

1шт.

29

143347A1

LATCH

engine cover

1шт.

Australia Only

1шт.

30

9626558

FLANGE NUT,Flg, 1/4"-20

2шт.

31

138005A1

HANGER

drive line

1шт.

32

280431

NUT,1/2"-13, G5

2шт.

33

86992215

LOCK NUT,1/2"-13, GC

2шт.

Выбрано товаров: 35