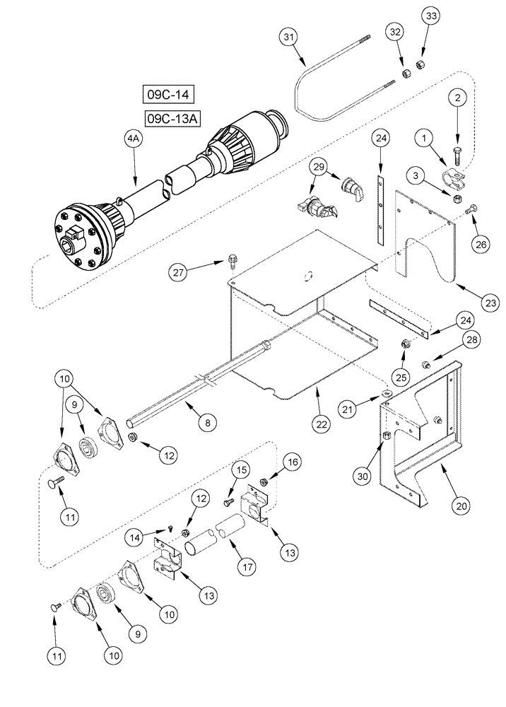
Запчасти Case IH 1010 (09C-10) - AUGER JACKSHAFT DRIVE 22.5 AND 25.0 FOOT HEADER (09) - CHASSIS/ATTACHMENTS

Схема запчастей Case IH 1010 - (09C-10) - AUGER JACKSHAFT DRIVE 22.5 AND 25.0 FOOT HEADER (09) - CHASSIS/ATTACHMENTS
9
32
15
17
31
10
26
33
1
29
9
28
13
24
09c-13a
09c-14
23
3
24
11
21
10
8
25
27
30
16
10
2
12
4a
20
12
22
11
13
14
FIT
1:1
100%

Артикул

Название

Примечание

Количество

1

87500159

CLAMP

tie rod, Start Serial: CBJ023001

1шт.

2

87972

BOLT,Hex, 1/2" - 13 x 2 1/2", Gr 5

1шт.

3

86992215

LOCK NUT,1/2"-13, GC

1шт.

4a

106043A3

DRIVE SHAFT

PTO auger, Serial Range: CBJ023001-CBJ044231

1шт.

See Figure 09C-13A

1шт.

4a

87438830

SHAFT

assembly, pto driveline 22'-30', Start Serial: CBJ044231

1шт.

See Figure 09C-14

1шт.

8

125978A1

JACKSHAFT

auger 22.5 foot

1шт.

8

125979A1

JACKSHAFT

auger 25.0 foot

1шт.

9

156816C91

BEARING HOUSING,28.6mm Hex x 72mm OD x 25mm W

2шт.

10

86620026

FLANGED BEARING

bearing, Start Serial: CBJ023001

4шт.

11

80280503

CARRIAGE BOLT,Sht Sq Nk, 3/8" - 16 x 1", Gr 5, Full Thd

6шт.

12

247780

SERRATED NUT,Flg, USR, 3/8"-16

6шт.

13

87450188

SUPPORT

plate shield, Start Serial: CBJ023001

2шт.

14

282-1448

SELF-TAP SCREW,Hex Wash Hd, #8 x 1/2"

2шт.

15

256873

BOLT,Hex Serr, 5/16" - 18 x 1/2", 5SPL, Full Thd

2шт.

16

145458

SERRATED NUT,5/16"-18 GR 5 ZND

3шт.

17

125984A1

TUBE,48.26 mm OD, 597 mm Length

jackshaft 22.5 foot

1шт.

17

125985A1

TUBE,48.26 mm OD, 978 mm Length

jackshaft 25 and 30 foot

1шт.

18

247089A1

SHIELD

auger slip clutch

1шт.

Not Shown

1шт.

Includes 20 - 30

1шт.

20

251170A1

SHIELD

auger slip clutch

1шт.

21

254233A2

WASHER

shoulder

2шт.

22

87450175

DOOR

auger clutch shield, Start Serial: CBJ023001

1шт.

23

251031A1

GUARD

auger slip clutch

1шт.

24

251046A1

SEALING STRIP

auger slip clutch

2шт.

25

523282

SERRATED NUT,Flg, USR, 1/4"-20

5шт.

26

477-82512

SERRATED SCREW,Sl Truss Hd, 1/4" - 20 x 3/4"

5шт.

27

86521550

BOLT,Hex, 1/4" - 20 x 3/4", Gr 5

7шт.

28

259019A1

BUMPER

plug

2шт.

29

276013A1

LATCH

shield

1шт.

29

143347A1

LATCH

engine cover

1шт.

Australia Only

1шт.

30

9626558

FLANGE NUT,Flg, 1/4"-20

2шт.

31

138005A1

HANGER

drive line

1шт.

32

280431

NUT,1/2"-13, G5

2шт.

33

86992215

LOCK NUT,1/2"-13, GC

2шт.

Выбрано товаров: 38