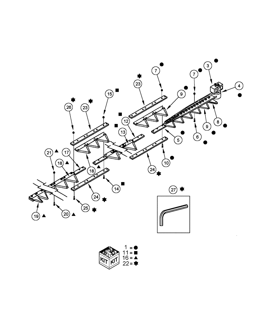
Запчасти Case IH 1010 (09B-20[02]) - KNIFE ASSEMBLY KITS 3 INCH BOLTED COARSE SERRATIONS - 17.5 FOOT HEADER (09) - CHASSIS/ATTACHMENTS

Схема запчастей Case IH 1010 - (09B-20[02]) - KNIFE ASSEMBLY KITS 3 INCH BOLTED COARSE SERRATIONS - 17.5 FOOT HEADER (09) - CHASSIS/ATTACHMENTS
26
24
13
1
23
1
11
3
15
4
1
1
22
10
16
19
21
27
22
18
23
22
16
22
22
16
9
1
22
1
25
22
20
17
1
1
8
11
6
1
24
1
7
14
18
9
16
11
11
5
16
7
11
12
22
1
FIT
1:1
100%

Артикул

Название

Примечание

Количество

1

371618A2

KNIFE ASSY

17.5 foot modular

1шт.

Includes 2 - 27

1шт.

2

371638A2

KNIFE ASSY

head segment

1шт.

Includes 3 - 10

1шт.

3

1316161C95

KNIFE HEAD

HEAD, KNIFE

1шт.

Includes 4

1шт.

4

1345491C2

DUST CAP

cover

1шт.

5

NSS

NOT SOLD SEPARAT

Bar, Knifeback

1шт.

6

1979166C1

BOLT

#12-24 x 1 1/8"

16шт.

7

1954816C1

LOCK NUT

hex lock, No. 12-24

66шт.

8

1316030C2

KNIFE SECTION

SECTION, KNIFE 3", plain half

1шт.

9

112074A1

KNIFE SECTION

SECTION, KNIFE overserrated, 3"

33шт.

10

700708646

BOLT AND NUT,Slotted, Btn Hd, #12 - 24 x 5/8"

#12-24 x 5/8" slot bt hd

50шт.

11

371643A1

KNIFE ASSY

segment, center

1шт.

Includes 12 -15

1шт.

12

NSS

NOT SOLD SEPARAT

Bar,Knifeback

1шт.

13

112074A1

KNIFE SECTION

SECTION, KNIFE overserrated, 3"

34шт.

14

700708646

BOLT AND NUT,Slotted, Btn Hd, #12 - 24 x 5/8"

#12-24 x 5/8" slot bt hd

60шт.

15

1954816C1

LOCK NUT

hex lock, No. 12-24

60шт.

16

371646A1

KNIFE ASSY

17.5 foot RH end segment

1шт.

Includes 17 - 21

1шт.

17

NSS

NOT SOLD SEPARAT

Bar, Knifeback

1шт.

18

112074A1

KNIFE SECTION

SECTION, KNIFE overserrated, 3"

1шт.

19

148200C1

KNIFE SECTION

SECTION, KNIFE overserrated, double right-hand

1шт.

20

700708646

BOLT AND NUT,Slotted, Btn Hd, #12 - 24 x 5/8"

#12-24 x 5/8" slot bt hd

3шт.

21

1954816C1

LOCK NUT

hex lock, No. 12-24

3шт.

22

371658A1

KIT

modular knife splice

2шт.

Includes 23 - 27

1шт.

23

371681A1

STRAP

modular knife top splice

1шт.

24

371668A1

STRAP

modular knife bottom splice

1шт.

25

227457A1

SCREW,#12 - 24 x 13/16", Gr 8

#12-24 x .13/16" CSK HSKT

10шт.

26

1954816C1

LOCK NUT

hex lock, No. 12-24

10шт.

27

NSS

NOT SOLD SEPARAT

Tool, Hex Socket

1шт.

28

87502670

SHOE

Skid (Not Shown)

1шт.

Выбрано товаров: 34