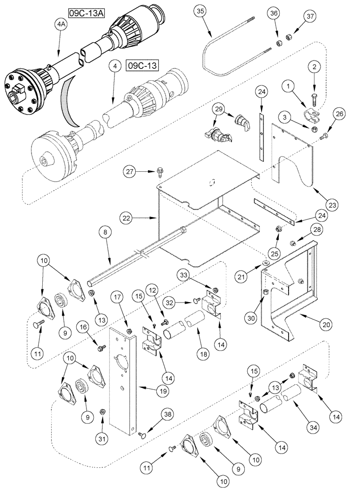
Запчасти Case IH 1010 (09C-11) - AUGER JACKSHAFT DRIVE 30.0 FOOT HEADER (09) - CHASSIS/ATTACHMENTS

Схема запчастей Case IH 1010 - (09C-11) - AUGER JACKSHAFT DRIVE 30.0 FOOT HEADER (09) - CHASSIS/ATTACHMENTS
14
10
3
30
36
8
37
35
09c-13
09c-13a
14
21
25
12
24
29
24
32
14
1
19
4
9
17
22
20
4a
28
34
9
10
33
10
11
16
14
9
11
18
23
31
2
10
15
13
15
27
26
38
13
FIT
1:1
100%

Артикул

Название

Примечание

Количество

1

225265R1

CLAMP

auger bed gear, Serial Range: -JJC0308544

1шт.

2

87972

BOLT,Hex, 1/2" - 13 x 2 1/2", Gr 5

1шт.

3

86992215

LOCK NUT,1/2"-13, GC

1шт.

4

106043A1

DRIVE SHAFT

auger RH, Serial Range: -JJC0304999

1шт.

4a

106043A3

DRIVE SHAFT

PTO auger, Start Serial: JJC0305000

1шт.

8

125980A1

JACKSHAFT

auger 30.0 foot

1шт.

9

156816C91

BEARING HOUSING,28.6mm Hex x 72mm OD x 25mm W

3шт.

10

180955C1

FLANGED BEARING,0.375"

bearing, Serial Range: -JJC0308544

6шт.

11

80280503

CARRIAGE BOLT,Sht Sq Nk, 3/8" - 16 x 1", Gr 5, Full Thd

6шт.

12

86508749

CARRIAGE BOLT,Short Square Neck, 3/8" - 16 x 1 1/4", Grade 5

3шт.

13

247780

SERRATED NUT,Flg, USR, 3/8"-16

9шт.

14

125992A1

SUPPORT

jackshaft, Serial Range: -JJC0308544

4шт.

15

282-1448

SELF-TAP SCREW,Hex Wash Hd, #8 x 1/2"

2шт.

16

145913

BOLT,Hex Flg, 5/16" - 18 x 3/4", Gr 5, Full Thd

2шт.

17

145458

SERRATED NUT,5/16"-18 GR 5 ZND

2шт.

18

125989A1

TUBE,48.26 mm OD, 729 mm Length

jackshaft 30.0 foot

1шт.

19

128416A2

SUPPORT

jackshaft bearing RH, Serial Range: -JJC0308544

1шт.

20

251170A1

SHIELD

auger slip clutch

1шт.

21

254233A2

WASHER

shoulder

2шт.

22

247087A1

DOOR

auger slip clutch shield, Serial Range: -JJC0308544

1шт.

23

251031A1

GUARD

auger slip clutch

1шт.

24

251046A1

SEALING STRIP

auger slip clutch

2шт.

25

523282

SERRATED NUT,Flg, USR, 1/4"-20

5шт.

26

477-82512

SERRATED SCREW,Sl Truss Hd, 1/4" - 20 x 3/4"

5шт.

27

86521550

BOLT,Hex, 1/4" - 20 x 3/4", Gr 5

7шт.

28

259019A1

BUMPER

plug

2шт.

29

276013A1

LATCH

shield

1шт.

29

143347A1

LATCH

engine cover

1шт.

Australia Only

1шт.

30

9626558

FLANGE NUT,Flg, 1/4"-20

2шт.

31

86512371

SERRATED NUT,Flg, USR, 1/2"-13

1шт.

32

256873

BOLT,Hex Serr, 5/16" - 18 x 1/2", 5SPL, Full Thd

2шт.

33

145458

SERRATED NUT,5/16"-18 GR 5 ZND

2шт.

34

125985A1

TUBE,48.26 mm OD, 978 mm Length

jackshaft 25 and 30 foot

1шт.

35

138005A1

HANGER

drive line

1шт.

36

280431

NUT,1/2"-13, G5

2шт.

37

86992215

LOCK NUT,1/2"-13, GC

2шт.

38

280499

CARRIAGE BOLT,Short Sq Nk, 1/2" - 13 x 1", Gr 5, Full Thd

1шт.

39

247089A1

SHIELD

auger slip clutch

1шт.

Not Shown

1шт.

Includes 20 - 30

1шт.

Выбрано товаров: 41