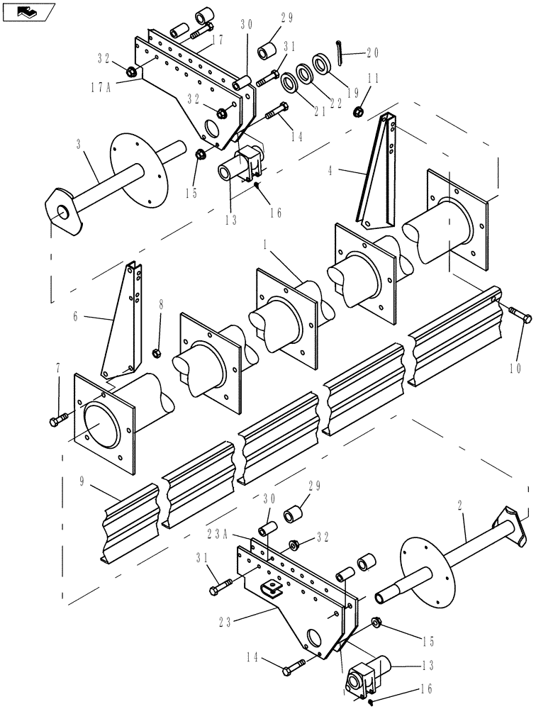
Запчасти Case IH 1010 (09A-01[01]) - BAT REEL-5 BAT-15.0 TO 25.0 FOOT HEADERS (09) - CHASSIS/ATTACHMENTS

Схема запчастей Case IH 1010 - (09A-01[01]) - BAT REEL-5 BAT-15.0 TO 25.0 FOOT HEADERS (09) - CHASSIS/ATTACHMENTS
17
22
15
3
16
14
32
29
13
11
15
19
32
23
30
9
32
21
17a
7
10
31
14
4
2
1
16
29
30
home
23a
20
13
31
6
8
FIT
1:1
100%

Артикул

Название

Примечание

Количество

1

1307620C1

TUBE

reel, 15.0 foot

1шт.

1

1307621C1

TUBE

reel, 17.5 foot

1шт.

1

1307622C1

TUBE

reel 20.0 foot

1шт.

1

1307623C1

TUBE

reel, 22.5 foot

1шт.

1

1307624C1

TUBE

reel 25.0 foot

1шт.

2

185772C2

SHAFT

reel drive, RH

1шт.

3

1316662C1

SHAFT

reel, LH

1шт.

4

179108C1

SUPPORT

reel bat, LH

10шт.

6

179109C1

SUPPORT

reel bat, RH

1шт.

7

135270

SERRATED SCREW,5/16" - 18 x 3/4"

1шт.

8

145458

SERRATED NUT,5/16"-18 GR 5 ZND

1шт.

9

1307584C1

BAT

reel 15.0 foot

5шт.

9

1307585C1

BAT

reel 17.5 foot

5шт.

9

1307586C1

BAT

reel 20.0 foot

5шт.

9

1307587C1

BAT

reel 22.5 foot

5шт.

9

1307588C1

BAT

reel 25.0 foot

5шт.

10

477-82508

SERRATED SCREW,Sl Truss Hd, 1/4" - 20 x 1/2"

1шт.

11

280129

NUT,1/4"-20

1шт.

13

1308369C1

SUPPORT

reel shaft

2шт.

14

9637240

BOLT,Hex, 3/8" - 16 x 3 1/4", Gr 5

4шт.

15

247780

SERRATED NUT,Flg, USR, 3/8"-16

4шт.

16

87414

LUBE NIPPLE,1/4" - 28

3шт.

17

277373A1

SUPPORT

bat reel, LH

1шт.

17a

277369A1

SUPPORT

bat reel, plate

1шт.

19

633177R1

WASHER

washer, cotter pin

1шт.

20

80752

COTTER PIN,1/4" x 2 1/2"

1шт.

21

495-81094

WASHER,1 25/32" x 2 3/4" x .048"

1шт.

22

95-81057

WASHER,1.78" ID x 2.75" OD x 0.12" Thk

1шт.

22

495-81089

WASHER,1.66" ID x 2.25" OD x 0.12" Thk

2шт.

23

277370A2

SUPPORT

bat reel, RH

1шт.

23a

277369A1

SUPPORT

bat reel, plate

1шт.

29

1316328C1

SHIFTER ROLLER

reel support

4шт.

30

280505A1

SPACER

3/4"

4шт.

31

88043

BOLT,Hex, 1/2" - 13 x 3 1/4", Gr 5

4шт.

32

86992215

LOCK NUT,1/2"-13, GC

4шт.

Выбрано товаров: 35