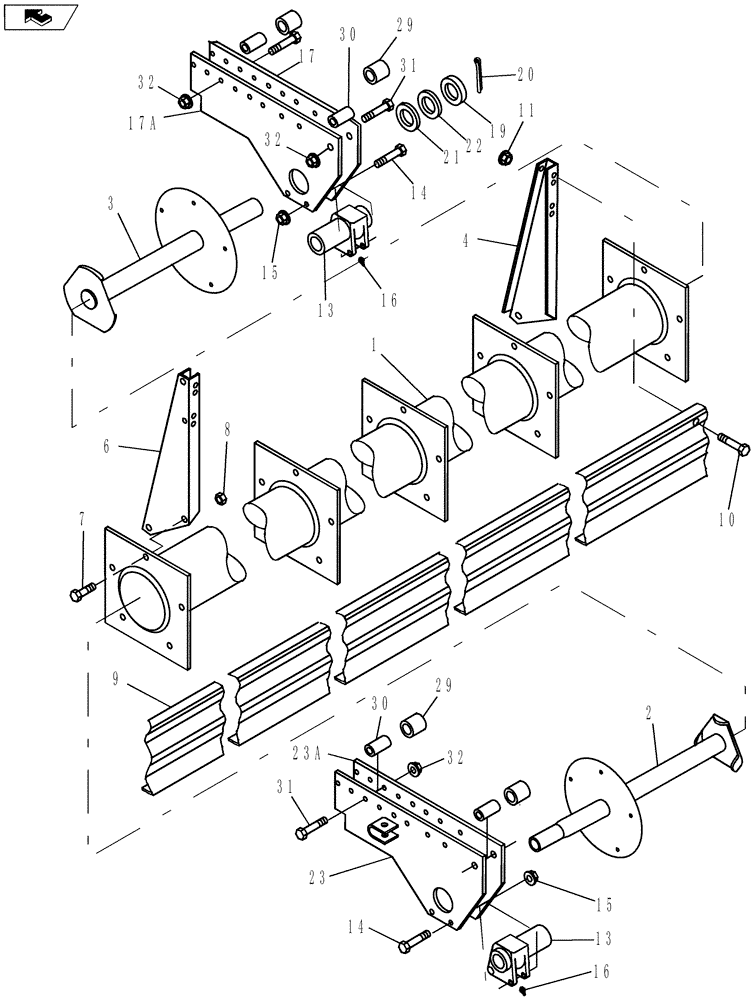
Запчасти Case IH 1010 (09A-01[02]) - BAT REEL 5 BAT- 30 FOOT HEADER (09) - CHASSIS/ATTACHMENTS

Схема запчастей Case IH 1010 - (09A-01[02]) - BAT REEL 5 BAT- 30 FOOT HEADER (09) - CHASSIS/ATTACHMENTS
15
32
6
2
31
17a
21
home
22
3
4
15
13
1
11
16
17
13
32
16
30
10
9
20
31
8
19
30
32
23
14
7
29
14
29
23a
FIT
1:1
100%

Артикул

Название

Примечание

Количество

1

1307625C1

TUBE

reel 30.0 foot

1шт.

2

184927C2

SHAFT

reel drive

1шт.

3

1316663C1

SHAFT

reel, LH

1шт.

4

184924C1

SUPPORT

reel bat, LH

15шт.

6

184925C1

SUPPORT

reel bat, RH

15шт.

7

135270

SERRATED SCREW,5/16" - 18 x 3/4"

30шт.

8

145458

SERRATED NUT,5/16"-18 GR 5 ZND

30шт.

9

1307589C1

BAT

reel 30 foot

5шт.

10

477-82508

SERRATED SCREW,Sl Truss Hd, 1/4" - 20 x 1/2"

60шт.

11

280129

NUT,1/4"-20

60шт.

13

1308369C1

SUPPORT

reel shaft

2шт.

14

9637240

BOLT,Hex, 3/8" - 16 x 3 1/4", Gr 5

4шт.

15

247780

SERRATED NUT,Flg, USR, 3/8"-16

4шт.

16

87414

LUBE NIPPLE,1/4" - 28

2шт.

17

277373A1

SUPPORT

bat reel, LH

1шт.

17a

277369A1

SUPPORT

bat reel, plate

1шт.

19

633177R1

WASHER

washer, cotter pin

1шт.

20

80752

COTTER PIN,1/4" x 2 1/2"

1шт.

21

495-81094

WASHER,1 25/32" x 2 3/4" x .048"

1шт.

22

95-81057

WASHER,1.78" ID x 2.75" OD x 0.12" Thk

1шт.

22a

495-81089

WASHER,1.66" ID x 2.25" OD x 0.12" Thk

2шт.

23

277370A2

SUPPORT

bat reel, RH

1шт.

23a

277369A1

SUPPORT

bat reel, plate

1шт.

29

1316328C1

SHIFTER ROLLER

reel support

4шт.

30

280505A1

SPACER

3/4"

4шт.

31

88043

BOLT,Hex, 1/2" - 13 x 3 1/4", Gr 5

4шт.

32

86992215

LOCK NUT,1/2"-13, GC

4шт.

Выбрано товаров: 27