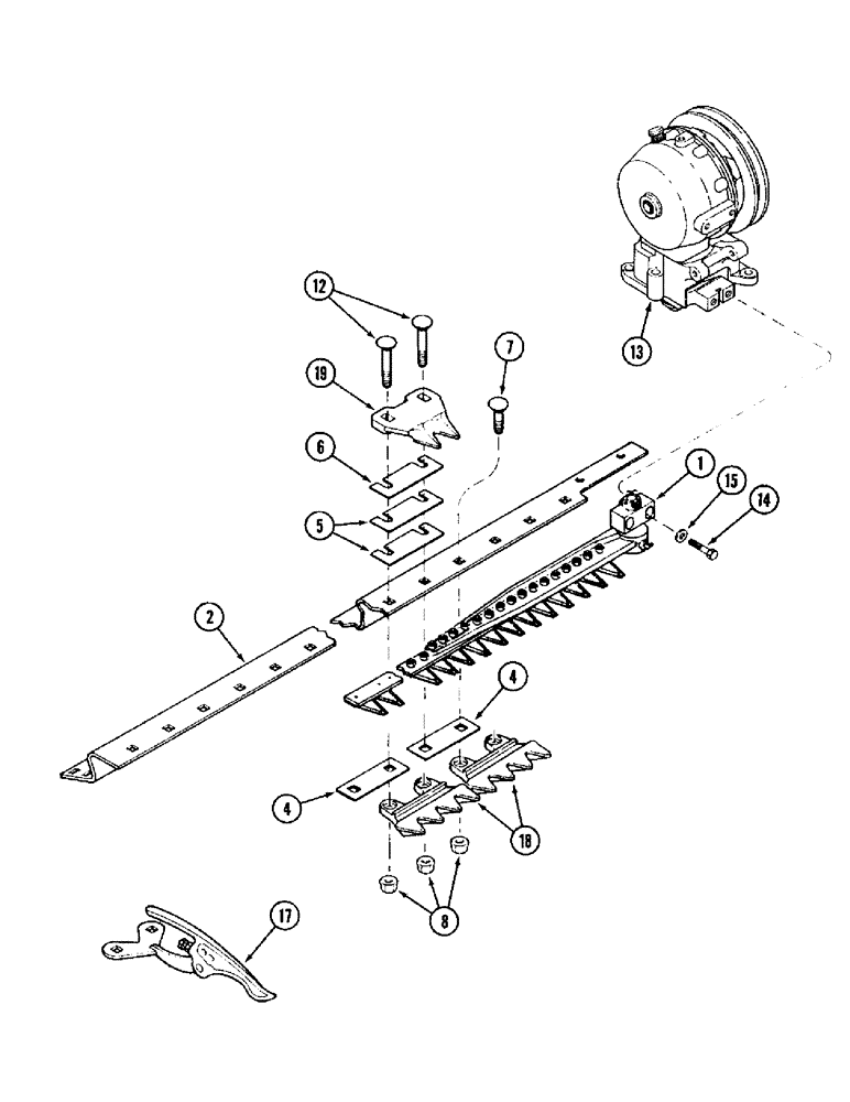
Запчасти Case IH 1010 (9B-02) - KNIFE GUARDS AND CUTTER BAR, 1.5 INCH KNIFE (58) - ATTACHMENTS/HEADERS

Схема запчастей Case IH 1010 - (9B-02) - KNIFE GUARDS AND CUTTER BAR, 1.5 INCH KNIFE (58) - ATTACHMENTS/HEADERS
13
17
15
4
1
14
5
2
19
18
8
6
12
4
7
FIT
1:1
100%

Артикул

Название

Примечание

Количество

1

REF

INSTRUCTION

KNIFE ASSEMBLY - header, 1.5 inch (See Page 9B-7)

1шт.

2

129305A1

CUTTER BAR

BAR - cutter (15.0 foot)

1шт.

2

129306A1

CUTTER BAR

BAR - cutter (17.5 foot)

1шт.

2

129307A1

CUTTER BAR

BAR - cutter (20.0 foot)

1шт.

2

129308A1

CUTTER BAR

BAR - cutter (22.5 foot)

1шт.

2

129309A1

CUTTER BAR

BAR - cutter (25.0 foot)

1шт.

2

129310A1

CUTTER BAR

BAR - cutter (30.0 foot)

1шт.

4

126628C1

SHIM

- .09 inch, knife guard

1шт.

5

1316040C1

SHIM,38.1mm OD x 2.1mm Thk

- .067 inch, knife hold down

1шт.

6

1316039C1

SHIM

- .016 inch, knife hold down

1шт.

7

433-724

CARRIAGE BOLT,Sq Nk, 7/16" - 14 x 1 1/2", Gr 5

BOLT - carriage, 7/16 NC x 1-1/2 inch

6шт.

8

1313463C1

FLANGE NUT

NUT - hex small flange lock, 7/16 inch NC

1шт.

12

434-736

CARRIAGE BOLT,Sht Sq Nk, 7/16" - 14 x 2 1/4", Gr 5

BOLT - carriage, 7/16 NC x 2-1/4 inch

1шт.

13

REF

INSTRUCTION

BOX ASSEMBLY - knife drive (See Page 9B-15)

1шт.

14

326-1036

BOLT,Hex, 5/8" - 11 x 2-1/4", Gr 8

2шт.

15

396-21066

WASHER,16.66mm ID x 33.33mm OD x 4.27mm Thk

2шт.

17

1326538C91

GRAIN LIFTER

LIFTER - grain

1шт.

18

1989552C1

GUARD

- knife, 4 point

1шт.

19

101001A2

KNIFE CLIP

CLIP - knife hold down

1шт.

Выбрано товаров: 0