Запчасти Case IH 1010 (9B-30) - KNIFE DRIVE SHAFT, 15.0, 17.5 AND 20.0 FOOT HEADER (HAYES-DANA) (58) - ATTACHMENTS/HEADERS

Схема запчастей Case IH 1010 - (9B-30) - KNIFE DRIVE SHAFT, 15.0, 17.5 AND 20.0 FOOT HEADER (HAYES-DANA) (58) - ATTACHMENTS/HEADERS
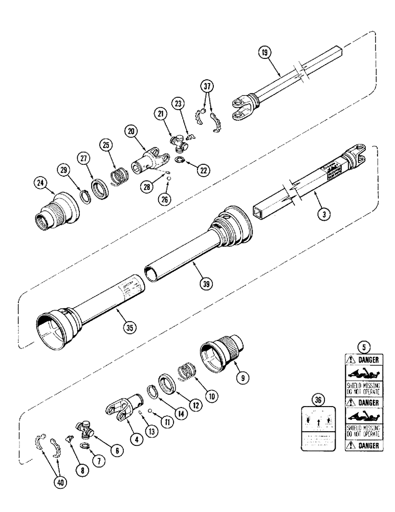
9
22
37
21
4
40
11
7
39
12
3
14
23
24
35
8
27
13
26
20
6
19
25
36
29
10
5
28
FIT
1:1
100%

Артикул

Название

Примечание

Количество

1316990C91

SHAFT

ASSEMBLY - drive (With decals)

1шт.

1326741C91

DRIVE SHAFT

SHAFT ASSEMBLY - female drive

1шт.

3

NSS

NOT SOLD SEPARAT

TUBE - female, outer

1шт.

4

NSS

NOT SOLD SEPARAT

YOKE - outer

1шт.

5

1326528C1

DECAL

- Danger, shield missing, do not operate

1шт.

757443

U-JOINT SPIDER

KIT - cross and bearing, drive shaft

1шт.

6

NSS

NOT SOLD SEPARAT

CROSS ASSEMBLY - bearing

1шт.

7

606177R1

SNAP RING

RING - retaining, 0.078 inch thick

1шт.

7

1986059C1

SNAP RING

RING - retaining, 0.058 inch thick

1шт.

8

219-40

LUBE NIPPLE,65 Degree Elbow, 1/8" - 27 NPTF

FITTING - grease, 65 degree, 1/8 PT x 7/8 inch

1шт.

9

1326580C1

COLLAR

- yoke

1шт.

10

1326585C1

SPRING

- shield

1шт.

11

21505R1

BALL,1/2" Dia, Stainless

- 1/2 inch

3шт.

12

1326583C1

COLLAR

RACE - shaft retainer

1шт.

13

19877R1

DOWEL

PIN - dowel, 3/16 x 1/2 inch

3шт.

14

100-11187

SNAP RING,#187, Ext

Ring, Snap, #187, Ext

1шт.

1326744C91

DRIVE SHAFT

SHAFT ASSEMBLY - male drive

1шт.

19

NSS

NOT SOLD SEPARAT

SHAFT - male, inner

1шт.

20

NSS

NOT SOLD SEPARAT

YOKE - drive

1шт.

757443

U-JOINT SPIDER

KIT - cross and bearing, drive shaft

1шт.

21

NSS

NOT SOLD SEPARAT

CROSS ASSEMBLY - bearing

1шт.

22

606177R1

SNAP RING

RING - retaining, 0.078 inch thick

1шт.

22

1986059C1

SNAP RING

RING - retaining, 0.058 inch thick

1шт.

23

219-40

LUBE NIPPLE,65 Degree Elbow, 1/8" - 27 NPTF

FITTING - grease, 65 degree, 1/8 PT x 7/8 inch

1шт.

24

1326580C1

COLLAR

- yoke

1шт.

25

1326585C1

SPRING

- shield

1шт.

26

21505R1

BALL,1/2" Dia, Stainless

- 1/2 inch

3шт.

27

1326583C1

COLLAR

RACE - shaft retainer

1шт.

28

19877R1

DOWEL

PIN - dowel, 3/16 x 1/2 inch

3шт.

29

100-11187

SNAP RING,#187, Ext

Ring, Snap, #187, Ext

1шт.

1326747C91

SHIELD

ASSEMBLY - outer, with decal

1шт.

35

1326594C1

SHIELD

- outer

1шт.

36

1326579C1

DECAL

- lubricate journal and bearing

1шт.

37

1980787C1

BEARING ASSY

BEARING KIT - shield

1шт.

1326750C91

SHIELD

ASSEMBLY - inner

1шт.

39

1326593C1

SHIELD

- inner

1шт.

40

1980787C1

BEARING ASSY

BEARING KIT - shield

1шт.

Выбрано товаров: 37