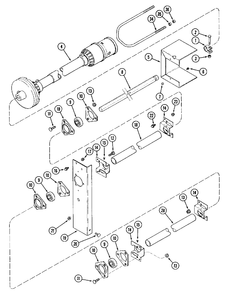
Запчасти Case IH 1010 (9C-20) - AUGER JACKSHAFT DRIVE, 30.0 FOOT HEADER (58) - ATTACHMENTS/HEADERS

Схема запчастей Case IH 1010 - (9C-20) - AUGER JACKSHAFT DRIVE, 30.0 FOOT HEADER (58) - ATTACHMENTS/HEADERS
6
7
36
16
10
28
20
21
13
23
11
34
11
1
13
14
35
10
9
8
18
9
10
2
14
22
10
19
15
14
4
12
17
10
5
10
14
9
13
3
15
FIT
1:1
100%

Артикул

Название

Примечание

Количество

1

225265R1

CLAMP

- jackshaft

1шт.

2

413-840

BOLT,Hex, 1/2" - 13 x 2-1/2", Gr 5

- hex, 1/2 NC x 2-1/2 inch

1шт.

3

231-4118

LOCK NUT,1/2"-13, GB

NUT - hex, self-locking, 1/2 inch NC

1шт.

4

REF

INSTRUCTION

DRIVE SHAFT ASSEMBLY - auger (See Page 9C-25)

1шт.

5

106023A2

SHIELD

- clutch

1шт.

6

409-7412

BOLT,Hex Flg, 1/4" - 20 x 3/4", Spcl

- hex serrated flange, 1/4 NC x 3/4 inch

2шт.

7

231-5144

SERRATED NUT,Flg, USR, 1/4"-20

2шт.

8

125980A1

JACKSHAFT

BAR - jackshaft

1шт.

9

156816C91

BEARING HOUSING,28.6mm Hex x 72mm OD x 25mm W

BEARING - ball, jackshaft

3шт.

10

180955C1

FLANGED BEARING,0.375"

FLANGE - bearing

6шт.

11

434-616

CARRIAGE BOLT,Sht Sq Nk, 3/8" - 16 x 1", Gr 5

BOLT - carriage, 3/8 NC x 1 inch

6шт.

12

434-620

CARRIAGE BOLT,Sht Sq Nk, 3/8" - 16 x 1 1/4", Gr 5

BOLT, CARRIAGE, Short NK, 3/8"-16 x 1 1/4", G5, Full Thd

3шт.

13

231-5146

FLANGE NUT,3/8"-16

9шт.

14

125992A1

SUPPORT

SHIELD - jackshaft

4шт.

15

282-1448

SELF-TAP SCREW,Hex Wash Hd, #8 x 1/2"

SCREW - self tapping, No. 8-18 x 1 inch

2шт.

16

409-7512

BOLT,Hex Flg, 5/16" - 18 x 3/4", Spcl

- hex serrated flange, 5/16 NC x 3/4 inch

2шт.

17

231-5145

SERRATED NUT,Flg, USR, 5/16"-18

NUT - hex serrated flange, 5/16 inch NC

2шт.

18

125989A1

TUBE,48.26 mm OD, 729 mm Length

- jackshaft shield

1шт.

19

128416A1

SUPPORT

- jackshaft

1шт.

20

434-816

CARRIAGE BOLT,Sht Sq Nk, 1/2" - 13 x 1", Gr 5

BOLT - carriage, 1/2 NC x 1 inch

1шт.

21

231-5148

FLANGE NUT,Flg, USR, 1/2"-13

1шт.

22

409-1512

BOLT,Hex, 5/16" - 18 x 3/4", Gr 5

- hex, self-locking, 5/16 NC x 3/4 inch

2шт.

23

231-5145

SERRATED NUT,Flg, USR, 5/16"-18

NUT - hex serrated flange, 5/16 inch NC

2шт.

28

125985A1

TUBE,48.26 mm OD, 978 mm Length

- jackshaft shield

1шт.

34

138005A1

HANGER

- drive line

1шт.

35

425-108

NUT,1/2" - 13, Gr 5

NUT, , Hex 1/2"-13, G5

2шт.

36

231-4118

LOCK NUT,1/2"-13, GB

NUT - hex, self-locking, 1/2 inch NC

2шт.

Выбрано товаров: 0