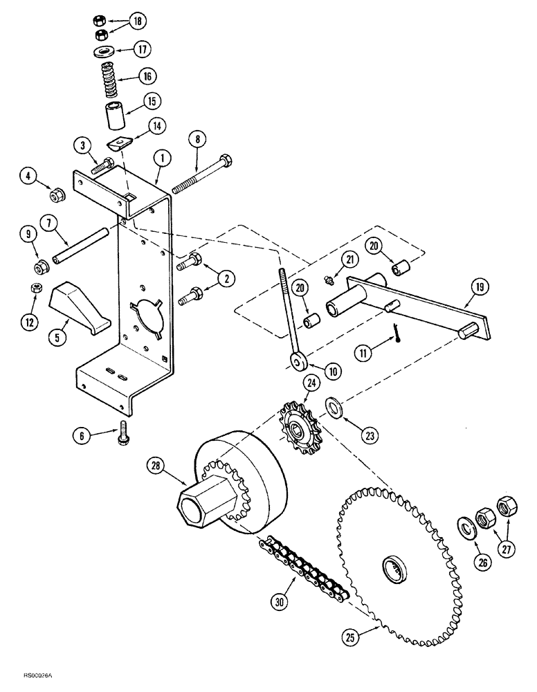
Запчасти Case IH 1015 (9-028) - AUGER DRIVE (58) - ATTACHMENTS/HEADERS

Схема запчастей Case IH 1015 - (9-028) - AUGER DRIVE (58) - ATTACHMENTS/HEADERS
23
11
2
25
3
5
1
16
7
10
15
30
20
20
19
24
27
26
4
8
18
9
12
6
28
17
14
21
FIT
1:1
100%

Артикул

Название

Примечание

Количество

1

1316540C1

SUPPORT

auger drive

1шт.

2

136187C2

BOLT,Drilled Hex, 1/2" - 13 x 5", Full Thd

hex, 1/2 NC x 1-1/2 inch

2шт.

3

154273C1

BOLT,Hex Serr, 3/8" - 16 x 1", Spcl

hex, self locking, special, 3/8 NC x 1 inch

4шт.

4

231-5146

FLANGE NUT,3/8"-16

4шт.

5

1316381C2

GUIDE

auger chain

1шт.

6

409-7512

BOLT,Hex Flg, 5/16" - 18 x 3/4", Spcl

2шт.

7

1316527C1

SPACER

idler lever

1шт.

8

413-8104

BOLT,Hex, 1/2" - 13 x 6-1/2", Gr 5

hex, 1/2 NC x 6-1/2 inch

1шт.

9

232-5318

FLANGE NUT,Flg, 1/2"-13

hex flange, self locking, 1/2 inch NC

1шт.

10

1316528C1

BOLT

EYE idler

1шт.

11

432-1624

COTTER PIN,1/4" x 1 1/2"

1шт.

12

425-105

NUT,5/16"-18, G5

2шт.

14

194652C1

PIVOT

rod

1шт.

15

1316533C1

SPACER

auger idler stop

1шт.

16

360626R2

SPRING

auger drive idler

1шт.

17

185129C1

WASHER,13.46mm ID x 38.1mm OD x 4.57mm Thk

flat, special, 17/32 x 1-1/2 x 3/16 inch, hardened

1шт.

18

425-108

NUT,1/2" - 13, Gr 5

2шт.

19

1316522C95

LEVER

ASSEMBLY, auger idler, Includes Ref: 20, 21

1шт.

20

289588R1

BUSHING

lever

2шт.

21

219-87

LUBE NIPPLE,1/4" - 28 NPTF

1шт.

23

495-81057

WASHER,23.01mm ID x 38.1mm OD x 3.4mm Thk

flat, 29/32 x 1-1/2 x 7/64 inch

1шт.

24

1316050C91

SPROCKET

15 tooth, auger idler

1шт.

25

1307329C1

SPROCKET

50 tooth, auger drive, standard, 170 rpm

1шт.

With auger drive sprocket Ref. 25 use bulk chain 1316611362R91 and connecting link 241-1316 in the following quanitites: 50 tooth sprocket - 83 links and 1 connecting link

1шт.

25

1316189C1

SPROCKET

56 tooth, auger drive, 152 rpm

1шт.

With auger drive sprocket Ref. 25 use bulk chain 1316611362R91 and connecting link 241-1316 in the following quanitites: 56 tooth sprocket - 85 links and 1 connecting link

1шт.

25

1307327C1

SPROCKET

45 tooth, auger drive, 189 rpm

1шт.

With auger drive sprocket Ref. 25 use bulk chain 1316611362R91 and connecting link 241-1316 in the following quanitites: 45 tooth sprocket - 81 links and 1 connecting link

1шт.

25

1316570C1

SPROCKET

40 tooth, auger drive, 213 rpm

1шт.

With auger drive sprocket Ref. 25 use bulk chain 1316611362R91 and connecting link 241-1316 in the following quanitites: 40 tooth sprocket - 79 links and 1 connecting link

1шт.

26

496-21106

WASHER,1 1/16" x 2" x .209", HDN

1шт.

27

425-1416

JAM NUT,Jam, 1"-8, G5

hex, jam, 1 inch NC

2шт.

28

REF

INSTRUCTION

CLUTCH ASSEMBLY, slip, auger drive, See Fig. 9-34

1шт.

30

NSS

NOT SOLD SEPARAT

CHAIN ASSEMBLY, With auger drive sprocket Ref. 25 use bulk chain 1316611362R91 and connecting link 241-1316

1шт.

611362R91

CHAIN (AG)

bulk, No. 60, 10 ft (3048 mm) roll

1шт.

241-1316

LINK,19.05mm Pitch

connecting, single pitch, No. 60, 3/4 inch pitch

1шт.

Выбрано товаров: 36