Запчасти Case IH 1015 (9-030) - AUGER JACKSHAFT DRIVE, CENTER DISCHARGE GRAIN HEADERS (58) - ATTACHMENTS/HEADERS

Схема запчастей Case IH 1015 - (9-030) - AUGER JACKSHAFT DRIVE, CENTER DISCHARGE GRAIN HEADERS (58) - ATTACHMENTS/HEADERS
7
18
3
17
22
7
25
35
2
3
21
6
32
8
4
19
36
4
27
30
28
41
23
12
16
5
31
40
37
42
1
13
15
26
7
9
FIT
1:1
100%

Артикул

Название

Примечание

Количество

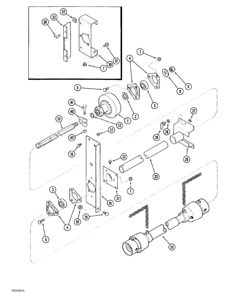
1

REF

INSTRUCTION

CLUTCH ASSEMBLY, slip, auger drive, See Fig. 9-34

1шт.

2

495-81213

WASHER,35.71mm ID x 50.8mm OD x 1.7mm Thk

flat, 1-13/32 x 2 x 3/64 inch

1шт.

3

156816C91

BEARING HOUSING,28.6mm Hex x 72mm OD x 25mm W

ball

2шт.

4

180955C1

FLANGED BEARING,0.375"

bearing

4шт.

5

434-616

CARRIAGE BOLT,Sht Sq Nk, 3/8" - 16 x 1", Gr 5

3шт.

6

434-616

CARRIAGE BOLT,Sht Sq Nk, 3/8" - 16 x 1", Gr 5

11 foot

3шт.

6

434-620

CARRIAGE BOLT,Sht Sq Nk, 3/8" - 16 x 1 1/4", Gr 5

13 foot

3шт.

7

231-5146

FLANGE NUT,3/8"-16

1шт.

8

396-41081

WASHER,20.63mm ID x 44.45mm OD x 5.56mm Thk

flat, 13/16 x 1-3/4 x 7/32 inch hardened

1шт.

9

232-41112

NUT,3/4"-10, GC

1шт.

12

575186R1

SNAP RING

retaining

1шт.

13

1316225C2

SHAFT

JACK drive, 11 foot

1шт.

13

1316226C2

SHAFT

JACK drive, 13 foot

1шт.

15

1307339C1

SUPPORT

jackshaft, 13 foot

1шт.

16

409-7512

BOLT,Hex Flg, 5/16" - 18 x 3/4", Spcl

2шт.

17

231-5145

SERRATED NUT,Flg, USR, 5/16"-18

2шт.

18

434-816

CARRIAGE BOLT,Sht Sq Nk, 1/2" - 13 x 1", Gr 5

carriage, 1/2 NC x 1 inch

1шт.

19

231-5148

FLANGE NUT,Flg, USR, 1/2"-13

1шт.

21

1320880C1

SHIELD

SUPPORT shield tube

1шт.

22

256873

BOLT,Hex Serr, 5/16" - 18 x 1/2", 5SPL, Full Thd

1шт.

23

1316379C1

TUBE,48.26 mm OD, 258.5 mm Length

jackshaft shield, 13 foot

1шт.

25

1320882C1

SHIELD

clutch, 13 foot

1шт.

26

1316776C1

STUD

fastener

2шт.

27

1316777C1

LOCKING RING

RETAINER stud

4шт.

28

95-81068

WASHER,0.34" ID x 0.66" OD x 0.02" Thk

flat, 11/32 x 21/32 x 1/64 inch

1шт.

30

1320892C1

SUPPORT

jackshaft, 11 foot

1шт.

31

154273C1

BOLT,Hex Serr, 3/8" - 16 x 1", Spcl

hex, self locking, special, 3/8 NC x 1 inch

2шт.

32

1326597C1

SHIELD

clutch, 11 foot

1шт.

35

REF

INSTRUCTION

SHAFT ASSEMBLY, drive, See Figs. 9-36 through 9-40

1шт.

36

183-123

THUMB SCREW

thumb with shoulder, 5/16 NC x 3/4 inch

2шт.

37

488837C1

SPRING NUT

speed, 5/16 inch NC

2шт.

40

1327106C1

COLLAR

shaft

1шт.

41

326-640

BOLT,Hex, 3/8" - 16 x 2-1/2", Gr 8

1шт.

42

232-4136

LOCK NUT,3/8"-16, GC

1шт.

Выбрано товаров: 34