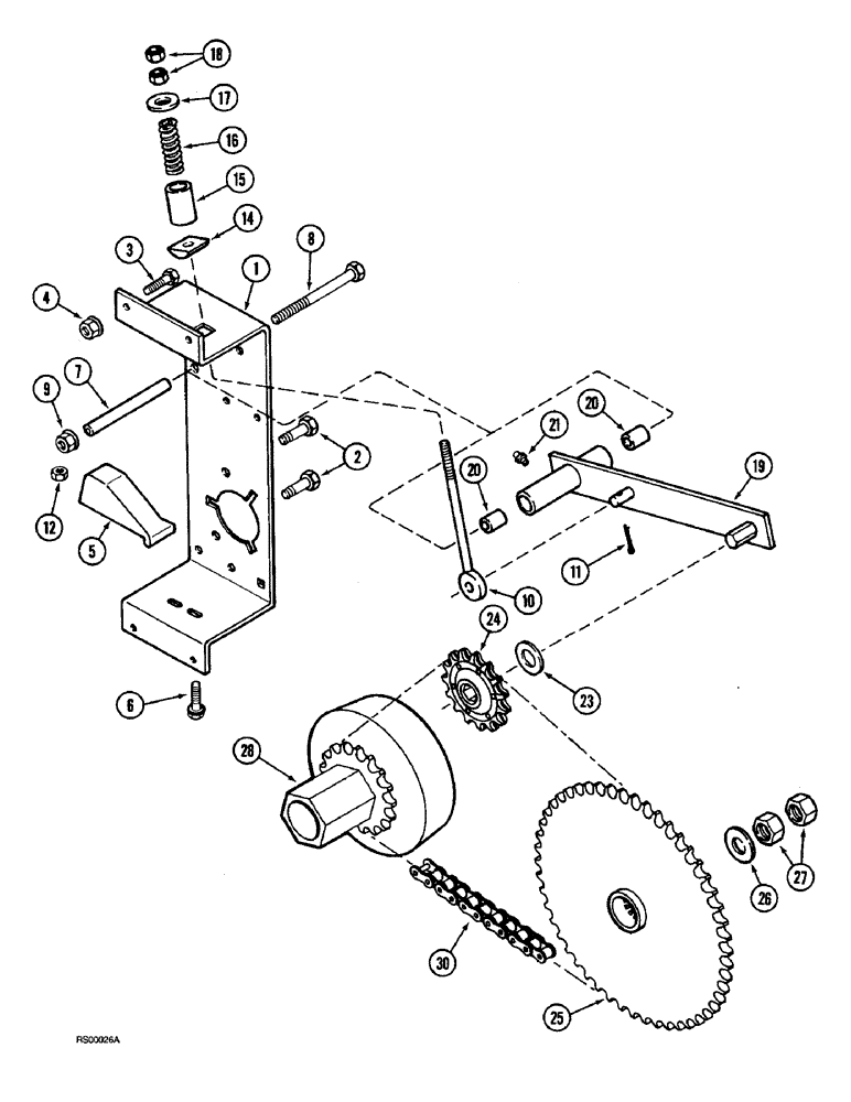
Запчасти Case IH 1015 (9-24) - AUGER DRIVE (58) - ATTACHMENTS/HEADERS

Схема запчастей Case IH 1015 - (9-24) - AUGER DRIVE (58) - ATTACHMENTS/HEADERS
18
27
28
3
14
21
23
25
19
9
4
1
16
24
7
8
6
26
20
5
15
12
20
11
2
30
17
10
FIT
1:1
100%

Артикул

Название

Примечание

Количество

1

1316540C1

SUPPORT

1шт.

2

136187C2

BOLT,Drilled Hex, 1/2" - 13 x 5", Full Thd

1/2 x 1-1/2

2шт.

3

154273C1

BOLT,Hex Serr, 3/8" - 16 x 1", Spcl

3/8 x 1

4шт.

4

231-5146

FLANGE NUT,3/8"-16

4шт.

5

1316381C2

GUIDE

1шт.

6

409-7512

BOLT,Hex Flg, 5/16" - 18 x 3/4", Spcl

Hex Flg, 5/16-18 x 3/4", Serr

2шт.

7

1316527C1

SPACER

Bushing

1шт.

8

413-8104

BOLT,Hex, 1/2" - 13 x 6-1/2", Gr 5

1/2 x 6-1/2

1шт.

9

232-5318

FLANGE NUT,Flg, 1/2"-13

NUT, LOCK, Flg, 1/2"-13

1шт.

10

1316528C1

BOLT

Eye

1шт.

11

432-1624

COTTER PIN,1/4" x 1 1/2"

Pin, Split (Cotter), 1/4" x 1-1/2"

1шт.

12

425-105

NUT,5/16"-18, G5

2шт.

14

194652C1

PIVOT

1шт.

15

1316533C1

SPACER

1шт.

16

360626R2

SPRING

1шт.

17

185129C1

WASHER,13.46mm ID x 38.1mm OD x 4.57mm Thk

Washer 17/32 x 1-1/2 x 3/16

1шт.

18

425-108

NUT,1/2" - 13, Gr 5

NUT, 1/2"-13, G5

2шт.

19

1316522C95

LEVER

Assy Includes : 20, 21

1шт.

20

289588R1

BUSHING

2шт.

21

219-87

LUBE NIPPLE,1/4" - 28 NPTF

NIPPLE, LUBE, 1/4"-28 x .56" lg, Self-Tap

1шт.

23

495-81057

WASHER,23.01mm ID x 38.1mm OD x 3.4mm Thk

29/32 x 1-1/2 x 7/64

1шт.

24

1316050C91

SPROCKET

15T

1шт.

25

1316189C1

SPROCKET

56T

1шт.

25

1307329C1

SPROCKET

50T

1шт.

25

1307327C1

SPROCKET

45T

1шт.

25

1316570C1

SPROCKET

40T

1шт.

26

496-21106

WASHER,1 1/16" x 2" x .209", HDN

1шт.

27

425-1416

JAM NUT,Jam, 1"-8, G5

1

2шт.

28

REF

INSTRUCTION

Clutch Assy See Page : 9-29

1шт.

30

NSS

NOT SOLD SEPARAT

1шт.

Chain Assy With 56 T Sprocket Use 85 links of 611362R91, 2 x 241-1316, 1 x 241-1116 With 50 T Sprocket Use 83 links of 611362R91, 1 x 241-1316 With 45 T Sprocket Use 81 links of 611362R91, 1 x 241-1316 With 40 T Sprocket Use 79 links of 611362R91, 1 x 241-1316

1шт.

611362R91

CHAIN (AG)

Chain No. 60, 10 ft

1шт.

241-1316

LINK,19.05mm Pitch

Link, Connecting No. 60

1шт.

Выбрано товаров: 33