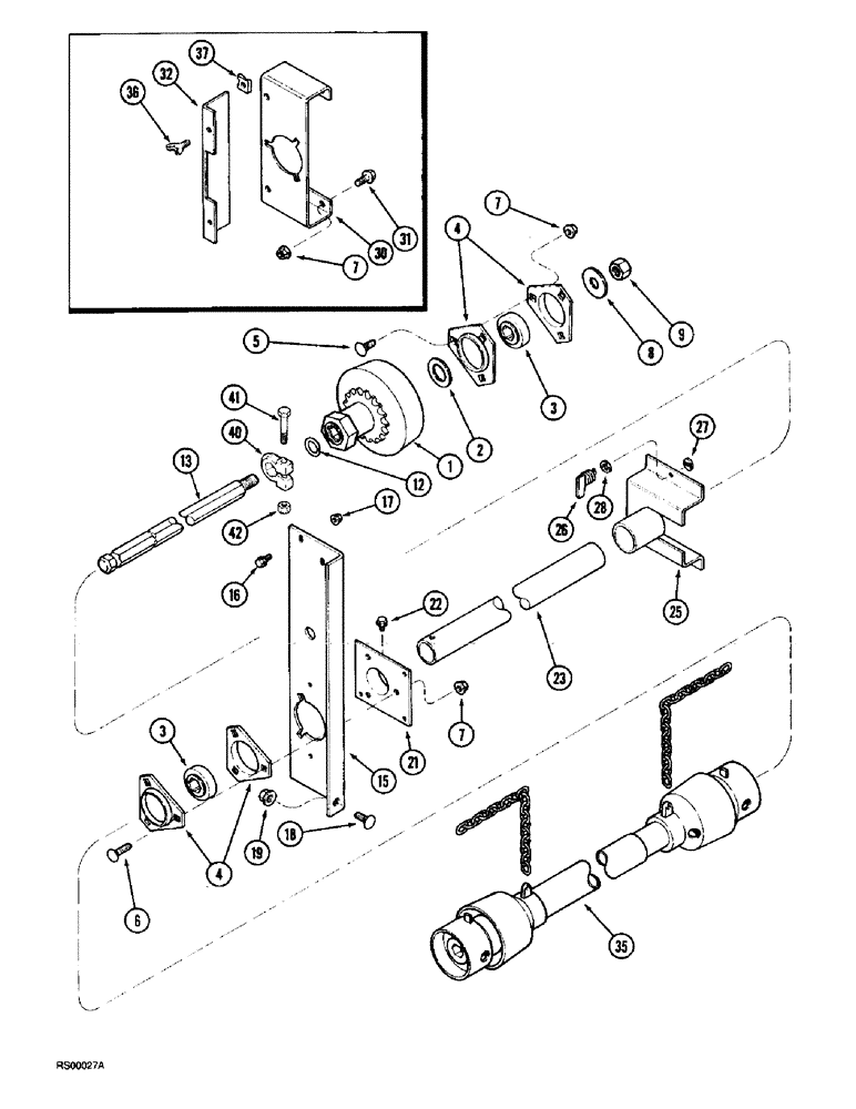
Запчасти Case IH 1015 (9-26) - AUGER JACKSHAFT DRIVE (58) - ATTACHMENTS/HEADERS

Схема запчастей Case IH 1015 - (9-26) - AUGER JACKSHAFT DRIVE (58) - ATTACHMENTS/HEADERS
4
12
9
5
3
37
4
7
26
28
1
16
17
15
6
22
27
31
21
19
42
32
18
8
35
7
3
7
40
13
23
41
36
25
2
30
FIT
1:1
100%

Артикул

Название

Примечание

Количество

1

REF

INSTRUCTION

Clutch Assy See Page : 9-29

1шт.

2

495-81213

WASHER,35.71mm ID x 50.8mm OD x 1.7mm Thk

1-13/32 x 2 x 3/64

1шт.

3

156816C91

BEARING HOUSING,28.6mm Hex x 72mm OD x 25mm W

Bearing, Ball

2шт.

4

180955C1

FLANGED BEARING,0.375"

Flange

4шт.

5

434-616

CARRIAGE BOLT,Sht Sq Nk, 3/8" - 16 x 1", Gr 5

Bolt 3/8 x 1

3шт.

6

434-616

CARRIAGE BOLT,Sht Sq Nk, 3/8" - 16 x 1", Gr 5

Bolt 3/8 x 1

3шт.

7

231-5146

FLANGE NUT,3/8"-16

1шт.

8

396-41081

WASHER,20.63mm ID x 44.45mm OD x 5.56mm Thk

13/16 x 1-3/4 x 7/32

1шт.

9

232-41112

NUT,3/4"-10, GC

NUT, LOCK, 3/4"-10, GC

1шт.

12

575186R1

SNAP RING

Ring, Retaining

1шт.

13

1316225C2

SHAFT

Jackshaft 11 Ft

1шт.

13

1316226C2

SHAFT

Jackshaft 13 Ft

1шт.

15

1307339C2

SUPPORT

13 Ft

1шт.

16

409-7512

BOLT,Hex Flg, 5/16" - 18 x 3/4", Spcl

Hex Flg, 5/16-18 x 3/4", Serr

2шт.

17

231-5145

SERRATED NUT,Flg, USR, 5/16"-18

NUT, Flg, USR, 5/16"-18

2шт.

18

434-816

CARRIAGE BOLT,Sht Sq Nk, 1/2" - 13 x 1", Gr 5

Bolt 1/2 x 1

1шт.

19

231-5148

FLANGE NUT,Flg, USR, 1/2"-13

1шт.

21

1320880C1

SHIELD

Support

1шт.

22

256873

BOLT,Hex Serr, 5/16" - 18 x 1/2", 5SPL, Full Thd

1шт.

23

1316379C1

TUBE,48.26 mm OD, 258.5 mm Length

13 Ft

1шт.

25

1320882C1

SHIELD

Clutch 13 Ft

1шт.

26

1316776C1

STUD

2шт.

27

1316777C1

LOCKING RING

Retainer

4шт.

28

95-81068

WASHER,0.34" ID x 0.66" OD x 0.02" Thk

11/32 x 21/32 x 1/64

1шт.

30

1320892C1

SUPPORT

11 Ft

1шт.

31

154273C1

BOLT,Hex Serr, 3/8" - 16 x 1", Spcl

3/8 x 1

2шт.

32

1326597C1

SHIELD

Clutch 11 Ft

1шт.

35

REF

INSTRUCTION

Shaft Assy See Pages : 9-31 - 9-35

1шт.

36

183-123

THUMB SCREW

Thumb 5/16 x 3/4

2шт.

37

488837C1

SPRING NUT

5/16

2шт.

40

1327106C1

COLLAR

1шт.

41

326-640

BOLT,Hex, 3/8" - 16 x 2-1/2", Gr 8

1шт.

42

232-4136

LOCK NUT,3/8"-16, GC

NUT, LOCK, 3/8"-16, GC

1шт.

Выбрано товаров: 33