Запчасти Case IH 1020 (09B-20A[03]) - KNIFE ASSEMBLY KITS 3 INCH BOLTED FINE SERRATIONS - 20.0 FOOT HEADER (09) - CHASSIS/ATTACHMENTS

Схема запчастей Case IH 1020 - (09B-20A[03]) - KNIFE ASSEMBLY KITS 3 INCH BOLTED FINE SERRATIONS - 20.0 FOOT HEADER (09) - CHASSIS/ATTACHMENTS
1
11
22
16
16
1
15
23
21
23
20
6
22
22
1
26
1
24
1
25
8
18
14
22
22
22
1
16
24
22
4
10
7
1
1
22
17
19
16
27
3
9
12
13
11
1
11
11
16
7
18
5
1
1
9
11
FIT
1:1
100%

Артикул

Название

Примечание

Количество

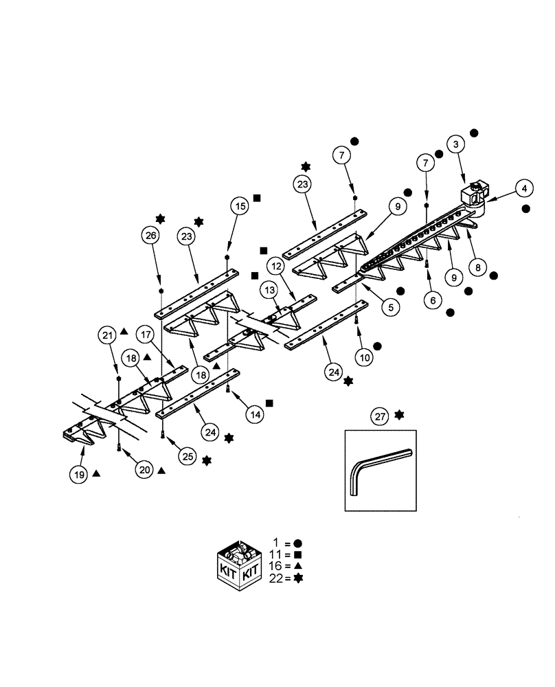
0

371607A1

KNIFE ASSY

20.0 foot modular

1шт.

Includes 2 - 27

1шт.

1

371639A1

KNIFE ASSY

segment

1шт.

Includes 13 - 20

1шт.

3

1316161C95

KNIFE HEAD

HEAD, KNIFE

1шт.

Includes 4

1шт.

4

1345491C2

DUST CAP

cover

1шт.

5

NSS

NOT SOLD SEPARAT

Bar, Knifeback

1шт.

6

1979166C1

BOLT

#12-24 x 1 1/8"

16шт.

7

1954816C1

LOCK NUT

hex lock, No. 12-24

66шт.

8

1316030C2

KNIFE SECTION

SECTION, KNIFE 3", plain half

1шт.

9

826720C3

KNIFE SECTION

SECTION, KNIFE 3" fine overserrated

33шт.

10

700708646

BOLT AND NUT,Slotted, Btn Hd, #12 - 24 x 5/8"

#12-24 x 5/8" slot bt hd

50шт.

11

371625A1

KNIFE ASSY

segment, center

1шт.

Includes 12 -15

1шт.

12

NSS

NOT SOLD SEPARAT

Bar, Knifeback

1шт.

13

826720C3

KNIFE SECTION

SECTION, KNIFE 3" fine overserrated

34шт.

14

700708646

BOLT AND NUT,Slotted, Btn Hd, #12 - 24 x 5/8"

#12-24 x 5/8" slot bt hd

60шт.

15

1954816C1

LOCK NUT

hex lock, No. 12-24

60шт.

16

371630A1

KNIFE ASSY

20.0 foot RH end segment

1шт.

Includes 17 - 21

1шт.

17

NSS

NOT SOLD SEPARAT

Bar, Knifeback

1шт.

18

826720C3

KNIFE SECTION

SECTION, KNIFE 3" fine overserrated

11шт.

19

324070A1

KNIFE SECTION

SECTION, KNIFE RH end

1шт.

20

700708646

BOLT AND NUT,Slotted, Btn Hd, #12 - 24 x 5/8"

#12-24 x 5/8" slot bt hd

23шт.

21

1954816C1

LOCK NUT

hex lock, No. 12-24

23шт.

22

371658A1

KIT

modular knife splice

2шт.

Includes 23 - 27

1шт.

23

371681A1

STRAP

modular knife top splice

1шт.

24

371668A1

STRAP

modular knife bottom splice

1шт.

25

227457A1

SCREW,#12 - 24 x 13/16", Gr 8

#12-24 x .13/16" CSK HSKT

10шт.

26

1954816C1

LOCK NUT

hex lock, No. 12-24

10шт.

27

NSS

NOT SOLD SEPARAT

Tool, Hex Socket

1шт.

Выбрано товаров: 33