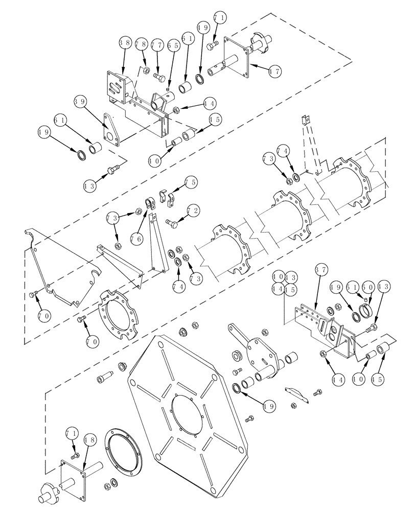
Запчасти Case IH 1020 (09A-04) - PICKUP REEL WITH PLASTIC TINES - 15.0, 16.5, 17.5 AND 20.0 FOOT HEADERS - BSN JJC0324999 (09) - CHASSIS/ATTACHMENTS

Схема запчастей Case IH 1020 - (09A-04) - PICKUP REEL WITH PLASTIC TINES - 15.0, 16.5, 17.5 AND 20.0 FOOT HEADERS - BSN JJC0324999 (09) - CHASSIS/ATTACHMENTS
45
49
45
49
73
48
40
61
44
37
50
40
38
73
44
44
45
78
47
43
65
71
61
74
74
73
40
72
43
49
75
51
77
39
71
43
49
76
70
70
FIT
1:1
100%

Артикул

Название

Примечание

Количество

37

277363A1

BRACKET

pickup reel support, LH

1шт.

38

277361A2

BRACKET

pickup reel support, RH

1шт.

39

280262A1

SUPPORT

shield, outer

1шт.

40

280505A1

SPACER

3/4"

5шт.

43

88043

BOLT,Hex, 1/2" - 13 x 3 1/4", Gr 5

5шт.

44

86992215

LOCK NUT,1/2"-13, GC

5шт.

45

1316328C1

SHIFTER ROLLER

reel support

4шт.

47

1989426C2

SHAFT

driving end

1шт.

48

1989424C2

SHAFT

driven end

1шт.

49

495-81089

WASHER,1.66" ID x 2.25" OD x 0.12" Thk

4шт.

50

114943A1

COLLAR

locking

1шт.

Includes 51

1шт.

51

878-1106

SET SCREW,Hex Skt, M10 x 6mm, Cup Pt

2шт.

61

167666C1

BUSHING

roller frame

2шт.

65

80720

LUBE NIPPLE,30 Degree, 1/8"-27 NPT x .91" lg

1шт.

70

11106231

BOLT,Hex, M10 x 1.5 x 25mm, Cl 10.9

1шт.

71

43140

BOLT,Hex, M10 x 1.5 x 30mm, Cl 8.8

8шт.

72

120113

BOLT,Hex, M10 x 1.5 x 50mm, Cl 8.8, Full Thd

1шт.

73

87030549

NUT,M10 x 1.5, Cl 10

1шт.

74

140028

WASHER,10.2mm ID x 18.1mm OD x 2.2mm Thk

1шт.

75

1347084C1

CLAMP,50.8 mm ID x 25.4 mm

reel arm

1шт.

76

1347085C1

STRAP

bearing

1шт.

77

280234

BOLT,Hex, 1/2" - 13 x 3", Gr 5, Full Thd

1шт.

78

280431

NUT,1/2"-13, G5

1шт.

Выбрано товаров: 24