Запчасти Case IH 1020 (09A-17) - HYDRAULIC REEL DRIVE ATTACHMENT - 1440E, 1460E AND 1480E COMBINE (09) - CHASSIS/ATTACHMENTS

Схема запчастей Case IH 1020 - (09A-17) - HYDRAULIC REEL DRIVE ATTACHMENT - 1440E, 1460E AND 1480E COMBINE (09) - CHASSIS/ATTACHMENTS
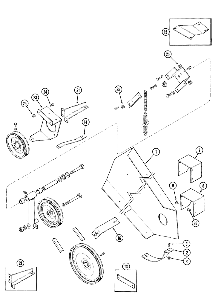
9
2
23
6
25
24
3
25
21
14
16
21
25
13
4
1
7
15
10
FIT
1:1
100%

Артикул

Название

Примечание

Количество

1

189459C3

SHIELD

pump drive

1шт.

1460E Combine with 47 inch feeder

1шт.

1440E Combine with 47 inch feeder

1шт.

1

189460C3

SHIELD

pump drive

1шт.

1480E Combine with 54.5 inch feeder

1шт.

1460E Combine with 54.5 inch feeder

1шт.

2

189470C1

SUPPORT

shield, upper LH

1шт.

3

477-73108

SERRATED SCREW,Sl Truss Hd, 5/16" - 18 x 1/2"

1шт.

3

135270

SERRATED SCREW,5/16" - 18 x 3/4"

1шт.

4

145458

SERRATED NUT,5/16"-18 GR 5 ZND

1шт.

6

197646C1

SHIELD

feeder jackshaft LH

1шт.

1460E Combine with 47 inch feeder

1шт.

1440E Combine with 47 inch feeder

1шт.

6

189730C1

SHIELD

feeder jackshaft LH

1шт.

1480E Combine with 54.5 inch feeder

1шт.

1460E Combine with 54.5 inch feeder

1шт.

7

179253C1

SHIELD

feeder jackshaft LH

1шт.

1480E Combine with 54.5 inch feeder

1шт.

1460E Combine with 47 inch feeder

1шт.

9

477-82508

SERRATED SCREW,Sl Truss Hd, 1/4" - 20 x 1/2"

4шт.

10

523282

SERRATED NUT,Flg, USR, 1/4"-20

4шт.

13

203672C1

SUPPORT

shield, lower

1шт.

1480E Combine with 54.5 inch feeder

1шт.

14

189468C2

SUPPORT

shield, lower rear

1шт.

1460E Combine with 47 inch feeder

1шт.

1440E Combine with 47 inch feeder

1шт.

15

189469C1

SUPPORT

shield, lower rear

1шт.

1480E Combine with 54.5 inch feeder

1шт.

1460E Combine with 54.5 inch feeder

1шт.

16

189464C2

SUPPORT

shield, upper front

1шт.

ns

87364

WASHER,0.53" ID x 1.06" OD x 0.1" Thk

1шт.

Not Shown

1шт.

ns

80679

LOCK WASHER,1/20.507 CST ZND

1шт.

Not Shown

1шт.

ns

280431

NUT,1/2"-13, G5

1шт.

Not Shown

1шт.

21

189466C1

SUPPORT

shield, upper rear

1шт.

23

198409C2

SUPPORT

reel drive pump

1шт.

24

9706726

BOLT,Hex Flg, 3/8" - 16 x 1"

1шт.

25

247780

SERRATED NUT,Flg, USR, 3/8"-16

1шт.

Выбрано товаров: 40