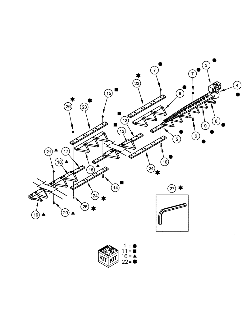
Запчасти Case IH 1020 (09B-21[04]) - KNIFE ASSEMBLY KITS 3 INCH BOLTED COARSE SERRATIONS - 22.5 FOOT HEADER (09) - CHASSIS/ATTACHMENTS

Схема запчастей Case IH 1020 - (09B-21[04]) - KNIFE ASSEMBLY KITS 3 INCH BOLTED COARSE SERRATIONS - 22.5 FOOT HEADER (09) - CHASSIS/ATTACHMENTS
18
11
22
12
14
1
22
13
5
9
11
1
24
16
1
6
22
4
7
15
22
16
23
21
11
10
18
16
22
22
24
8
1
20
1
1
1
22
9
22
19
1
27
23
26
16
11
1
11
17
25
1
16
1
7
3
FIT
1:1
100%

Артикул

Название

Примечание

Количество

0

371620A1

KNIFE ASSY

22.5 foot modular

1шт.

Includes 2 - 27

1шт.

0

371620A2

KNIFE ASSY

22.5 foot modular

1шт.

Includes 2 - 27

1шт.

1

371638A1

HEAD

segment

1шт.

Includes 3 - 10

1шт.

1

371638A2

KNIFE ASSY

head segment

1шт.

Includes 3 - 10

1шт.

3

1316161C94

KNIFE HEAD

HEAD, KNIFE

1шт.

Includes 4

1шт.

3

1316161C95

KNIFE HEAD

HEAD, KNIFE

1шт.

Includes 4

1шт.

4

1345491C2

DUST CAP

cover

1шт.

5

NSS

NOT SOLD SEPARAT

Bar, Knifeback

1шт.

6

1979166C1

BOLT

#12-24 x 1 1/8"

16шт.

7

1954816C1

LOCK NUT

hex lock, No. 12-24

66шт.

8

1316030C2

KNIFE SECTION

SECTION, KNIFE 3", plain half

1шт.

9

112074A1

KNIFE SECTION

SECTION, KNIFE overserrated, 3"

33шт.

10

700708646

BOLT AND NUT,Slotted, Btn Hd, #12 - 24 x 5/8"

#12-24 x 5/8" slot bt hd

50шт.

11

371643A1

KNIFE ASSY

segment, center

1шт.

Includes 12 -15

1шт.

12

NSS

NOT SOLD SEPARAT

Bar, Knifeback

1шт.

13

112074A1

KNIFE SECTION

SECTION, KNIFE overserrated, 3"

34шт.

14

700708646

BOLT AND NUT,Slotted, Btn Hd, #12 - 24 x 5/8"

#12-24 x 5/8" slot bt hd

60шт.

15

1954816C1

LOCK NUT

hex lock, No. 12-24

60шт.

16

371649A1

KNIFE ASSY

22.5 foot RH end segment

1шт.

Includes 17 - 21

1шт.

17

NSS

NOT SOLD SEPARAT

Bar, Knifeback

1шт.

18

112074A1

KNIFE SECTION

SECTION, KNIFE overserrated, 3"

21шт.

19

148200C1

KNIFE SECTION

SECTION, KNIFE overserrated, double right-hand

1шт.

20

700708646

BOLT AND NUT,Slotted, Btn Hd, #12 - 24 x 5/8"

#12-24 x 5/8" slot bt hd

43шт.

21

1954816C1

LOCK NUT

hex lock, No. 12-24

43шт.

22

371658A1

KIT

modular knife splice

2шт.

Includes 23 - 27

1шт.

23

371681A1

STRAP

modular knife top splice

1шт.

24

371668A1

STRAP

modular knife bottom splice

1шт.

25

227457A1

SCREW,#12 - 24 x 13/16", Gr 8

#12-24 x .13/16" CSK HSKT

10шт.

26

1954816C1

LOCK NUT

hex lock, No. 12-24

10шт.

27

NSS

NOT SOLD SEPARAT

Tool, Hex Socket

1шт.

Выбрано товаров: 39