Запчасти Case IH 1020 (9C-33A) - AUGER DRIVE SHAFT, (AUGER DRIVE MOUNTED ON RIGHT-HAND SIDE OF HEADER) 22.5, 25, AND 30 FOOT HEADER (58) - ATTACHMENTS/HEADERS

Схема запчастей Case IH 1020 - (9C-33A) - AUGER DRIVE SHAFT, (AUGER DRIVE MOUNTED ON RIGHT-HAND SIDE OF HEADER) 22.5, 25, AND 30 FOOT HEADER (58) - ATTACHMENTS/HEADERS
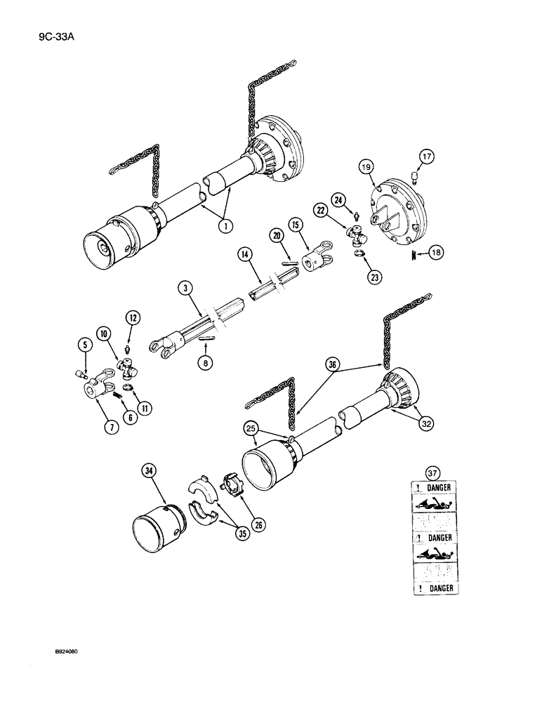
5
36
26
11
3
17
22
1
12
34
32
35
18
23
10
14
20
24
37
7
6
19
25
15
8
FIT
1:1
100%

Артикул

Название

Примечание

Количество

1

106043A1

DRIVE SHAFT

ASSEMBLY - header (With decals)

1шт.

106107A1

SHAFT

- female drive (Includes Refs 3 through 12)

1шт.

3

NSS

NOT SOLD SEPARAT

TUBE - outer

1шт.

1311950C1

KIT

- push pin

1шт.

5

NSS

NOT SOLD SEPARAT

PIN - outer yoke

1шт.

6

NSS

NOT SOLD SEPARAT

SPRING - outer yoke

1шт.

7

1325022C1

YOKE

- outer

1шт.

8

Q2937

LOCK PIN,M8 x 55, Slotted

PIN, LOCK, M8 x 55, Slotted

1шт.

1330586C1

REPAIR KIT

KIT - cross and bearing

1шт.

10

NSS

NOT SOLD SEPARAT

CROSS AND BEARING

1шт.

11

933916R1

SNAP RING,M24, Int

RING - internal. retaining, 26 mm

4шт.

12

933756R1

LUBE NIPPLE,M6 x 1

FITTING - grease, 6 x 1.00 mm

2шт.

106109A1

SHAFT

- male drive (Includes Refs 14 through 24)

1шт.

14

NSS

NOT SOLD SEPARAT

TUBE - inner

1шт.

15

NSS

NOT SOLD SEPARAT

YOKE, inner shaft

1шт.

1311950C1

KIT

- push pin

1шт.

17

NSS

NOT SOLD SEPARAT

PIN - clutch

1шт.

18

NSS

NOT SOLD SEPARAT

SPRING clutch

1шт.

19

106089A1

CLUTCH

- torque limiter

1шт.

20

Q2935

LOCK PIN,M8 x 45, Slotted

PIN, LOCK, M8 x 45, Slotted

1шт.

1330586C1

REPAIR KIT

KIT - cross and bearing

1шт.

22

NSS

NOT SOLD SEPARAT

CROSS AND BEARING

1шт.

23

933916R1

SNAP RING,M24, Int

RING - internal retaining, 26 mm

4шт.

24

933756R1

LUBE NIPPLE,M6 x 1

FITTING - grease, 6 x 1.00 mm

2шт.

25

106103A1

OUTER SHIELD

SHIELD ASSEMBLY - outer female shaft

1шт.

26

NSS

NOT SOLD SEPARAT

BEARING - shield

1шт.

32

106105A1

INNER SHIELD

SHIELD ASSEMBLY - inner male shaft

1шт.

34

1326625C91

SHIELD

ASSEMBLY - outer yoke

1шт.

35

NSS

NOT SOLD SEPARAT

BEARING - shield

1шт.

36

1326632C1

CHAIN

- safety

2шт.

37

1326528C1

DECAL

- Danger, shield missing

1шт.

Выбрано товаров: 0