Запчасти Case IH 1020 (9A-22) - 6 BAT REEL, SINGLE ECCENTRIC, PLASTIC TINES, 15, 16-1/2, 17-1/2 AND 20 FOOT HEADER (HART-CARTER) (58) - ATTACHMENTS/HEADERS

Схема запчастей Case IH 1020 - (9A-22) - 6 BAT REEL, SINGLE ECCENTRIC, PLASTIC TINES, 15, 16-1/2, 17-1/2 AND 20 FOOT HEADER (HART-CARTER) (58) - ATTACHMENTS/HEADERS
50
37
65
40
74
70
50
70
49
61
74
73
38
72
47
67
43
71
44
49
73
63
46
51
60
66
69
51
68
76
64
73
61
74
48
62
45
71
49
75
49
FIT
1:1
100%

Артикул

Название

Примечание

Количество

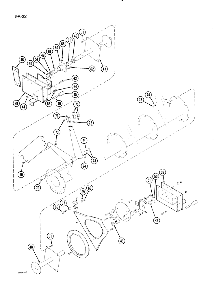
37

1326611C1

SUPPORT

- eccentric adjusting, left

1шт.

38

1326612C1

SUPPORT

- eccentric adjusting, right

1шт.

40

23885K

SPACER,3/4" Tube x 2 1/16"

- 3/4 x 2-1/16 inch

4шт.

43

413-852

BOLT,Hex, 1/2" - 13 x 3-1/4", Gr 5

- hex, 1/2 NC x 3-1/4 inch

4шт.

44

9413967

LOCK NUT,1/2"-13, GB

NUT - hex prevailing torque lock, 1/2 inch NC

4шт.

45

1316328C1

SHIFTER ROLLER

BUSHING - reel support

4шт.

46

1316465C1

BRACKET

- reel shield

1шт.

47

1989426C1

SHAFT

- drive end

1шт.

48

1989424C1

SHAFT

- driven end

1шт.

49

495-81089

WASHER,1.66" ID x 2.25" OD x 0.12" Thk

- flat, 1-21/23 x 2-1/4 x 7/64 inch

4шт.

50

180400C91

COLLAR

- with set screw

2шт.

51

84-65

SET SCREW,Hex Soc, 3/8"-24 x 5/16"

SCREW - set, hex socket headless cup point, 3/8 NF x 5/16 inch

2шт.

60

1989435C1

SUPPORT

- reel

1шт.

61

167666C1

BUSHING

- roller frame

2шт.

62

113-312

BOLT,Hex, 7/16" - 14 x 1-1/4", Gr 5

2шт.

63

425-107

NUT,7/16"-14, G5

- hex, 7/16 inch NC

2шт.

64

492-11044

LOCK WASHER,7/16"

WASHER, LOCK, 7/16"

2шт.

65

219-3

LUBE NIPPLE,1/8" - 27 NPTF

FITTING - grease, straight, 1/8 PT x 1-1/4 inch

1шт.

66

413-832

BOLT,Hex, 1/2" - 13 x 2", Gr 5

6шт.

67

1316568C1

SPACER

BUSHING - shaft

6шт.

68

9413967

LOCK NUT,1/2"-13, GB

NUT - hex lock, 1/2 inch NC

6шт.

69

495-81024

WASHER,17/32" x 1 1/4" x .060"

- flat, 17/32 x 1-1/4 x 3/64 inch

6шт.

70

614-10025

BOLT,Hex, M10 x 1.5 x 25mm, Cl 8.8

1шт.

71

614-10030

BOLT,Hex, M10 x 1.5 x 30mm, Cl 8.8, Full Thd

Full Thd Hex, M10 x 30, 8.8

8шт.

72

614-10050

BOLT,Hex, M10 x 1.5 x 50mm, Cl 8.8, Full Thd

1шт.

73

832-41310

NUT,M10 x 1.5, Cl 10

NUT - hex, self-locking, 10 mm - 1.5, Grade 10

1шт.

74

892-11010

LOCK WASHER,M10

1шт.

75

1347084C1

CLAMP,50.8 mm ID x 25.4 mm

BEARING - reel arm

1шт.

76

1347085C1

STRAP

- bearing

1шт.

Выбрано товаров: 29