Запчасти Case IH 1020 (9A-26) - 6 BAT REEL, DOUBLE ECCENTRIC, PLASTIC TINES, 20, 22-1/2, 25 AND 30 FOOT HEADER (HART-CARTER) (58) - ATTACHMENTS/HEADERS

Схема запчастей Case IH 1020 - (9A-26) - 6 BAT REEL, DOUBLE ECCENTRIC, PLASTIC TINES, 20, 22-1/2, 25 AND 30 FOOT HEADER (HART-CARTER) (58) - ATTACHMENTS/HEADERS
71
50
76
71
73
37
69
74
70
51
68
50
73
69
72
43
44
45
49
43
73
46
66
40
40
74
67
68
45
51
49
67
49
47
48
74
49
66
75
38
44
FIT
1:1
100%

Артикул

Название

Примечание

Количество

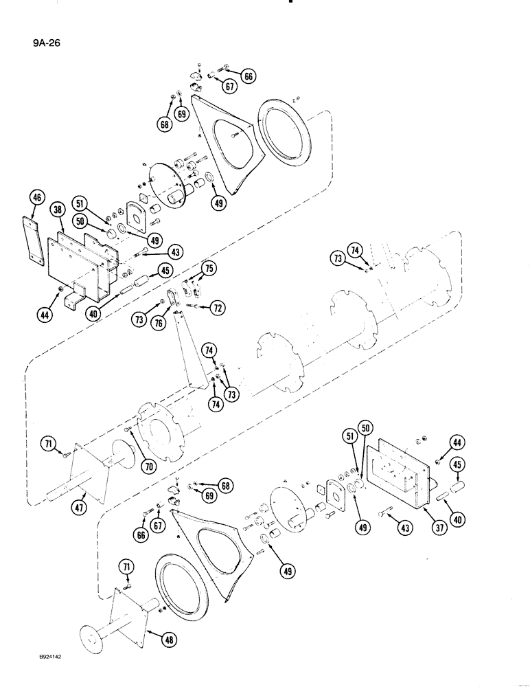
37

1326611C1

SUPPORT

- eccentric adjusting, left

1шт.

38

1326612C1

SUPPORT

- eccentric adjusting, right

1шт.

40

23885K

SPACER,3/4" Tube x 2 1/16"

- 3/4 x 2-1/16 inch

4шт.

43

413-852

BOLT,Hex, 1/2" - 13 x 3-1/4", Gr 5

- hex, 1/2 NC x 3-1/4 inch

4шт.

44

9413967

LOCK NUT,1/2"-13, GB

NUT - hex prevailing torque lock, 1/2 inch NC

4шт.

45

1316328C1

SHIFTER ROLLER

BUSHING - reel support

4шт.

46

1316465C1

BRACKET

- reel shield

1шт.

47

1989427C1

SHAFT

- driving end (20 foot header)

1шт.

47

1989428C1

SHAFT

- driving end (22-1/2, 25 and 30 foot header)

1шт.

48

1989424C1

SHAFT

- driven end (20 foot header)

1шт.

48

1989425C1

SHAFT

- driven end (22-1/2, 25 and 30 foot header)

1шт.

49

495-81089

WASHER,1.66" ID x 2.25" OD x 0.12" Thk

- flat, 1-21/23 x 2-1/4 x 7/64 inch

4шт.

50

180400C91

COLLAR

- with set screw

2шт.

51

84-65

SET SCREW,Hex Soc, 3/8"-24 x 5/16"

SCREW - set, hex socket headless cup point, 3/8 NF x 5/16 inch

4шт.

66

413-832

BOLT,Hex, 1/2" - 13 x 2", Gr 5

12шт.

67

1316568C1

SPACER

BUSHING - reel support

12шт.

68

9413967

LOCK NUT,1/2"-13, GB

NUT - hex lock, 1/2 inch NC

12шт.

69

495-81024

WASHER,17/32" x 1 1/4" x .060"

- flat, 17/32 x 1-1/4 x 3/64 inch

12шт.

70

614-10025

BOLT,Hex, M10 x 1.5 x 25mm, Cl 8.8

1шт.

71

614-10030

BOLT,Hex, M10 x 1.5 x 30mm, Cl 8.8, Full Thd

Full Thd Hex, M10 x 30, 8.8

8шт.

72

614-10050

BOLT,Hex, M10 x 1.5 x 50mm, Cl 8.8, Full Thd

1шт.

73

832-41310

NUT,M10 x 1.5, Cl 10

NUT - hex, self-locking, 10 mm - 1.5, Grade 10

1шт.

74

892-11010

LOCK WASHER,M10

1шт.

75

1347084C1

CLAMP,50.8 mm ID x 25.4 mm

BEARING - reel arm

1шт.

76

1347085C1

STRAP

- bearing

1шт.

Выбрано товаров: 25