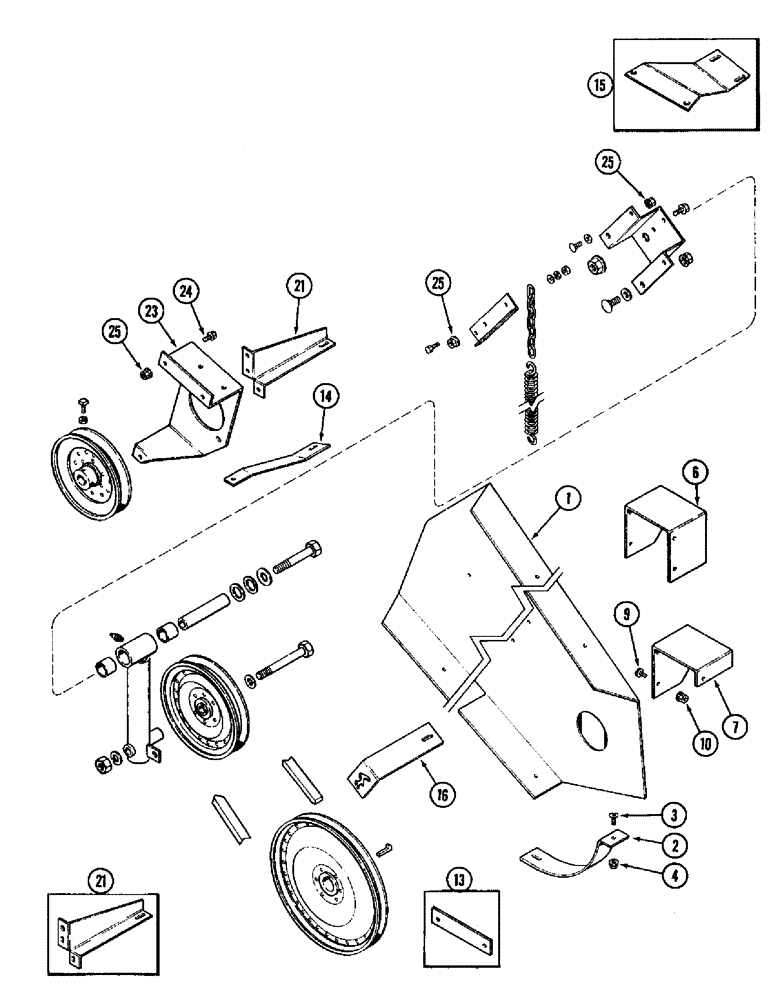
Запчасти Case IH 1020 (9A-32) - REEL CONTROL ATTACHMENT, HYDRAULIC REEL DRIVE, 1440E, 1460E, AND 1480E COMBINE (09) - CHASSIS/ATTACHMENTS

Схема запчастей Case IH 1020 - (9A-32) - REEL CONTROL ATTACHMENT, HYDRAULIC REEL DRIVE, 1440E, 1460E, AND 1480E COMBINE (09) - CHASSIS/ATTACHMENTS
16
25
15
10
13
6
23
1
9
25
3
21
21
7
2
4
24
14
25
FIT
1:1
100%

Артикул

Название

Примечание

Количество

1

189459C3

SHIELD

- pump drive

1шт.

1440E Combine with 47 inch feeder.

1шт.

1460E Combine with 47 inch feeder.

1шт.

1

189460C3

SHIELD

- pump drive

1шт.

1480E Combine with 54.5 inch feeder.

1шт.

1460E Combine with 54.5 inch feeder.

1шт.

2

189470C1

SUPPORT

- shield, upper

1шт.

3

477-73108

SERRATED SCREW,Sl Truss Hd, 5/16" - 18 x 1/2"

BOLT - serrated slotted truss head, 5/16 NC x 1/2 inch

1шт.

3

477-73112

SERRATED SCREW,Sl Truss Hd, 5/16" - 18 x 3/4"

- serrated slotted truss head, 5/16 NC x 3/4"

1шт.

4

231-5145

SERRATED NUT,Flg, USR, 5/16"-18

NUT - hex serrated flange, 5/16 inch NC

1шт.

6

197646C1

SHIELD

- feeder jackshaft

1шт.

1440E Combine with 47 inch feeder.

1шт.

1460E Combine with 47 inch feeder.

1шт.

6

189730C1

SHIELD

- feeder jackshaft

1шт.

1480E Combine with 54.5 inch feeder.

1шт.

1460E Combine with 54.5 inch feeder.

1шт.

7

179253C1

SHIELD

- feeder jackshaft

1шт.

1480E Combine with 54.5 inch feeder.

1шт.

1460E Combine with 54.5 inch feeder.

1шт.

9

477-82508

SERRATED SCREW,Sl Truss Hd, 1/4" - 20 x 1/2"

BOLT - serrated slotted truss head, 1/4 NC x 1/2 inch

4шт.

10

231-5144

SERRATED NUT,Flg, USR, 1/4"-20

4шт.

13

203672C1

SUPPORT

- shield, lower

1шт.

1480E Combine with 54.5 inch feeder.

1шт.

14

189468C2

SUPPORT

- shield, lower rear

1шт.

1440E Combine with 47 inch feeder.

1шт.

1460E Combine with 47 inch feeder.

1шт.

15

189469C1

SUPPORT

- shield, lower rear

1шт.

1480E Combine with 54.5 inch feeder.

1шт.

1460E Combine with 54.5 inch feeder.

1шт.

16

189464C2

SUPPORT

- shield, upper front

1шт.

495-11053

WASHER,1/2", SAE

(17/32" x 1-1/16" x 3/32") 1/2", SAE

1шт.

80679

LOCK WASHER,1/20.507 CST ZND

WASHER, LOCK, 1/2"

1шт.

425-108

NUT,1/2" - 13, Gr 5

NUT, , Hex 1/2"-13, G5

1шт.

21

189466C1

SUPPORT

- shield, upper rear

1шт.

23

198409C2

SUPPORT

- reel drive pump

1шт.

24

154273C1

BOLT,Hex Serr, 3/8" - 16 x 1", Spcl

- hex, self-locking, special, 3/8 NC x 1 inch

1шт.

25

231-5146

FLANGE NUT,3/8"-16

1шт.

Выбрано товаров: 37