Запчасти Case IH 1020 (9A-34) - REEL CONTROL ATTACHMENT, HYDRAULIC REEL DRIVE, 1440E, 1460E, 1480E COMBINE (CONTD) (09) - CHASSIS/ATTACHMENTS

Схема запчастей Case IH 1020 - (9A-34) - REEL CONTROL ATTACHMENT, HYDRAULIC REEL DRIVE, 1440E, 1460E, 1480E COMBINE (CONTD) (09) - CHASSIS/ATTACHMENTS
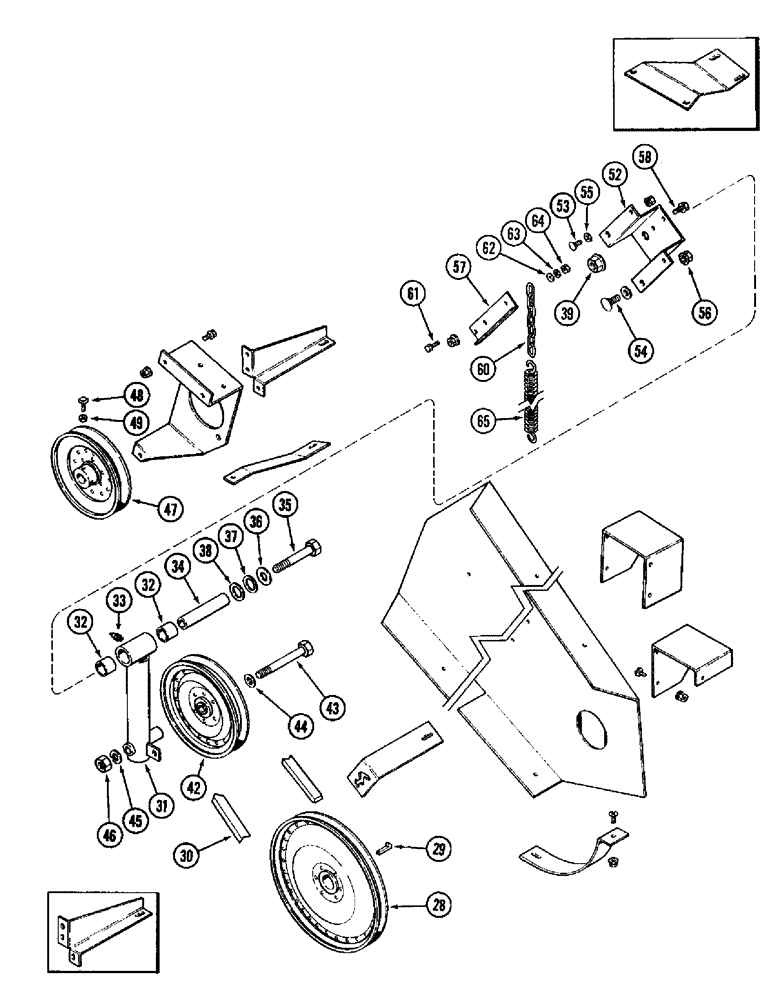
45
29
32
48
32
42
47
54
33
34
36
39
28
44
61
31
53
58
65
52
46
63
35
57
55
56
38
64
37
49
43
60
30
62
FIT
1:1
100%

Артикул

Название

Примечание

Количество

28

176562C2

PULLEY

- drive, feeder jackshaft pump, 13-1/2 inch OD

1шт.

29

Q1497

KEY,Gib, 3/8" Sq x 2"

- square gib, 3/8 x 2 inch

1шт.

30

197414C2

BELT,22.33 mm W x 3706.69 mm L

V-BELT , Reel drive 22.33 mm W x 3706.69 mm L

1шт.

1480E Combine with 54.5 inch feeder.

1шт.

1460E Combine with 54.5 inch feeder.

1шт.

30

197411C1

V-BELT,132" L

131.69" L, Reel drive

1шт.

1440E Combine with 47 inch feeder.

1шт.

1460E Combine with 47 inch feeder.

1шт.

31

195528C92

ARM

ASSEMBLY - pump tightener, Includes: Ref. 32

1шт.

32

583346R1

BUSHING,25.45mm ID x 28.55mm OD x 25.4mm L

- tightener arm

2шт.

33

219-87

LUBE NIPPLE,1/4" - 28 NPTF

NIPPLE, LUBE, 1/4"-28 x .56" lg, Self-Tap

1шт.

34

198410C1

SPACER

- tightener arm

1шт.

35

413-1064

BOLT,Hex, 5/8" - 11 x 4", Gr 5

- hex, 5/8 NC x 4 inch

1шт.

36

495-81026

WASHER,21/32" x 1 1/2" x .060"

- flat, 21/32 x 1-1/2 x 3/64 inch

1шт.

37

495-81069

WASHER,1-1/32" ID x 1-1/2" OD x 3/50" Thk

- flat, 1-1/32 x 1-1/2 x 1/16 inch

1шт.

38

495-81070

WASHER,1 1/32" x 1 1/2" x .120"

- flat, 1-1/32 x 1-1/2 x 7/64 inch

1шт.

39

231-51410

FLANGE NUT,Flg, USR, 5/8"-11

1шт.

42

674966R91

PULLEY,203.2mm Idler Dia x 222.25mm OD x 36.51mm W

- belt idler, 8-3/4 inch OD

1шт.

43

424-1080

BOLT,Hex, 5/8" - 11 x 5", Gr 2

- hex, 5/8 NC x 5 inch, grade 2

1шт.

44

495-81175

WASHER,21/32" x 1" x .120"

- flat, 21/32 x 1 x 7/64 inch

1шт.

45

492-11062

BEARING WASHER,5/8"

WASHER, LOCK, 5/8"

1шт.

46

425-1010

NUT,5/8"-11, G5

1шт.

47

193252C1

PULLEY

ASSY, pump driven, 7.5" O.D., 7/8" I.D.

1шт.

48

485-13812

SET SCREW,Sq Hd, 3/8"-16 x 3/4"

SCREW - set, square head, 3/8 NC x 3/4 inch, cup point

1шт.

49

425-146

JAM NUT,3/8" - 16, Gr 5

- hex, jam, 3/8 inch NC

1шт.

52

195526C1

SUPPORT

- pivot anchor

1шт.

1440E Combine with 47 inch feeder.

1шт.

1460E Combine with 47 inch feeder.

1шт.

1460E Combine with 54.5 inch feeder.

1шт.

52

195527C1

SUPPORT

- pivot anchor

1шт.

1480E Combine with 54.5 inch feeder.

1шт.

53

434-616

CARRIAGE BOLT,Sht Sq Nk, 3/8" - 16 x 1", Gr 5

BOLT - carriage, 3/8 NC x 1 inch

1шт.

54

434-820

CARRIAGE BOLT,Sht Sq Nk, 1/2" - 13 x 1 1/4", Gr 5

BOLT - carriage, 1/2 NC x 1-1/4 inch

1шт.

55

496-21053

WASHER,17/32" x 1 1/16" x .134"

- flat, 17/32 x 1-1/16 x 1/8 inch, hardened

1шт.

56

232-5138

FLANGE NUT,Flg, USR, 1/2"-13, G8

1шт.

57

195531C1

SUPPORT

- spring anchor

1шт.

58

409-7612

BOLT,3/8"-16 x 1.09" OAL

1шт.

60

167570C1

CHAIN,203.2mm L

- latch, reel drive idler pulley arm

1шт.

61

413-416

BOLT,Hex, 1/4" - 20 x 1", Gr 5

- hex, 1/4 NC x 1 inch

1шт.

62

495-11028

WASHER,1/4", SAE

(flat, 9/32 x 5/8 x 1/16") 1/4", SAE

2шт.

63

492-11025

LOCK WASHER,1/4"

WASHER, LOCK, 1/4"

1шт.

64

425-104

NUT,1/4"-20, Cl 5

- hex, 1/4 inch NC

1шт.

65

NLS

NO LONGER SERVICED

- reel drive idler pulley arm

1шт.

Выбрано товаров: 43