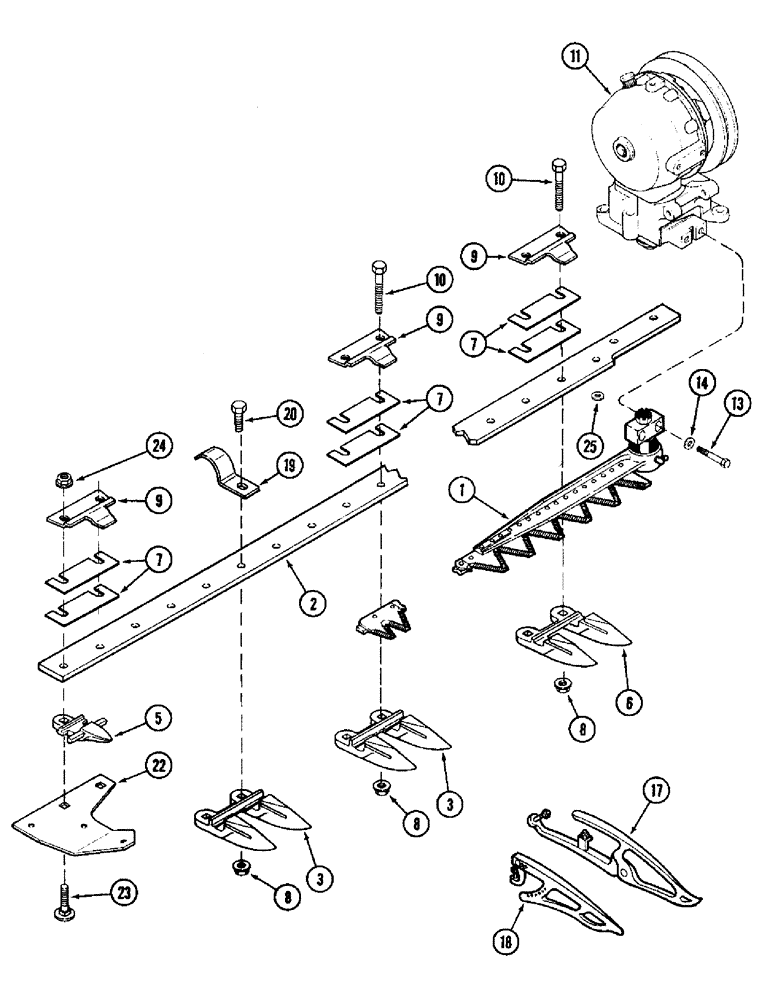
Запчасти Case IH 1020 (9B-04) - KNIFE GUARDS AND CUTTER BAR, 3 INCH KNIFE (09) - CHASSIS/ATTACHMENTS

Схема запчастей Case IH 1020 - (9B-04) - KNIFE GUARDS AND CUTTER BAR, 3 INCH KNIFE (09) - CHASSIS/ATTACHMENTS
3
8
1
6
8
7
7
7
17
9
20
8
13
18
24
19
14
11
9
22
10
10
23
25
5
2
9
3
FIT
1:1
100%

Артикул

Название

Примечание

Количество

1

REF

INSTRUCTION

KNIFE ASSEMBLY - header, 3 inch, See Figure 9B-10

1шт.

2

1307412C1

CUTTERBAR

BAR - cutter (15.0 foot)

1шт.

2

1326813C1

CUTTERBAR

BAR - cutter (16.5 foot)

1шт.

2

1307413C1

CUTTERBAR

BAR - cutter (17.5 foot)

1шт.

2

1307414C1

CUTTERBAR

BAR - cutter (20.0 foot)

1шт.

2

1307415C1

CUTTERBAR

BAR - cutter (22.5 foot)

1шт.

2

1307416C1

CUTTERBAR

BAR - cutter (25.0 foot)

1шт.

2

1307417C1

CUTTERBAR

BAR - cutter (30.0 foot)

1шт.

3

1307299C1

GUARD

- double

1шт.

5

1338269C1

GUARD

- stub (15.0, 20.0, 25.0 and 30.0 foot)

2шт.

6

1326787C2

GUARD

- double, left

3шт.

7

1316039C1

SHIM

- .016 inch, knife guard

1шт.

8

1313463C1

FLANGE NUT

NUT - hex small flange lock, 7/16 inch NC

1шт.

9

1307280C3

KNIFE CLIP

CLIP - knife hold down, low arch

1шт.

10

180151

BOLT,Hex, 7/16" - 14 x 1 3/4", Gr 5

- hex, special, 7/16 NC x 1-3/4 inch

1шт.

11

REF

INSTRUCTION

BOX ASSEMBLY - knife drive, See Figure 9B-12

1шт.

13

326-1036

BOLT,Hex, 5/8" - 11 x 2-1/4", Gr 8

2шт.

14

396-21066

WASHER,16.66mm ID x 33.33mm OD x 4.27mm Thk

2шт.

17

608787R91

GRAIN LIFTER

LIFTER - grain

1шт.

18

163417C91

GRAIN LIFTER

LIFTER - grain, heavy duty

1шт.

19

1313160C1

CLIP

- hold down

1шт.

20

180149

LOCK SCREW,Hex, 7/16" - 14 x 1 1/2", Gr 5

BOLT - hex, 7/16 NC x 1-1/2 inch

1шт.

22

1326342C3

SUPPORT

- crop deflector

1шт.

23

434-732

CARRIAGE BOLT,Sht Sq Nk, 7/16" - 14 x 2", Gr 5

BOLT - carriage, 7/16 NC x 2 inch

2шт.

24

231-4117

LOCK NUT,7/16"-14, GB

NUT - hex, self-locking, 7/16 inch NC

2шт.

25

495-81287

WASHER,13.49mm ID x 31.75mm OD x 3.4mm Thk

- flat, 17/32 x 1-1/4 x 7/64 inch

1шт.

433-724

CARRIAGE BOLT,Sq Nk, 7/16" - 14 x 1 1/2", Gr 5

BOLT carriage, 7/16-14 x 1-1/2"

1шт.

433-728

CARRIAGE BOLT,Sq Nk, 7/16" - 14 x 1 3/4", Gr 5

BOLT carriage, 7/16-14 x 1-3/4"

1шт.

Выбрано товаров: 28