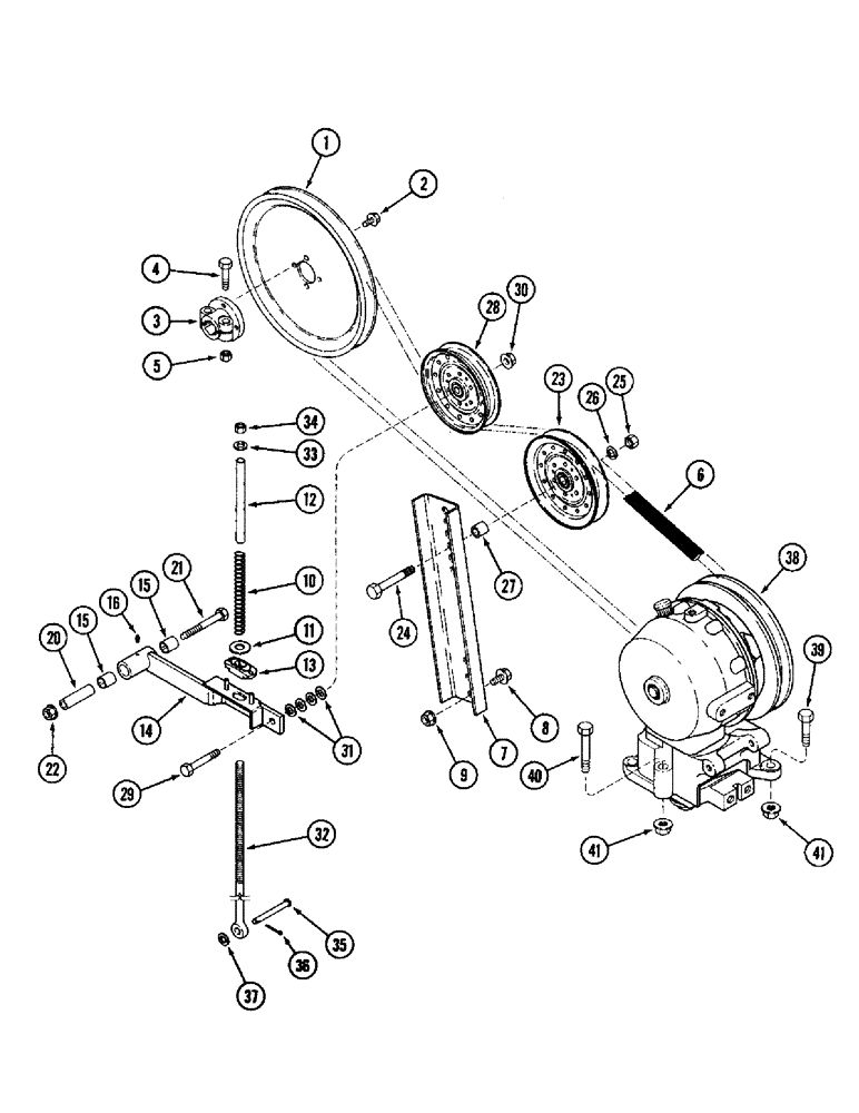
Запчасти Case IH 1020 (9B-10) - KNIFE DRIVE (09) - CHASSIS/ATTACHMENTS

Схема запчастей Case IH 1020 - (9B-10) - KNIFE DRIVE (09) - CHASSIS/ATTACHMENTS
25
40
9
21
14
1
2
32
24
31
7
28
38
15
26
15
8
27
4
23
20
41
41
35
6
39
37
3
34
36
10
29
12
11
13
33
30
16
22
5
FIT
1:1
100%

Артикул

Название

Примечание

Количество

1

125957A1

PULLEY

- drive, 400 RPM, 213 mm OD (Standard on 1.5 inch knife)

1шт.

1

126012A1

PULLEY

- drive, 460 RPM, 245 mm OD (Optional on 1.5 inch knife only)

1шт.

1

125959A1

PULLEY

- drive, 500 RPM, 267 mm OD (Standard on 3 inch knife and optional on 1.5 inch knife)

1шт.

1

125962A1

PULLEY

- drive, 600 RPM, 318 mm OD (Optional on 3 inch knife only)

1шт.

2

133587A1

FLANGE BOLT,Hex, 3/8" - 16 x 3/4", Gr 5, W/ Scotch Grip

BOLT - hex flange, self-locking, special, 3/8 NC x 3/4 inch

4шт.

3

125966A1

HUB

- knife drive pulley

1шт.

4

413-832

BOLT,Hex, 1/2" - 13 x 2", Gr 5

2шт.

5

425-108

NUT,1/2" - 13, Gr 5

NUT, , Hex 1/2"-13, G5

2шт.

6

1989679C1

BELT,22.33 mm W x 2666.69 mm L

V-BELT , Drive (Used with 400 RPM drive) 22.33 mm W x 2666.69 mm L

1шт.

6

1319245C2

V-BELT,22.33 mm W x 2748.69 mm L

Drive, Used with 460 and 500 RPM Drive 22.33 mm W x 2748.69 mm L

1шт.

6

1316575C2

V-BELT,22.33 mm W x 2840.69 mm L

Drive, Used with 600 RPM Drive 22.33 mm W x 2840.69 mm L

1шт.

7

138435A1

SUPPORT

- stationary idler pulley

1шт.

8

409-7816

BOLT,Hex Flg, 1/2" - 13 x 1", Spcl

- hex serrated flange, 1/2 NC x 1 inch

3шт.

9

231-5148

FLANGE NUT,Flg, USR, 1/2"-13

3шт.

10

518926R1

SPRING

- knife drive idler

1шт.

REF 10 Spring, IF looking for one that drives at both ends and has an updated gear box, order p/n 1315247C1. 9/2/97 CNS/CAM

1шт.

11

495-11066

WASHER,5/8", SAE

- flat, 21/32 x 1-5/16 x 3/32 inch

1шт.

12

178858A1

TUBE,15.87 mm OD

- tightener spring

1шт.

Ref 12: Another tube not shown? Per tech: Ref. 42, idler spacer, 188861A1. Is called out but not illustrated in the catalog. It is 125 mm long and has an O.D. of 23.81 mm. CAM/CNS 9/8/99

1шт.

13

1307259C2

GUIDE

- finger, tightener bolt

1шт.

14

138439A1

ARM

ASSEMBLY - idler, Includes: Ref. 15 & 16

1шт.

15

289588R1

BUSHING

- shield pivot support

2шт.

16

219-87

LUBE NIPPLE,1/4" - 28 NPTF

NIPPLE, LUBE, 1/4"-28 x .56" lg, Self-Tap

1шт.

20

1320826C1

BUSHING,12.95mm ID x 18.9mm OD x 70mm L

- idler arm

1шт.

21

413-860

BOLT,Hex, 1/2" - 13 x 3-3/4", Gr 5

1шт.

22

232-5318

FLANGE NUT,Flg, 1/2"-13

NUT - hex flange, self-locking, 1/2 inch NC

1шт.

23

673214R91

PULLEY

- 7-5/16 inch (186 mm) OD, idler, front

1шт.

24

413-1040

BOLT,Hex, 5/8" - 11 x 2-1/2", Gr 5

- hex, 5/8 NC x 2-1/2 inch

1шт.

25

425-1010

NUT,5/8"-11, G5

1шт.

26

492-11062

BEARING WASHER,5/8"

WASHER, LOCK, 5/8"

1шт.

27

575098R1

SPACER,16.7mm ID x 22.23mm OD x 15.9mm L

- 7/8 x 5/8 inch, tube

1шт.

28

1338456C1

IDLER

- idler, 6 inch OD, rear

1шт.

29

413-840

BOLT,Hex, 1/2" - 13 x 2-1/2", Gr 5

- hex, 1/2 NC x 2-1/2 inch

1шт.

30

232-5318

FLANGE NUT,Flg, 1/2"-13

NUT - hex flange, self-locking, 1/2 inch NC

1шт.

31

495-81287

WASHER,13.49mm ID x 31.75mm OD x 3.4mm Thk

- flat, 17/32 x 1-1/4 x 7/64 inch

5шт.

32

1307324C1

EYEBOLT

BOLT - eye, knife drive tightener

1шт.

33

495-81287

WASHER,13.49mm ID x 31.75mm OD x 3.4mm Thk

- flat, 17/32 x 1-1/4 x 7/64 inch

1шт.

34

425-108

NUT,1/2" - 13, Gr 5

NUT, , Hex 1/2"-13, G5

3шт.

35

439-1824

HEADED PIN,1/2" x 1 1/2", G2

PIN - headed, 1/2 x 1-1/2 inch, grade 2

1шт.

36

432-1216

COTTER PIN,3/16" x 1"

1шт.

37

495-81287

WASHER,13.49mm ID x 31.75mm OD x 3.4mm Thk

- flat, 17/32 x 1-1/4 x 7/64 inch

1шт.

38

REF

INSTRUCTION

BOX ASSEMBLY - knife drive

1шт.

39

326-1032

BOLT,Hex, 5/8" - 11 x 2", Gr 8

4шт.

40

326-1056

BOLT,Hex, 5/8" - 11 x 3-1/2", Gr 8

BOLT, Hex, 5/8"-11 x 3 1/2", G8

1шт.

41

232-53110

FLANGE NUT,Flg, 5/8"-11

NUT - hex flange, self-locking, 5/8 inch NC

5шт.

42

188861A1

SPACER

- 5 inch, idler spring, inner

1шт.

Выбрано товаров: 46